SRS






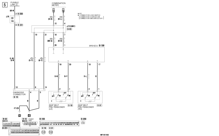
SRS (CONTINUED)





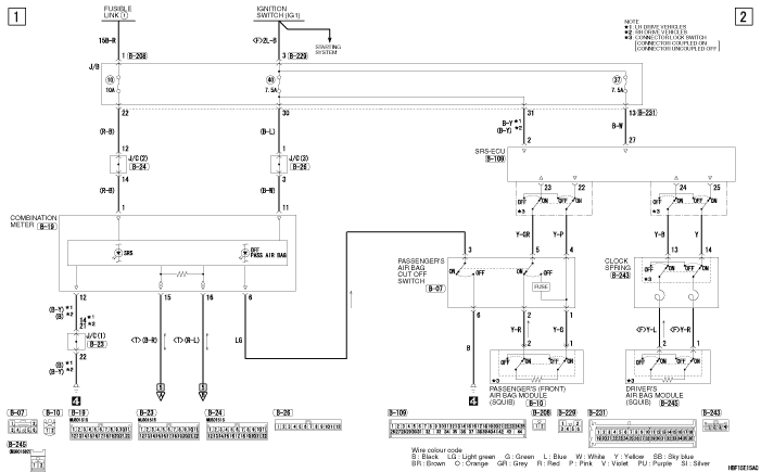
SRS (CONTINUED)