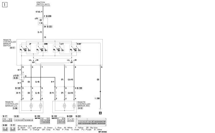
REMOTE CONTROLLED MIRROR <RH DRIVE VEHICLES>