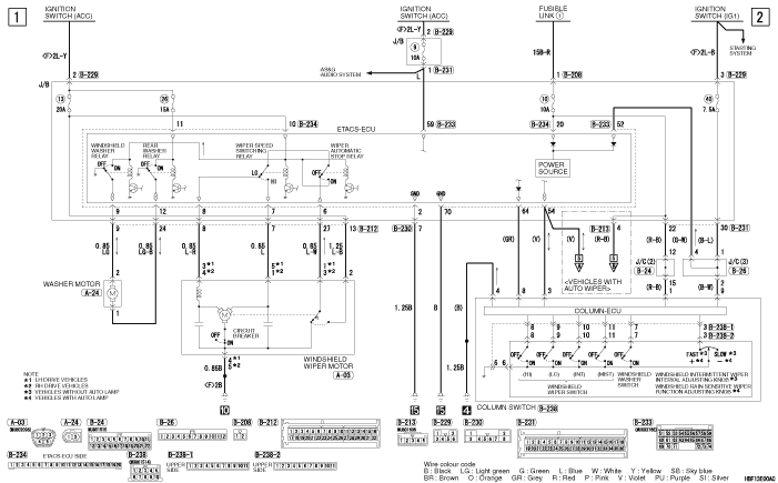
WINDSHIELD WIPER AND WASHER <134, 3A9, 135, 4A9>






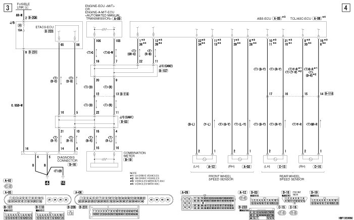
WINDSHIELD WIPER AND WASHER <134, 3A9, 135, 4A9> (CONTINUED)





WINDSHIELD WIPER AND WASHER <134, 3A9, 135, 4A9> (CONTINUED)