CENTRAL
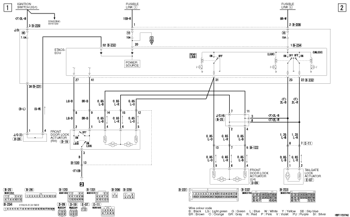
DOOR LOCKING SYSTEM <COLT CZ3 (RH DRIVE VEHICLES WITH DEADLOCK SYSTEM)>

CENTRAL DOOR LOCKING SYSTEM <COLT CZ3 (RH
DRIVE VEHICLES WITH DEADLOCK SYSTEM)>
(CONTINUED)

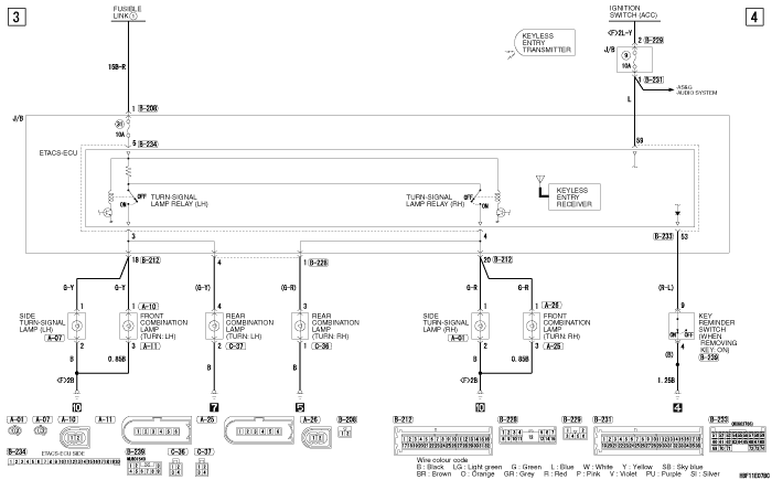
CENTRAL DOOR LOCKING SYSTEM <COLT CZ3 (RH
DRIVE VEHICLES WITH DEADLOCK SYSTEM)>
(CONTINUED)

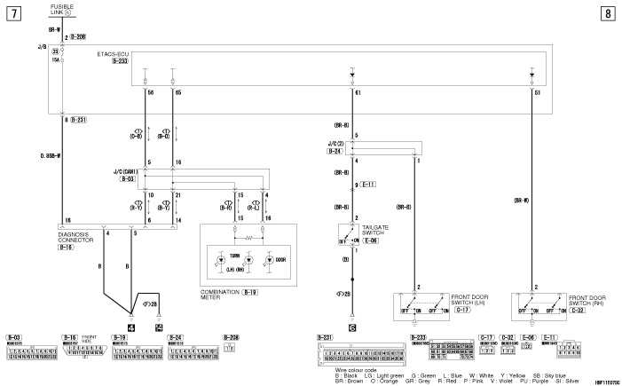
CENTRAL DOOR LOCKING SYSTEM <COLT CZ3 (RH
DRIVE VEHICLES WITH DEADLOCK SYSTEM)>
(CONTINUED)
