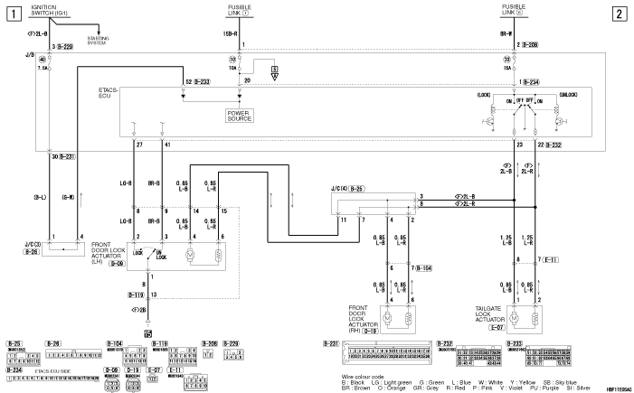
CENTRAL
DOOR LOCKING SYSTEM <COLT CZ3 (LH DRIVE VEHICLES)>

CENTRAL DOOR LOCKING SYSTEM <COLT CZ3 (LH
DRIVE VEHICLES)>
(CONTINUED)

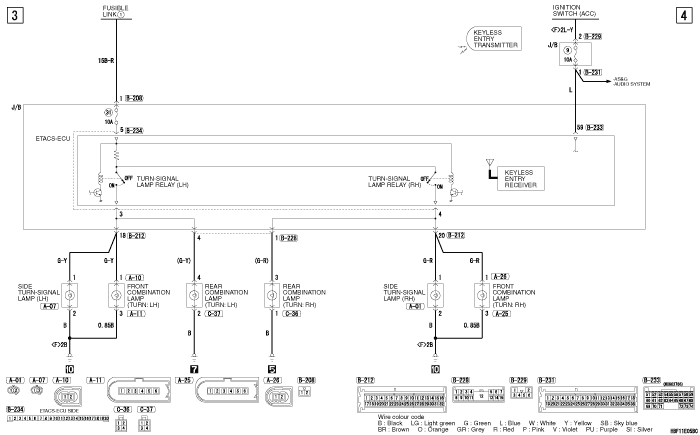
CENTRAL DOOR LOCKING SYSTEM <COLT CZ3 (LH
DRIVE VEHICLES)>
(CONTINUED)

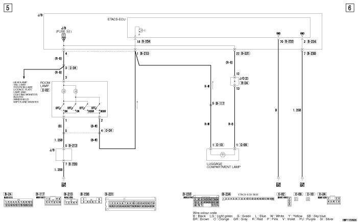
CENTRAL DOOR LOCKING SYSTEM <COLT CZ3 (LH
DRIVE VEHICLES)>
(CONTINUED)
