CENTRAL
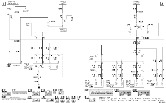
DOOR LOCKING SYSTEM <COLT (RH DRIVE VEHICLES WITHOUT DEADLOCK SYSTEM)>

CENTRAL DOOR LOCKING SYSTEM <COLT (RH DRIVE
VEHICLES WITHOUT DEADLOCK SYSTEM)>
(CONTINUED)

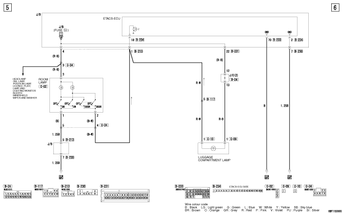
CENTRAL DOOR LOCKING SYSTEM <COLT (RH DRIVE
VEHICLES WITHOUT DEADLOCK SYSTEM)>
(CONTINUED)

CENTRAL DOOR LOCKING SYSTEM <COLT (RH DRIVE
VEHICLES WITHOUT DEADLOCK SYSTEM)>
(CONTINUED)
