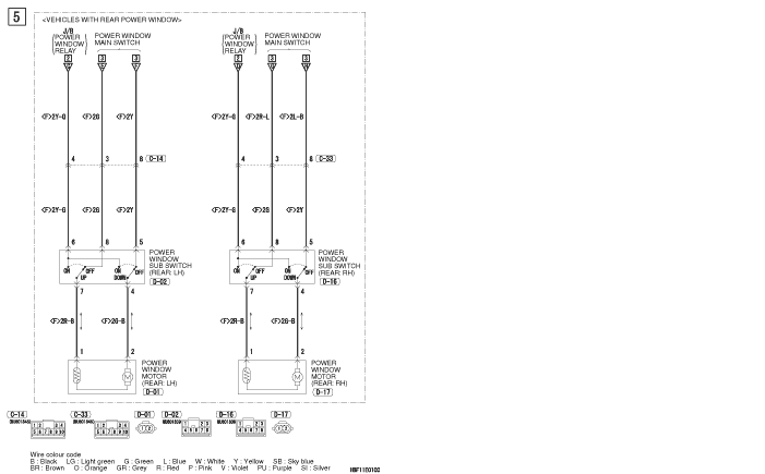
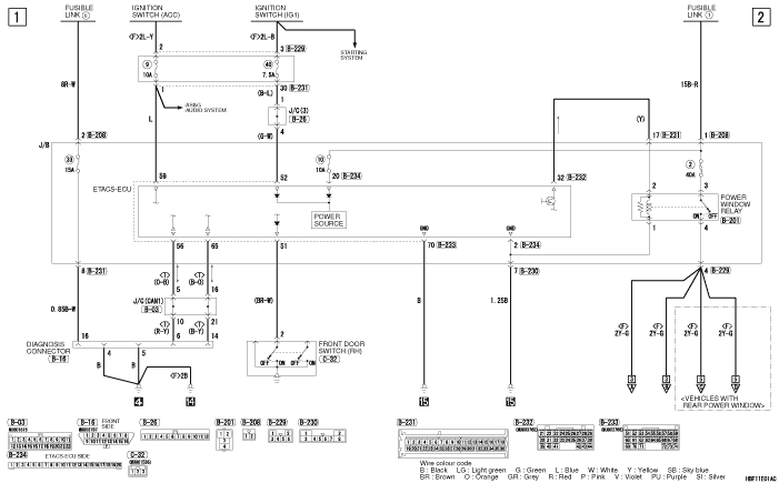
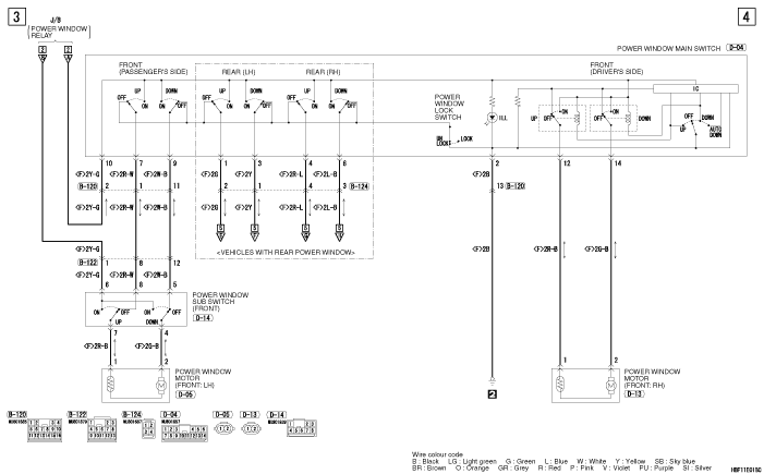
POWER WINDOWS <RH DRIVE VEHICLES>






POWER WINDOWS <RH DRIVE VEHICLES> (CONTINUED)





POWER WINDOWS <RH DRIVE VEHICLES> (CONTINUED)