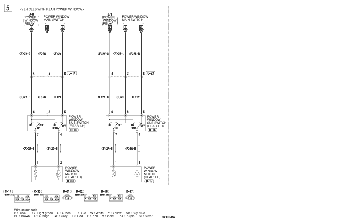
POWER WINDOWS <LH DRIVE VEHICLES>






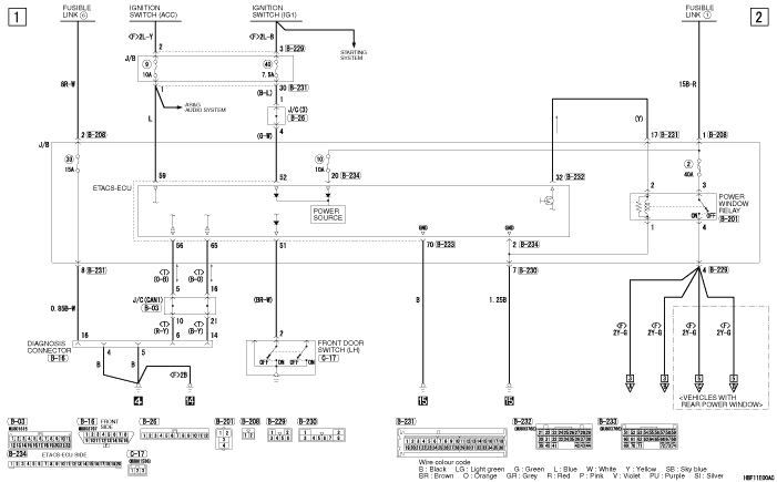
POWER WINDOWS <LH DRIVE VEHICLES> (CONTINUED)





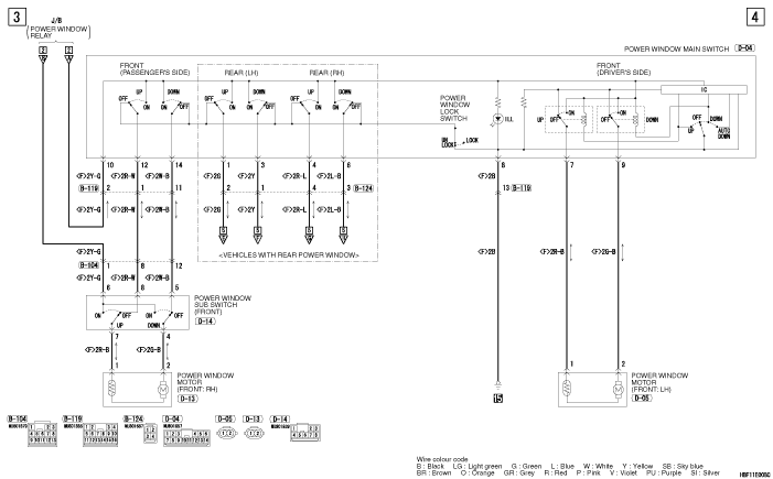
POWER WINDOWS <LH DRIVE VEHICLES> (CONTINUED)