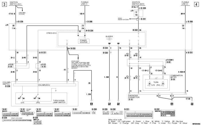
TURN-SIGNAL LAMP AND HAZARD WARNING LAMP






TURN-SIGNAL LAMP AND HAZARD WARNING LAMP (CONTINUED)