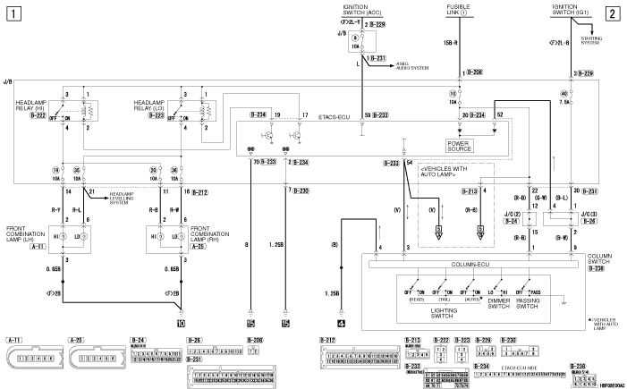
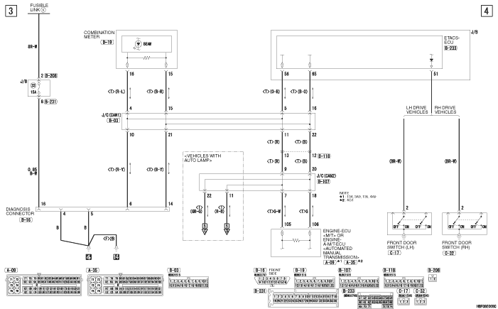
HEADLAMP






HEADLAMP (CONTINUED)





HEADLAMP (CONTINUED)