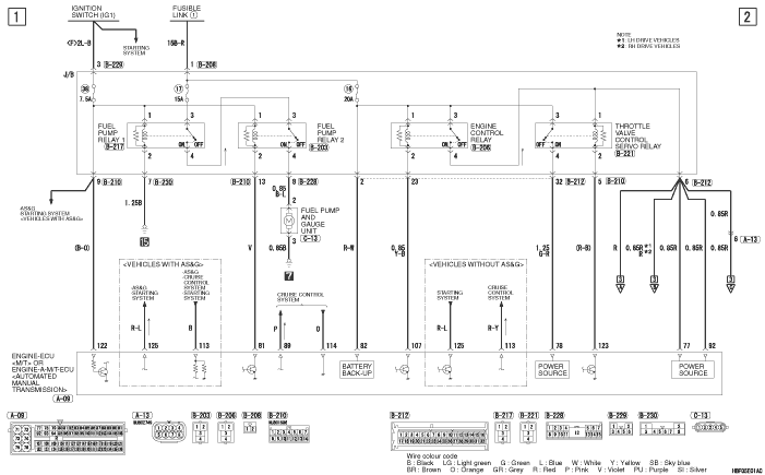
ENGINE CONTROL SYSTEM <135, 4A9>






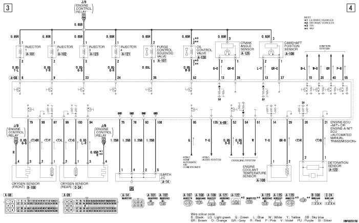
ENGINE CONTROL SYSTEM <135, 4A9> (CONTINUED)





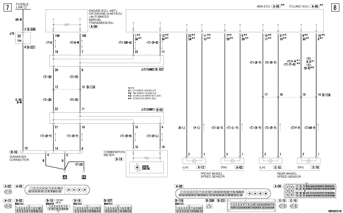
ENGINE CONTROL SYSTEM <135, 4A9> (CONTINUED)





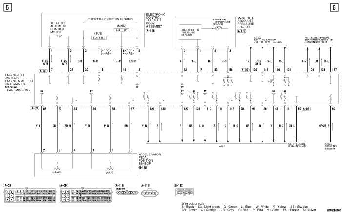
ENGINE CONTROL SYSTEM <135, 4A9> (CONTINUED)