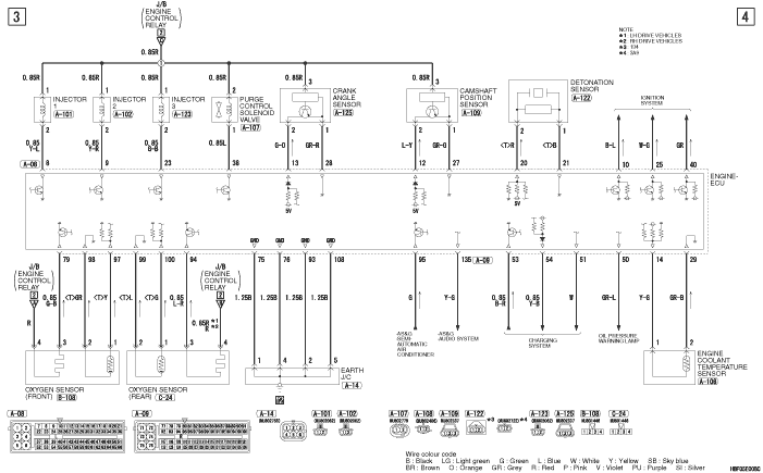
ENGINE CONTROL SYSTEM <134, 3A9>






ENGINE CONTROL SYSTEM <134, 3A9> (CONTINUED)





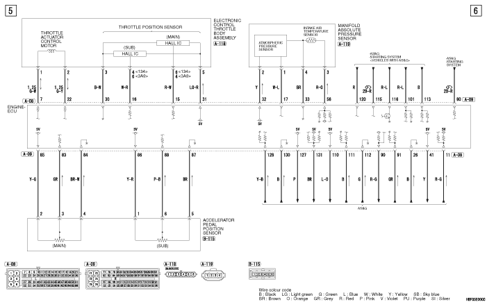
ENGINE CONTROL SYSTEM <134, 3A9> (CONTINUED)





ENGINE CONTROL SYSTEM <134, 3A9> (CONTINUED)