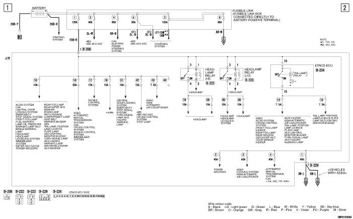
POWER DISTRIBUTION SYSTEM






POWER DISTRIBUTION SYSTEM (CONTINUED)





POWER DISTRIBUTION SYSTEM (CONTINUED)