Inspection Procedure 1: Communication with the M.U.T.-III is not possible.






COMMENTS ON TROUBLE SYMPTOM


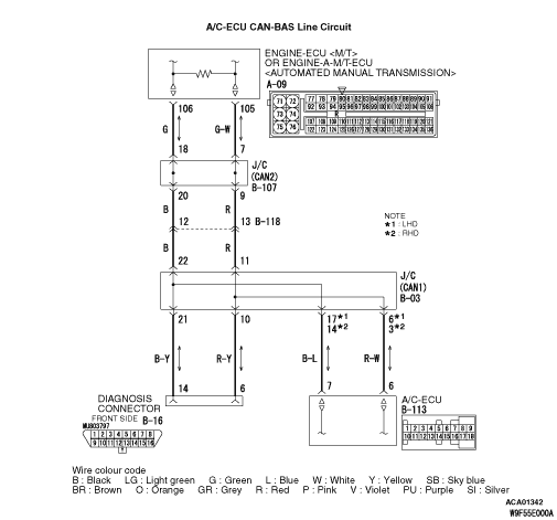
If communication with all other systems is not possible, there is a high possibility that there is a malfunction of the diagnosis line. If only the A/C system cannot communicate with the M.U.T.-III, the A/C-ECU may be defective.

PROBABLE CAUSE



  • Malfunction of the A/C-ECU

DIAGNOSIS PROCEDURE


STEP 1. Check that the M.U.T.-III communicates with the engine-ECU <M/T> or the engine-A-M/T-ECU <Automated manual transmission>.


Check that the M.U.T.-III communicates with the engine-ECU <M/T> or the engine-A-M/T-ECU <Automated manual transmission> when the M.U.T.-III is operated.

Q. Is the check result normal?

Go to Step 2.
Diagnose the MPI system. Refer to GROUP 13A, Troubleshooting <134> or GROUP 13B, Troubleshooting <135>.

STEP 2. M.U.T.-III CAN bus diagnostics


warning Since the radiator fan rotates during CAN bus line diagnostics, make sure that no one is servicing the engine compartment before diagnosing the CAN bus line. Since the CAN communication stops when diagnosing the CAN bus line, the ETACS-ECU detects the time-out of the engine-ECU, and activates the radiator fan to prevent overheating as fail-safe.
Use the M.U.T.-III to diagnose the CAN bus lines.

Q. Is the check result normal?

Refer to Inspection Procedure 10 "Malfunction of the A/C-ECU power supply system ."
Repair the CAN bus line (Refer to GROUP 54C, Troubleshooting ).