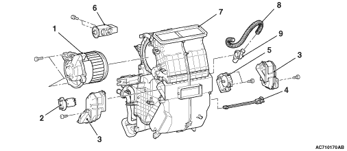
HEATER UNIT DISASSEMBLY AND REASSEMBLY






Disassembly steps


1.
Blower motor


2.
Resistor


3.
Foot duct


4.
Air thermo sensor


5.
Air mixing damper control motor and potentiometer


6.
Expansion valve


7.
Heater case


8.
Aspirator hose


9.
Aspirator