Inspection Procedure 1: The room lamp and the luggage compartment lamp do not illuminate or extinguish normally. <COLT CZ3>








TECHNICAL DESCRIPTION (COMMENT)


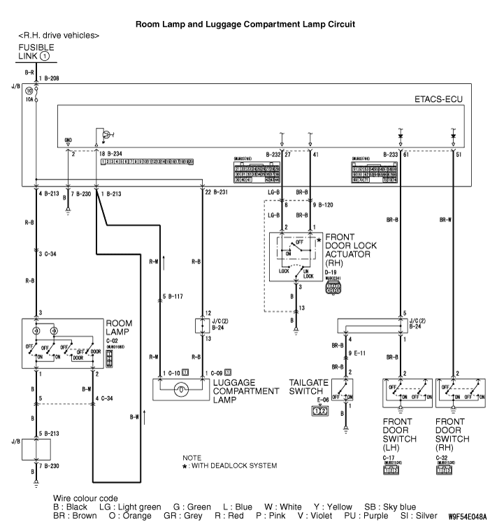
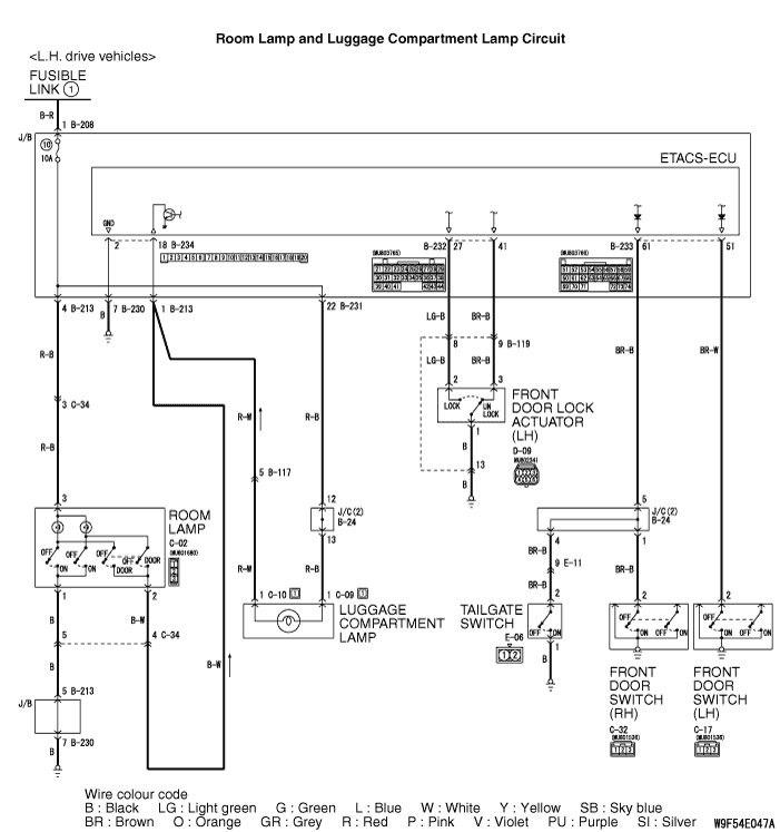
The ETACS-ECU activates the room lamp and the luggage compartment lamp <if equipped> according to the input signals below.

If this function does not work normally, these input signal circuit(s) or the ETACS-ECU may be defective. Alternatively, delay-off function may be disabled by using the customisation of the ETACS-ECU.

TROUBLESHOOTING HINTS




DIAGNOSIS PROCEDURE


STEP 1. Check the operation of the room lamp and the luggage compartment lamp.


Check the operation of the room lamp and luggage compartment lamp with conditions below.

  • Check if the room lamp illuminates when the room lamp switch is turned to the ON position.
  • Check if the room lamp and the luggage compartment lamp illuminate when any of the door is opened with the room lamp switch in the "DOOR" position.

Q. Which of the following cases is applied to the trouble symptom?

The room lamp does not illuminate when the room lamp switch is turned to the "ON" position. : Go to Step 2
The room lamp and the luggage compartment lamp do not illuminate when any of the door is opened with the room lamp switch in the "DOOR" position. : Go to Step 4
The room lamp or the luggage compartment lamp does not illuminate when any of the door is opened with the room lamp switch in the "DOOR" position. : Go to Step 24
The room lamp and luggage compartment lamp do not illuminate with the room lamp switch in the position either "ON" or "DOOR." : Go to Step 31

STEP 2. Connector check: Room lamp connector C-02.



Q. Is room lamp connector C-02 in good condition?

Go to Step 3.

Repair or replace the damaged component(s).

STEP 3. Check the wiring harness between room lamp connector C-02 terminal No.1 and body earth.


Check the earth wires for open circuit.





note Prior to the wiring harness inspection, check intermediate connector C-34 and junction block connectors B-213 and B-230, and repair if necessary.

Q. Is the wiring harness wire between room lamp connector C-02 terminal No.1 and body earth in good condition?

Replace the defective room lamp or luggage compartment lamp.

Repair the wiring harness.

STEP 4. M.U.T.-III data list


Check the input signals from the driver’s door switch to the ETACS-ECU.

  • Driver’s door: Open
Item No.
Item name
Normal condition
19
Driver’s door switch
Being turned ON
OK: Normal condition are displayed for the items.

Q. Is the check result normal?

YES <LH drive vehicles> : Go to Step 10.
YES <RH drive vehicles> : Go to Step 5.
NO : Check the input signals from the driver’s door switch (Refer to GROUP 54B, Input Signal Procedure <LH drive vehicles> or <RH drive vehicles>).

STEP 5. M.U.T.-III data list


Check the input signals from the steering lock switch to the ETACS-ECU.

  • Ignition key: Removed
Item No.
Item name
Normal condition
28
Steering lock switch
Being turned ON
OK: Normal condition are displayed for the items.

Q. Is the check result normal?

Go to Step 10.
Go to Step 6.

STEP 6. Check the key reminder switch.



Check the continuity at the key reminder switch.
Status of ignition key
Tester connection
Specified condition
Removed
4 - 9
Continuity exists (2 Ω or less)
Inserted
4 - 9
No continuity

Q. Is the check result normal?

Go to Step 7.

Replace the key reminder switch.

STEP 7. Connector check: B-239 key reminder switch connector, B-233 ETACS-ECU connector




Q. Is the check result normal?

Go to Step 8.

Repair the defective connector.

STEP 8. Check the wiring harness wire between key reminder switch connector B-239 terminal 9 and ETACS-ECU connector B-233 terminal 53.




Are the room lamp and the luggage compartment lamp in good condition?

Q. Is the check result normal?

Go to Step 9.

Repair the wiring harness.

STEP 9. Check the wiring harness wires between key reminder switch connector B-239 terminal 4 and body earth.


Check the earth wires for open circuit.

Q. Are the wiring harnesses between B-239 key reminder switch (terminal 4) and body earth in good condition?

Go to Step 10.

Repair the wiring harness.

STEP 10. M.U.T.-III data list


Check the input signals from the driver’s door unlock switch to the ETACS-ECU.

  • Driver’s door: Unlock
Item No.
Item name
Normal condition
20
Driver’s door unlock switch
ON
OK: Normal condition are displayed for the items.

Q. Is the check result normal?

YES : Go to Step 15.
NO <vehicles without dead lock system> : Go to Step 11.
NO <vehicles with dead lock system> : Go to Step 12.

STEP 11. Check the driver’s door unlock switch. <Vehicles without dead lock system>



Check the continuity at the driver’s door unlock switch.

ACTUATOR SWITCH CHECK <DRIVER’S SIDE (LH DRIVE VEHICLES)>
Lever position
Tester connection
Specified condition
At the "LOCK" position
1 - 2
Continuity exists (2 Ω or less)
At the "UNLOCK" position
1 - 3

ACTUATOR SWITCH CHECK <DRIVER’S SIDE (RH DRIVE VEHICLES)>
Lever position
Tester connection
Specified condition
At the "LOCK" position
2 - 3
Continuity exists (2 Ω or less)
At the "UNLOCK" position
1 - 3

Q. Is the check result normal?

Go to Step 13.

Replace the driver’s unlock switch.

STEP 12. Check the driver’s door unlock switch. <Vehicles with dead lock system>



Check the continuity at the driver’s door unlock switch.

ACTUATOR SWITCH CHECK <DRIVER’S SIDE>
Lever position
Tester connection
Specified condition
At the "LOCK" position
2 - 3
Continuity exists (2 Ω or less)
At the "DEAD LOCK" position
1 - 2
At the "UNLOCK" position
1 - 3

Q. Is the check result normal?

Go to Step 13.

Replace the driver’s unlock switch.

STEP 13. Connector check: D-09 (LH drive vehicles) or D-19 (RH drive vehicles) front door lock actuator, B-232 ETACS-ECU connector






Q. Is the check result normal?

Go to Step 14.

Repair the defective connector.

STEP 14. Check the wiring harness wires between front door lock actuator connector D-09 terminal No.1 <L.H. drive vehicles> or D-19 terminal No.3 <R.H. drive vehicles> and body earth.


Check the earth wires for open circuit.


Q. Is the check result normal?

Go to Step 15.

Repair the wiring harness.

STEP 15. Check the wiring harness wires between front door lock actuator connector D-09 terminal No.2, 3 <L.H. drive vehicles> or D-19 terminal No.2, 1 <R.H. drive vehicles> and ETACS-ECU connector B-232 terminal No.27, 41.


Check the input lines for open circuit and short circuit.


Q. Is the check result normal?

Go to Step 16.

Repair the wiring harness.

STEP 16. M.U.T.-III data list


Check the input signals from each of the all door switches (except driver’s door) to the ETACS-ECU.

  • All door (except driver’s door): Open
Item No.
Item name
Normal condition
22
All door switch (except driver’s door)
Being turned ON
OK: Normal condition are displayed for the items.

Q. Is the check result normal?

Go to Step 24.
Go to Step 17.

STEP 17. Check each of the door switches (excluding the driver’s door).


Check the continuity at each of the door switches (excluding the driver’s door).

Switch position
Tester connection
Specified condition
Released (ON)
2 - switch body, 3 - switch body
Continuity exists (2 Ω or less)
Depressed (OFF)
2 - switch body, 3 - switch body
No continuity

Q. Is the check result normal?

Go to Step 18.

Replace the defective door switch.

STEP 18. Connector check: Front passenger’s side door switch connector C-32 (LH drive vehicles) or C-17 (RH drive vehicles), ETACS-ECU connector B-233






Q. Is the check result normal?

Go to Step 19.

Repair the defective connector.

STEP 19. Check the wiring harness wires from each terminal No.2 of front passenger’s side door switch connector C-32 (LH drive vehicles) or C- 17 (RH drive vehicles) to ETACS-ECU connector B-233 terminal No.61.


Check the input lines for open circuit and short circuit.






note Prior to the wiring harness inspection, check joint connector B-24, and repair if necessary.

Q. Is the check result normal?

Go to Step 20.

Repair the wiring harness.

STEP 20. Check the tailgate switch.


Check the continuity at the tailgate switch.

Lever position
Tester connection
Specified condition
At the "LOCK" position
1 - 2
No continuity
At the "UNLOCK" position
1 - 2
Continuity exists (2 Ω or less)

Q. Is the check result normal?

Go to Step 21.

Replace the tailgate switch.

STEP 21. Connector check: Tailgate switch connector E-06 and ETACS-ECU connector B-233





Q. Is the check result normal?

Go to Step 22.

Repair the defective connector.

STEP 22. Check the wiring harness wires between tailgate switch connector E-06 terminal No.2 and ETACS-ECU connector B-233 terminal No.61.


Check the input lines for open circuit and short circuit.





note Prior to the wiring harness inspection, check joint connectors B-24 and intermediate connector E-11, and repair if necessary.

Q. Is the check result normal?

Go to Step 23.

Repair the wiring harness.

STEP 23. Check the wiring harness wires between tailgate switch connector E-06 terminal No.1 and body earth.


Check the earth wires for open circuit.

Q. Is the check result normal?

Go to Step 34.

Repair the wiring harness.

STEP 24. Luggage compartment lamp operation check


Check if the luggage compartment lamp illuminates.

Q. Does the luggage compartment lamp illuminate?

Go to Step 25.
Go to Step 28.

STEP 25. Connector check: Room lamp connector C-02, junction block connector B-213





Q. Is the check result normal?

Go to Step 26.

Repair the defective connector.

STEP 26. Check the lamp bulb.


Check that the room lamp bulb are in good condition.

Q. Is the check result normal?

Go to Step 27.
Replace the bulb(s) of the defective lamp.

STEP 27. Check the wiring harness wire between room lamp connector C-02 terminals No.2, 3 and junction block connector B-213 terminals No.1, 4.


Check the input lines for open circuit and short circuit.



note Prior to the wiring harness inspection, check intermediate connector C-34, and repair if necessary.

Q. Is the check result normal?

Replace the room lamp.

Repair the wiring harness.

STEP 28. Connector check: Luggage compartment lamp connectors C-09, C-10, junction block connectors B-213, B-231







Q. Is the check result normal?

Go to Step 29.

Repair the defective connector.

STEP 29. Check the lamp bulb.


Check that the luggage compartment lamp bulb are in good condition.

Q. Is the check result normal?

Go to Step 30.
Replace the bulb(s) of the defective lamp.

STEP 30. Check the wiring harness wire between luggage compartment lamp connectors C-09 terminal No.1, C-10 terminal No.1 and junction block connectors B-231 terminal No. 22, B-213 terminal No.1.


Check the input lines for open circuit and short circuit.





note Prior to the wiring harness inspection, check intermediate connector B-117 and joint connector B-24, and repair if necessary.

Q. Is the check result normal?

Replace the luggage compartment lamp.

Repair the wiring harness.

STEP 31. Connector check: Room lamp connector C-02, luggage compartment lamp connectors C-09, junction block connectors B-208, B-213, B-231








Q. Is the check result normal?

Go to Step 32.

Repair the defective connector.

STEP 32. Check the wiring harness wire between room lamp connector C-02 terminal No.3, luggage compartment lamp connector C-09 terminal No.1 and junction block connector B-213 terminal No.4, B-231 terminal No.22.


Check the input lines for short circuit.








note Prior to the wiring harness inspection, check intermediate connector C-34 and joint connector B-24, and repair if necessary.

Q. Is the check result normal?

Go to Step 33 .

Repair the wiring harness.

STEP 33. Check the wiring harness wire between junction block connector B-208 terminal No.1 and fusible link (1).


Check the power supply line for open circuit.


Q. Is the check result normal?

Replace the junction block.

Repair the wiring harness.

STEP 34. Retest the system.


Check that the room lamp and luggage compartment lamp illuminate normally.

Q. Is the check result normal?

The trouble can be an intermittent malfunction (Refer to GROUP 00, How to use Troubleshooting/inspection Service Points - How to Cope with Intermittent Malfunction ).
Replace the ETACS-ECU. Then perform the variant coding (Refer to GROUP 00, Precautions Before Service - How to Perform Variant Coding ).