|
|
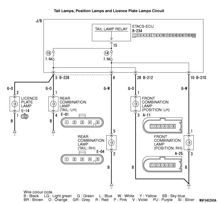
If the tail lamps, the position lamps or the licence plate lamps do not illuminate, the wiring harness connector(s), the bulb or the fuse may be defective or burned out.
|
|
|
- Burned-out bulb
- Damaged harness wires and connectors
|



|
Q.
Is the check result normal?
Go to Step 2.
Repair the defective connector.
|
|
|
Check the bulb of the lamp which does not illuminate.
|
|
|
Q.
Is the check result normal?
|
|
|
Replace the bulb of the lamp which does not illuminate.
|
|
|
|



|
(1)Disconnect the connector, and measure at the wiring harness side.
|




|
(2)Check the resistance between the lamp connector and body earth.
- Resistance between A-11 front combination lamp (position: LH) connector terminal No.3 and body earth
- Resistance between A-25 front combination lamp (position: RH) connector terminal No.3 and body earth
- Resistance between E-01 rear combination lamp (tail: LH) connector terminal No.4 and body earth
- Resistance between E-04 rear combination lamp (tail: RH) connector terminal No.2 and body earth
-
- Resistance between E-14 licence plate lamp (LH) connector terminal No.1 and body earth
OK: Continuity exists (2 Ω or less)
Q.
Is the check result normal?
Go to Step 5.
Go to Step 4.
|



|
- Check the earth wires for open circuit.
Q.
Is the check result normal?
Go to Step 5.
Repair the wiring harness.
|


|
Q.
Is the check result normal?
Go to Step 6.
Repair the defective connector.
|


|
| note |
Prior to the wiring harness inspection, check junction block connectors B-228 <tail lamp or licence plate lamp>, B-212 <position lamp (LH)> and B-210 <position lamp (RH)>, and repair if necessary.
|
- Check the output lines for open circuit.
Q.
Is the check result normal?
Go to Step 7.
Repair the wiring harness.
|
|
|
Check that the tail/stop lamps, the position lamps and the licence plate lamps illuminate normally.
|
|
|
Q.
Is the check result normal?
|
|
|
The lamps illuminate normally at both high and low beams. : The trouble can be an intermittent malfunction (Refer to GROUP 00 - How to use Troubleshooting/inspection Service Points - How to Cope with Intermittent Malfunction ).
|
|
|
|
|
|
When the tail lamps do not illuminate : Replace the tail lamp socket.
|
|
|
|
|
|
When the position lamps do not illuminate : Replace the position lamp socket.
|
|
|
|
|
|
When the licence plate lamps do not illuminate : Replace the licence plate lamp socket.
|
|
|
|