


|
| caution |
The strand end of the twist wire should be within 10 cm from
the connector. For details refer to .
|
|

|
When checking the joint connector, ensure that its wiring harness side and its short pins
are not damaged.
Q.
Are the check results normal?
Go to Step 2.
Repair a defective connector or replace the joint connector.
|



|
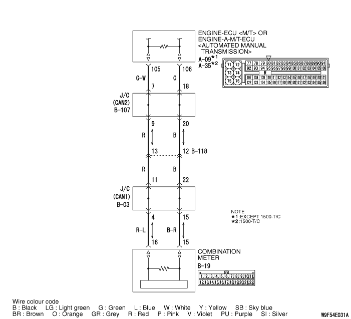
(1)Disconnect the joint connector (CAN2) and the engine-ECU <M/T> or
engine-A/T-ECU <A/T> connector, and measure at the wiring
harness side. (2)Ignition switch: OFF (LOCK) (3)
| caution |
When measuring the resistance, disconnect the negative battery
terminal. For details refer to .
|
Ensure that the negative battery terminal is disconnected.
|

|
(4)Continuity between B-107 joint connector (CAN2) terminal No.7 and A-09 engine-ECU <M/T> or
engine-A/T-ECU <A/T> connector terminal No.105 <except
1500-T/C> OK: 2 ohms or less
|

|
(5)Continuity between B-107 joint connector (CAN2) terminal No.18 and A-09 engine-ECU <M/T> or
engine-A/T-ECU <A/T> connector terminal No.106 <except
1500-T/C> OK: 2 ohms or less
|

|
(6)Continuity between B-107 joint connector (CAN2) terminal No.7 and A-35 engine-ECU connector
terminal No.105 <1500-T/C> OK: 2 ohms or less
|

|
(7)Continuity between B-107 joint connector (CAN2) terminal No.18 and A-35 engine-ECU connector
terminal No.106 <1500-T/C> OK: 2 ohms or less
| caution |
Strictly observe the specified wiring harness repair procedure.
For details refer to .
|
Q.
Are the check results normal?
<All the resistances measure 2 Ω or less> Power supply
to the engine-ECU <M/T> or engine-A/T-ECU <A/T> may
be suspected. Diagnose the engine control system. Refer to <1100> or <1300
or 1500 (except T/C) > or <1500 (T/C) >.
<Either or all of the voltages measure more than 2 Ω> Repair
the wiring harness between the joint connector (CAN2) and the engine-ECU <M/T> or
engine-A/T-ECU <A/T> connector.
|