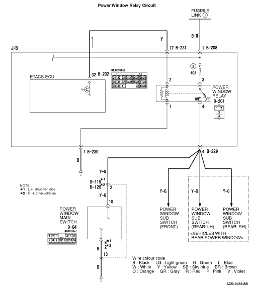
Inspection Procedure 1: Power windows do not Work at All.



caution Whenever the ECU is replaced, ensure that the input and output signal circuits are normal.




COMMENTS ON TROUBLE SYMPTOM


If the power windows do not work at all, the power window relay, the power window main switch or the ETACS-ECU may be defective.

PROBABLE CAUSES



  • Malfunction of the power window relay
  • Malfunction of the power window main switch
  • Malfunction of the ETACS-ECU
  • Damaged harness wires and connectors

DIAGNOSIS PROCEDURE


STEP 1. M.U.T.-III data list


Check the input signals below, which are related to the lamp reminder buzzer function.

  • Ignition switch: ON
Item name
Normal condition
Ignition Switch (IG1)
ON
OK: Normal conditions are displayed for all the items.

Q. Is the check result normal?

Go to Step 2.
Refer to GROUP 54B, Inspection Procedure J-3 "The ignition switch (IG1) signal is not received ."

STEP 2. Connector check: B-201 power window relay connector




Q. Is the check result normal?

Go to Step 3.

Repair the connector.

STEP 3. Check the power window relay.


Refer to <COLT> or <COLT CZ3>.

Q. Is the check result normal?

Go to Step 4.
Replace the power window relay.

STEP 4. Voltage measurement at the B-201 power window relay connector.




(1)Disconnect the connector, and measure at the junction block side.
(2)Turn the ignition switch to the ON position.

(3)Check the voltage between the B-201 power window relay connector terminal No.3 and body earth.
OK: System voltage

Q. Is the check result normal?

Go to Step 6.

Go to Step 5.

STEP 5. Check the wiring harness between B-201 power window relay connector terminal No.3 and fusible link (1).




note Prior to the wiring harness inspection, check junction block connector B-208, and repair if necessary.

  • Check the power supply line for open circuit.

Q. Is the check result normal?

The trouble can be an intermittent malfunction (Refer to GROUP 00, How to use Troubleshooting/inspection Service Points - How to Cope with Intermittent Malfunction ).

Repair the wiring harness.

STEP 6. Voltage measurement at the B-201 power window relay connector.




(1)Disconnect the connector, and measure at the junction block side.
(2)Turn the ignition switch to the ON position.

(3)Check the voltage between the B-201 power window relay connector terminal No.2 and body earth.
OK: System voltage

Q. Is the check result normal?

Go to Step 9.

Go to Step 7.

STEP 7. Connector check: C-232 ETACS-ECU connector




Q. Is the check result normal?

Go to Step 8.

Repair the connector.

STEP 8. Check the wiring harness between B-232 ETACS-ECU connector terminal No.32 and B-201 power window relay connector terminal No.2.






note Prior to the wiring harness inspection, check junction block connector B-231, and repair if necessary.

  • Check the power supply line for open circuit.

Q. Is the check result normal?

The trouble can be an intermittent malfunction (Refer to GROUP 00, How to use Troubleshooting/inspection Service Points - How to Cope with Intermittent Malfunction ).

Repair the wiring harness.

STEP 9. Resistance measurement at the B-201 power window relay connector.




(1)Disconnect the connector, and measure at the junction block side.

(2)Continuity between B-201 power window relay connector terminal No.1 and body earth
OK: Continuity (Less than 2 Ω)

Q. Is the check result normal?

Go to Step 11.

Go to Step 10.

STEP 10. Check the wiring harness between B-201 power window relay connector terminal No.1 and body earth.






note Prior to the wiring harness inspection, check junction block connector B-230, and repair if necessary.

  • Check the earth wires for open circuit.

Q. Is the check result normal?

The trouble can be an intermittent malfunction (Refer to GROUP 00, How to use Troubleshooting/inspection Service Points - How to Cope with Intermittent Malfunction ).

Repair the wiring harness.

STEP 11. Connector check: D-04 power window main switch connector




Q. Is the check result normal?

Go to Step 12.

Repair the connector.

STEP 12. Voltage measurement at the D-04 power window main switch connector.




(1)Disconnect the connector, and measure at the wiring harness side.
(2)Turn the ignition switch to the ON position.

(3)Check the voltage between the D-04 power window main switch connector terminal No.10 and body earth.
OK: System voltage

Q. Is the check result normal?

Go to Step 14.

Go to Step 13.

STEP 13. Check the wiring harness between B-201 power window relay connector terminal No.4 and D-04 power window main switch connector terminal No.10.










note Prior to the wiring harness inspection, check intermediate connector B-119 <LH drive vehicles>, B-120 <RH drive vehicles> and junction block connector B-229, and repair if necessary.

  • Check the power supply line for open circuit.

Q. Is the check result normal?

The trouble can be an intermittent malfunction (Refer to GROUP 00, How to use Troubleshooting/inspection Service Points - How to Cope with Intermittent Malfunction ).

Repair the harness wire.

STEP 14. Resistance measurement at the D-04 power window main switch connector.




(1)Disconnect the connector, and measure at the wiring harness side.

(2)Check the resistance between D-04 power window main switch connector terminal No.8 and body earth. <LH drive vehicles>
OK: Continuity (Less than 2 Ω)

(3)Check the resistance between D-04 power window main switch connector terminal No.2 and body earth. <RH drive vehicles>
OK: Continuity (Less than 2 Ω)

Q. Is the check result normal?

Go to Step 16.

Go to Step 15.

STEP 15. Check the wiring harness between D-04 power window main switch connector terminal No.8 <LH drive vehicles> or terminal No.2 <RH drive vehicles> and body earth.






note Prior to the wiring harness inspection, check intermediate connector B-119 <LH drive vehicles>, B-120 <RH drive vehicles> and repair if necessary.

  • Check the earth wires for open circuit.

Q. Is the check result normal?

The trouble can be an intermittent malfunction (Refer to GROUP 00, How to use Troubleshooting/inspection Service Points - How to Cope with Intermittent Malfunction ).

Repair the wiring harness.

STEP 16. Retest the system.


(1)Replace the power window main switch.
(2)Check that the all the power windows work normally.

Q. Is the check result normal?

The trouble can be an intermittent malfunction (Refer to GROUP 00, How to use Troubleshooting/inspection Service Points - How to Cope with Intermittent Malfunction ).
Replace the ETACS-ECU. Then perform the variant coding (Refer to GROUP 00, Precautions Before Service - How to Perform Variant Coding ).