GENERAL INFORMATION



The ABS (with EBD) that ensures directional stability and controllability during hard braking has been equipped as a standard.
This ABS uses a 4-sensor system that controls all four wheels independently of each other, and has the following features:

note
  • *1: EBD (Electronic Brake-force Distribution)
  • *2: For more details about CAN (Controller Area Network), refer to GROUP 54C - General Information .
  • *3: ESS, refer to .

SPECIFICATIONS


Item
Specification
ABS control type
4 sensors
Wheel speed sensor
Magnetic encoder
Front
86 (N pole: 43, S pole: 43)
Rear
86 (N pole: 43, S pole: 43)
Type
Semiconductor


CONSTRUCTION DIAGRAM


MAIN COMPONENTS AND FUNCTIONS
Name of part
Number
Outline of function
Sensor

Wheel speed sensor
1
Outputs the frequency signal in proportion to the rotation speed of each wheel to ABS-ECU.
Magnetic encoder for wheel speed detection
2
When the magnetic encoder for wheel speed detection (a plate on which north and south pole sides of the magnets are arranged alternately) rotates, the wheel speed sensor outputs frequency pulse signal in proportion to each wheel speed.
Stop lamp switch
3
Outputs the signal indicating whether the brake pedal is depressed or not to ABS-ECU.
Actuator
Hydraulic unit
4
Drives the solenoid valve using the signal from ABS-ECU, and controls the brake fluid pressure for each wheel.
ABS warning lamp
5
Informs the driver of the system status by illuminating, flashing, or turning off the warning lamp according to the signal from ABS-ECU.
Brake warning lamp
6
Used as the warning lamp for the parking brake, brake fluid level, and EBD control. Informs the driver of the system status by illuminating or turning off the warning lamp according to the signal from ABS-ECU.
Diagnosis connector
7
Outputs the diagnosis code and establishes the communication with M.U.T-III.
ABS control unit (ABS-ECU)
8
Controls actuators (described above) based on the signals coming from each sensor.
Controls the self-diagnosis and fail-safe functions.
Controls the diagnosis function (M.U.T-III compatible).

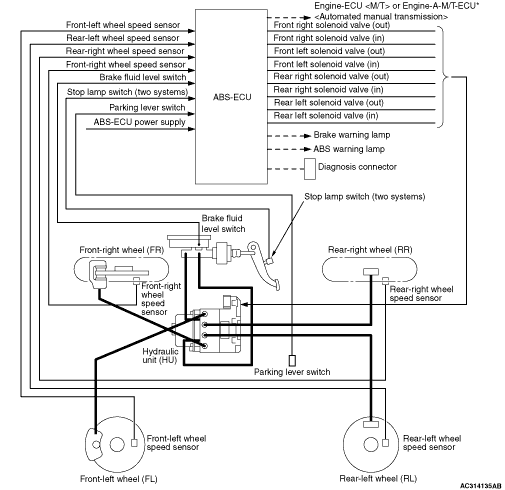
SYSTEM CONFIGURATION




note
  • Dashed lines indicate the CAN bus communication lines.
  • *: Engine Automated Manual Transmission Electronic Control Unit

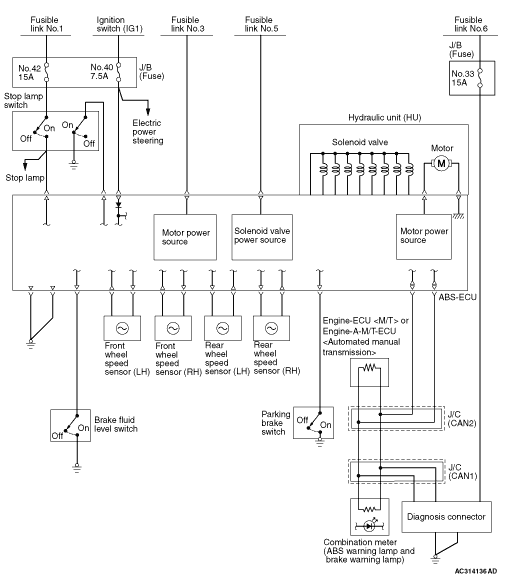
ABS ELECTRICAL DIAGRAM