|
|
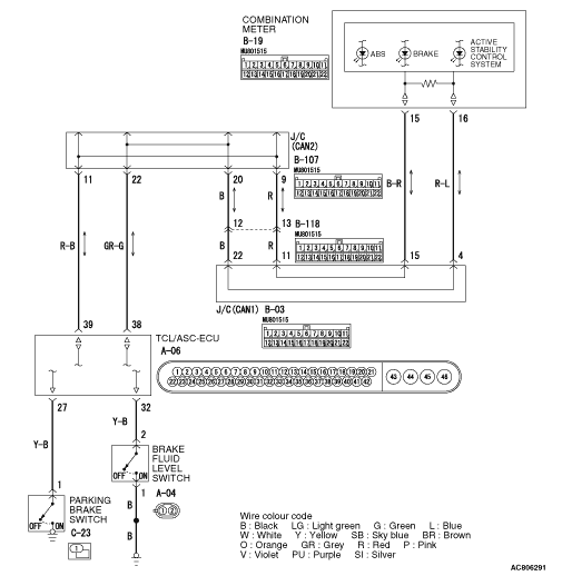
- When the parking brake lever is pulled, the parking brake switch is turned
from OFF to ON. TCL/ASC-ECU monitors the parking brake switch, and instructs the combination
meter via the CAN bus line to illuminate the brake warning lamp.
- When reduction of the brake fluid amount is detected, the brake fluid level switch
is turned from OFF to ON. TCL/ASC-ECU monitors the brake fluid level switch, and instructs
the combination meter via the CAN bus line to illuminate the brake warning lamp.
|
|
|
This may be caused by earth fault in the parking brake switch or brake fluid level switch
circuit.
|
|
|
- The brake pad thickness is at the limit value or less.
- The brake fluid amount is at the "LOWER" level or lower.
- Poor adjustment of the parking brake lever
- Damaged wiring harness and connectors
- Parking brake switch malfunction
- Brake fluid level switch malfunction
- Combination meter malfunction
- Malfunction of TCL/ASC-ECU
|
|
|
Use M.U.T.-III to diagnose the CAN bus lines.
|
|
|
Q.
Is the check result normal?
|
|
|
Repair the CAN bus lines. (Refer to GROUP 54C - CAN Bus Diagnosis table .)
|
|
|
|
|
|
Use M.U.T.-III to check the diagnosis code for the TCL/ASC-ECU system.
|
|
|
Q.
Is the diagnosis code set?
|
|
|
Carry out the diagnosis for the diagnosis code.
|
|
|
|
|
|
Perform the following actuator test by the combination meter system, and check if the
brake warning lamp illuminates. (Refer to GROUP 54A - Combination Meter, Actuator Test Table .)
|
|
|
- Item No.20: Indicator lamp 1
|
|
|
Q.
Is the check result normal?
|
|
|
Diagnose the combination meter. (Refer to GROUP 54A - Combination Meter,
Trouble Symptom Chart <COLT> <COLT
CZ3>.) Then go to Step 13.
|
|
|
|
|
|
Check that the brake fluid is filled up to the "MIN" level or higher.
|
|
|
Q.
Is the check result normal?
|
|
|
Refer to GROUP 35A - On-vehicle Service, Brake Pad Check .
|
|
|
Q.
Is the check result normal?
|
|
|
Fill the brake fluid up to the "MAX" level. Then go to Step 13.
|
|
|
|
|
|
Replace the brake pad. (Refer to GROUP 35A - On-vehicle Service, Brake
Pad Replacement .) Then go to Step 13.
|
|
|
|




|
Q.
Is the check result normal?
Go to Step 7.
Repair the damaged connector. Then go to Step 13.
|

|
(1)Disconnect the TCL/ASC-ECU connector, connect special tool ABS check harness
(MB991984) to the harness-side connector, and then measure the resistance at the special tool
connector side.
| note |
Do not connect the special tool ABS check harness (MB991984) to TCL/ASC-ECU.
|
(2)Disconnect the A-04 brake fluid level switch connector.
|

|
(3)Measure the resistance between the brake fluid level switch signal terminal No.3 and the
body earth. OK: No continuity
Q.
Is the check result normal?
Go to Step 8.
The wiring harness between the A-04 brake fluid level switch connector terminal
No. 2 and the A-06 TCL/ASC-ECU connector terminal No. 3 is short-circuited, thus repair
it. Then go to Step 13.
|

|
(1)Disconnect the TCL/ASC-ECU connector, connect special tool ABS check harness
(MB991984) to the harness-side connector, and then measure the resistance at the special tool
connector side.
| note |
Do not connect the special tool ABS check harness (MB991984) to TCL/ASC-ECU.
|
(2)Disconnect the C-23 parking brake switch connector.
|

|
(3)Measure the resistance between the parking brake switch signal terminal No.17 and the
body earth. OK: No continuity
Q.
Is the check result normal?
Go to Step 9.
The wiring harness between the C-23 parking brake switch connector terminal No.
1 and the A-06 TCL/ASC-ECU connector terminal No. 17 is short-circuited, thus repair
it. Then go to Step 13.
|
|
|
Refer to GROUP 35A - On-vehicle Service, Brake Fluid Level Switch Check .
|
|
|
Q.
Is the check result normal?
|
|
|
Replace the reservoir tank assembly. (Refer to GROUP 35A - Master Cylinder
Assembly · Brake Booster Assembly <LHD> <RHD>.)
Then go to Step 13.
|
|
|
|
|
|
Refer to GROUP 36 - On-vehicle Service .
|
|
|
Q.
Is the check result normal?
|
|
|
Adjust the parking brake lever stroke. (Refer to GROUP 36 - On-vehicle
Service .) Then go to Step 13.
|
|
|
|
|
|
Refer to GROUP 36 - On-vehicle Service .
|
|
|
Q.
Is the check result normal?
|
|
|
Replace the parking brake switch. (Refer to GROUP 36 - Parking Brake
Lever .) Then go to Step 13.
|
|
|
|
|
|
Q.
Does the brake warning lamp turn ON and OFF normally according to the parking brake
lever operation?
|
|
|
Intermittent malfunction (Refer to GROUP 00 - How to Cope with Intermittent
Malfunction .)
|
|
|
|
|
|
Replace the hydraulic unit (integrated with TCL/ASC-ECU) (Refer to ).
Then go to Step 13.
|
|
|
|
|
|
Q.
Does the brake warning lamp turn ON and OFF normally according to the parking brake
lever operation?
|
|
|
This diagnosis is complete.
|
|
|
|