REMOVAL AND INSTALLATION



caution
  • Before removing the steering wheel and air bag module assembly, always refer to GROUP 52B, Service Precautions , Air Bag Module and Clock Spring . Also, set the front wheels so that they are facing straight forward, and remove the ignition key. If you fail to do this, the SRS clock spring will be damaged, causing the SRS air bag to be inoperative and serious injury.
  • *: Indicates parts which should be temporarily tightened, and then fully tightened with the vehicle on the earth in the unladen condition.
Pre-removal Operation
  • Steering Wheel Air Bag Module Assembly Removal (Refer to GROUP 37, Steering Wheel ).

Post-installation Operation
  • Clock Spring Centring (Refer to GROUP 52B, Air Bag Modules and Clock Spring ).
  • Steering Wheel Air Bag Module Assembly Installation (Refer to GROUP 37, Steering Wheel ).
  • Press the dust cover with a finger to check whether the dust cover cracked or damaged.
  • Checking Steering Wheel Position with Wheels Straight Ahead.
  • Front Wheel Alignment Check and Adjustment (Refer to GROUP 33, On-vehicle Service - Front Wheel Alignment Check and Adjustment ).


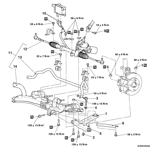
<Except for 4G1>



Removal steps
<<A>>

1.
Self-lock nut (Tie-rod end and knuckle connection)

>>C<<
2.
Stabilizer link bush A

>>C<<
3.
Stabilizer link bush B

>>C<<
4.
Stabilizer link inner bush


5.
Self-locking nut (securing the lower arm to the knuckle)
<<A>>

6.
Lower arm and knuckle connection


7.
Lower arm assembly


8.
Steering shaft assembly and gear box connecting bolt


·
Cowl side trim (Refer to GROUP 52A, Interior Trim ) <COLT>.


·
Cowl side trim (Refer to GROUP 52A, Interior Trim ) <COLT CZ3>.


9.
Electric power steering control unit connector connection


·
Front exhaust pipe hanger (Refer to GROUP 15, Exhaust Pipe and Main Muffler ).


·
Engine roll stopper rod assembly (Refer to ).
<<B>>

10.
Steering gear and linkage, stabilizer bar and front axle No.1 crossmember assembly


11.
Steering gear and linkage

>>A<<
12.
Stabilizer bar


13.
Front axle No.1 crossmember


<4G1>



Removal steps
<<A>>

1.
Self-locking nut (securing the tie-rod end to the knuckle)

>>B<<
2.
Stabilizer link bush A

>>B<<
3.
Stabilizer link assembly

>>B<<
4.
Stabilizer link bush B


5.
Self-locking nut (securing the lower arm to the knuckle)
<<A>>

6.
Lower arm and knuckle connection


7.
Lower arm assembly


8.
Front suspension axle side plate


9.
Steering shaft assembly and gear box connecting bolt


·
Cowl side trim (Refer to GROUP 52A, Interior Trim ) <COLT>.


·
Cowl side trim (Refer to GROUP 52A, Interior Trim ) <COLT CZ3>.


10.
Electric power steering control unit connector connection


·
Front exhaust pipe hanger (Refer to GROUP 15, Exhaust Pipe and Main Muffler ).


·
Engine roll stopper rod assembly (Refer to ).
<<B>>

11.
Steering gear and linkage, stabilizer bar and front axle No.1 crossmember assembly


12.
Steering gear and linkage

>>A<<
13.
Stabilizer bar


14.
Front axle No.1 crossmember

REMOVAL SERVICE POINTS



<<A>> SELF-LOCK NUT (TIE-ROD END AND KNUCKLE CONNECTION) REMOVAL



1.
caution
  • Do not remove the self-lock nut from the ball joint, but only loosen it, and use the special tool.
  • To prevent the special tool from dropping off, suspend it with a cord.
Install special tool ball joint remover (MB991897or MB992011) as shown in the figure.

2.Turn the bolt and knob to make the special tool jaws parallel, then hand-tighten the bolt. After tightening, check that the jaws are still parallel.
note To adjust the special tool jaws to be parallel, set the knob as shown in the figure so that it functions as a fulcrum of the jaws.
3.Turn the bolt and disconnect the tie-rod end from the steering knuckle.

<<B>> STEERING GEAR AND LINKAGE, STABILIZER BAR AND FRONT AXLE NO.1 CROSSMEMBER ASSEMBLY REMOVAL



1.Use a transmission jack to hold the front axle No.1 crossmember, and then remove the crossmember mounting bolts.
2.Lower the front axle No.1 crossmember with the stabilizer bar and the steering gear.

INSTALLATION SERVICE POINTS



>>A<< STABILIZER BAR INSTALLATION



Align the stabilizer bar identification mark with the right end of the bushing (LH).

>>B<< STABILIZER LINK BUSH B/STABILIZER LINK ASSEMBLY/STABILIZER LINK BUSH A INSTALLATION <4G1>



Tighten the nut until the stabilizer link thread part protruding length meets the standard value.
Standard value (A): 5 ± 1.5 mm

>>C<< STABILIZER LINK INNER BUSH/STABILIZER LINK BUSH B/STABILIZER LINK BUSH A INSTALLATION <Except for 4G1>



Tighten the nut until the stabilizer link thread part protruding length meets the standard value.
Standard value (A): 22.7 ± 1.5 mm