Inspection Procedure 6: Allshift lever system malfunction

OPERATION
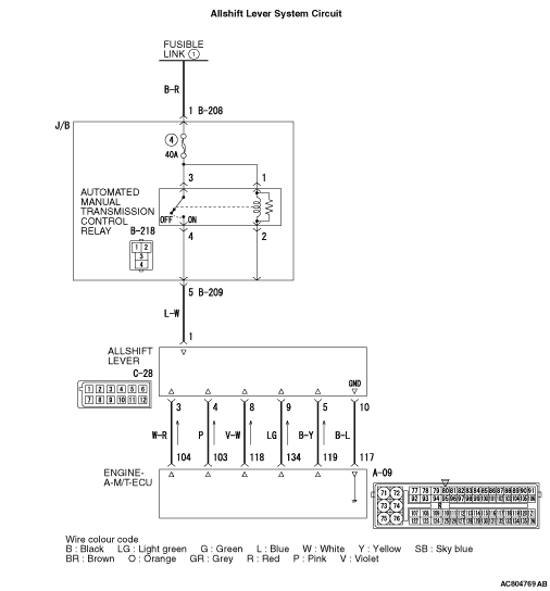
The allshift lever detects the lever position which the driver has selected, and sends the information to the engine-A-M/T-ECU.
PROBABLE CAUSES
- Malfunction of allshift lever
- Damaged harness wires and connectors
- Malfunction of the engine-A/T-ECU
|
|
STEP 1. Measure the voltage at allshift lever connector C-28.
|

|
(1)Disconnect the connector, and measure the voltage between terminal 1 and earth at the wiring harness side. (2)Turn the ignition switch to the ON position. OK: System voltage
Q.
Is the check result normal?
Go to Step 4.
Go to Step 2.
|
|
|
STEP 2. Connectors check: B-209 J/B connector, C-28 allshift lever connector.
|



|
Check for the contact with terminals.
Q.
Is the check result normal?
Go to Step 3.
Repair the defective connector.
|
|
|
STEP 3. Check the wiring harness between J/B connector B-209 terminal No.5 and allshift lever connector C-28 terminal No.1.
|



|
Check the wiring harness for short and open circuit.
Q.
Is the check result normal?
Go to Step 4.
Repair the wiring harness.
|
|
|
STEP 4. Connectors check: A-09 engine-A-M/T-ECU connector, C-28 allshift lever connector.
|


|
Check for the contact with terminals.
Q.
Is the check result normal?
Go to Step 5.
Repair the defective connector.
|
|
|
STEP 5. Check the wiring harness between allshift lever connector C-28 terminal No.3, 4, 5, 8, 9, 10 and engine-A-M/T-ECU connector A-09 terminal No.104, 103, 119, 118, 134, 117.
|


|
Check the wiring harness for short and open circuit.
Q.
Is the check result normal?
Go to Step 6.
Repair the wiring harness.
|
|
|
STEP 6. Allshift lever replacement.
|
|
|
(1)Replace the allshift lever.
|
|
|
(2)Test drive the vehicle.
|
|
|
(3)Check if a malfunction takes place again.
|
|
|
Q.
Does a malfunction take place again?
|
|
|
Go to Step 7.
|
|
|
|
|
|
The inspection is complete.
|
|
|
|
|
|
STEP 7. Engine-A-M/T-ECU replacement.
|
|
|
(1)Replace the engine-A-M/T-ECU. Then perform the variant coding and write the VIN data (Refer to GROUP 00, Precautions Before Service - How to Perform Variant Coding ).
|
|
|
(2)Test drive the vehicle.
|
|
|
(3)Check if a malfunction takes place again.
|
|
|
Q.
Does a malfunction take place again?
|
|
|
Go to Step 1.
|
|
|
|
|
|
The inspection is complete.
|
|
|
|