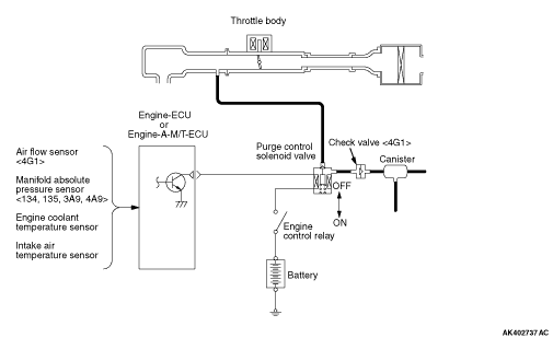
GENERAL INFORMATION
(EVAPORATIVE EMISSION CONTROL SYSTEM)
The evaporative emission control system prevents fuel vapours generated
in the fuel tank from escaping into the atmosphere.
Fuel vapours from the fuel tank flow through the fuel tank pressure control valve and
vapour pipe/hose to be stored temporarily in the canister.
When driving the vehicle, fuel vapours stored in the canister flow through the gurge control
solenoid valve and purge port and go into the inlet manifold to be sent to the combustion chamber.
When the engine coolant temperature is low or when the intake air quantity is small (when
the engine is at idle, for example), the engine control unit turns the purge solenoid off to
shut off the fuel vapour flow to the inlet manifold.
This does not only insure the driveability when the engine is cold or running under low
load but also stabilize the emission level.
SYSTEM DIAGRAM
