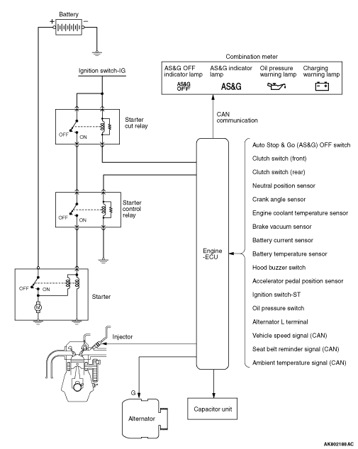
AUTO STOP & GO (AS&G) SYSTEM <Vehicles with AS&G system>


To reduce the CO2 emissions from the vehicle, the engine-ECU monitors the driving conditions by using the various sensors. If the specified conditions are satisfied, the engine-ECU stops the engine (auto stop). When the driver depresses the clutch pedal, the engine-ECU restarts the engine (auto start).



Auto Stop & Go (AS&G) Mode



When the ignition switch is turned ON or when the engine starts, the AS&G mode is automatically turned ON. The driver can turn OFF the AS&G mode by optionally pressing the Auto Stop & Go (AS&G) OFF switch for several seconds. At that time, the AS&G OFF indicator lamp is illuminated in the combination meter. When the Auto Stop & Go (AS&G) OFF switch is pressed again for the specified time, the AS&G mode is turned ON.

Auto Stop & Go (AS&G) Mode



When the following operation is carried out in the AS&G mode ON status, the engine-ECU carries out the fuel cut to stop the engine.

  1. While letting the vehicle run and stop, the clutch pedal is depressed to place the transmission in neutral.
  2. When the clutch pedal is released, the engine automatically stops. During the auto stop, the AS&G indicator lamp is illuminated in the combination meter.
When one or more of following conditions are satisfied, the engine-ECU prohibits the auto stop.

  • The driver’s seat belt is unfastened.
  • The hood is opened.
  • More than the vehicle speed of approximately 5 km/h is not detected even once after the engine start, including the engine start of the auto start.
  • The vacuum pressure of the brake booster is less than specified value.
  • Approximately 3 minutes have not been taken since the engine starts after the ignition switch is turned to the "LOCK" (OFF) position.
  • Approximately 30 seconds have not been taken since the engine starts after the ignition switch is turned to the ON position.
  • If the vehicle is stopped again within approximately 10 seconds of the engine auto start.
  • The engine coolant temperature is lower than approximately 60°C.
  • The ambient temperature is lower than approximately 3°C.
  • The auto stop prohibition signal is received from the A/C-ECU. (Refer to GROUP 55 - A/C-ECU )
  • When one or more of the following conditions are satisfied, the vehicle is in "auto stop prohibition status" by electrical load.

    1. The amount of the vehicle current consumption is more than the specified value.
    2. The power generation control is in the forcible full charge mode (Refer to ).
  • When the battery is determined as being deteriorated,(Refer to )
  • The abnormality of the engine and that of the AS&G system are detected.
  • The learning of the neutral position is not completed.
note When the learning of the neutral position is not completed, the AS&G indicator lamp is blinked in the combination meter.

Auto Start Control


caution If the following motions are carried out during the auto stop even one time, the engine-ECU blinks the AS&G indicator lamp in the combination meter and prohibits the auto start. Even if trying to return to the previous status after that, the auto start is prohibited. When restarted, the engine must be started by the key.

  • In case the hood is opened
  • In case the driver’s seat belt is unfastened

Normal Auto Start


When the driver depresses the clutch pedal during the auto stop, the engine-ECU swiftly starts the engine. When the engine starts, the AS&G indicator lamp is extinguished in the combination meter. When the following conditions are satisfied during the auto stop, the engine-ECU prohibits the auto start.

  • AS&G mode: OFF*
  • Transmission: except neutral
note *: The auto start is possible by pressing the Auto Stop & Go (AS&G) OFF switch again to turn ON the AS&G mode.

Forcible Auto Start


When all of the following conditions are satisfied during the auto stop, the engine-ECU swiftly starts the engine despite the driver’s will. The AS&G indicator lamp is extinguished in the combination meter and the engine swiftly starts.

  • The vehicle speed is more than 3 km/h.
  • The vacuum pressure of the brake booster is less than specified value.
  • When the steering wheel is turned.
  • The water temperature is lower than approximately 55°C.
  • The auto stop prohibition signal is received from the A/C-ECU (Refer to GROUP 55 - A/C-ECU ).
  • The amount of vehicle current consumption is more than the specified value.
When the following conditions are satisfied during the auto stop, the engine-ECU prohibits the forcible auto start.

  • AS&G mode: OFF*
  • Transmission: except neutral
note *:The forcible auto start is possible by pressing the Auto Stop & Go (AS&G) OFF switch again to turn ON the AS&G mode.

Capacitor relay control


To prevent the jumpiness phenomenon of the radio with CD player due to the battery voltage drop at the auto start, the capacitor unit is installed between the ignition switch-ACC and the radio with CD player. (Refer to GROUP 54A - Radio With CD Player, Antenna, Speaker ). The engine-ECU temporarily switches the electrical source of the radio with CD player to the electrical source charged in the capacitor unit from the ignition switch-ACC at the auto start by turning ON the capacitor unit relay. After the auto start is completed, the engine-ECU turns OFF the capacitor unit relay to return the electrical source of the radio with CD player to the ignition switch-ACC.

AS&G system indicator lamp control



The engine-ECU sends the signal to the combination meter through the CAN, corresponding to the AS&G system. The combination meter that received the signal illuminates the indicator lamp in the combination meter. Then the AS&G system status is informed to the driver.
AS&G mode
Condition
Indicator lamp
AS&G OFF indicator lamp
AS&G indicator lamp
OFF
Ignition switch: ON (engine is stopped.); After several seconds are taken
Illuminated
Extinguished
During engine running
Illuminated
Extinguished
ON
Ignition switch: ON (engine is stopped.); After several seconds are taken
Extinguished
Extinguished
During idling and driving
Extinguished
Extinguished
During auto stop*1
Extinguished
Illuminated
Hood is opened.
Extinguished
Blinked
Driver’s seat belt is unfastened.
Extinguished
Blinked
During auto stop, shift lever is changed.*2
Extinguished
Blinked
Neutral position is not learned.
Extinguished
Blinked
ON/OFF
After ignition switch ON; for several seconds
Illuminated
Illuminated
AS&G system is abnormal.
Blinked
Extinguished
note *1: During the auto stop, the engine-ECU maintains the status being just before the auto stop of the oil pressure warning lamp and that of the charging warning lamp. Then the oil pressure warning lamp and the charging warning lamp are normally extinguished during the auto stop.
note *2: When detecting that the shift lever is changed during the auto stop, the engine-ECU sends the signal to the ETACS through the CAN to sound the warning buzzer built in the ETACS. This warns the driver about the dangerous driving, prohibiting the auto start.