
|
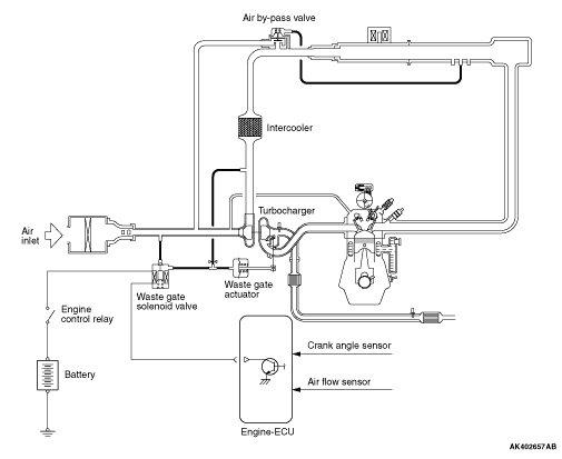
The engine-ECU turns the power transistor ON and, when normal current (duty 100%)
flows in the waste gate solenoid valve coil, the waste gate solenoid valve does not open if
turbo pressure does not rise above the set pressure of the waste gate actuator spring since
some of the turbo pressure used in the waste gate actuator leaks out. On the other hand, when current does not flow in the waste gate solenoid valve coil (duty
0%), the waste gate valve opens if turbo pressure rise to the set pressure of the waste gate
actuator spring since no pressure leaks out. Consequently, by using duty control for the waste gate solenoid valve, turbo pressure
can be controlled in a range from 0% to 100% duty. This duty control is performed
in cycles of approximately 60ms.
|