Free Japan Cars Factory Service Manuals
[ICO]NameSize
[PARENTDIR]Parent Directory -
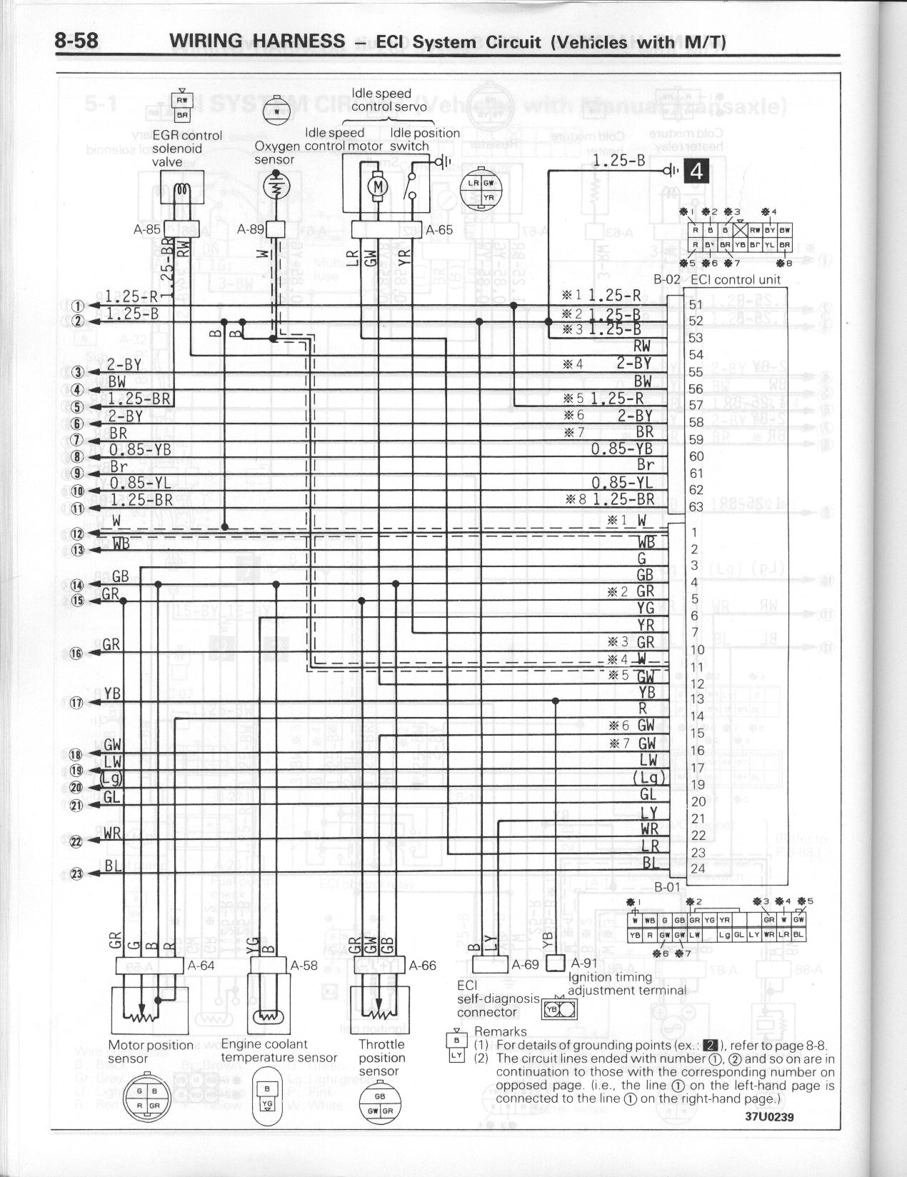
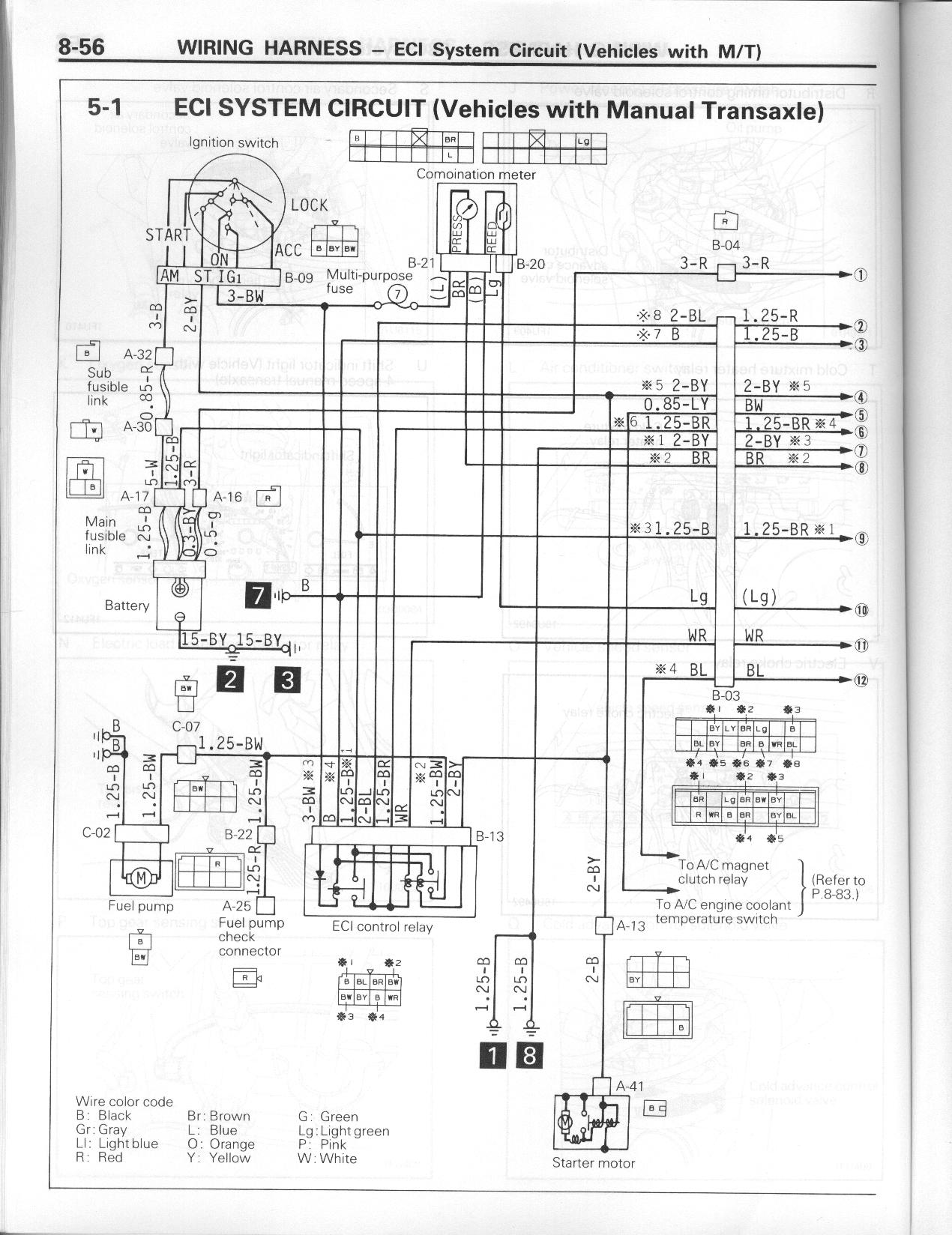
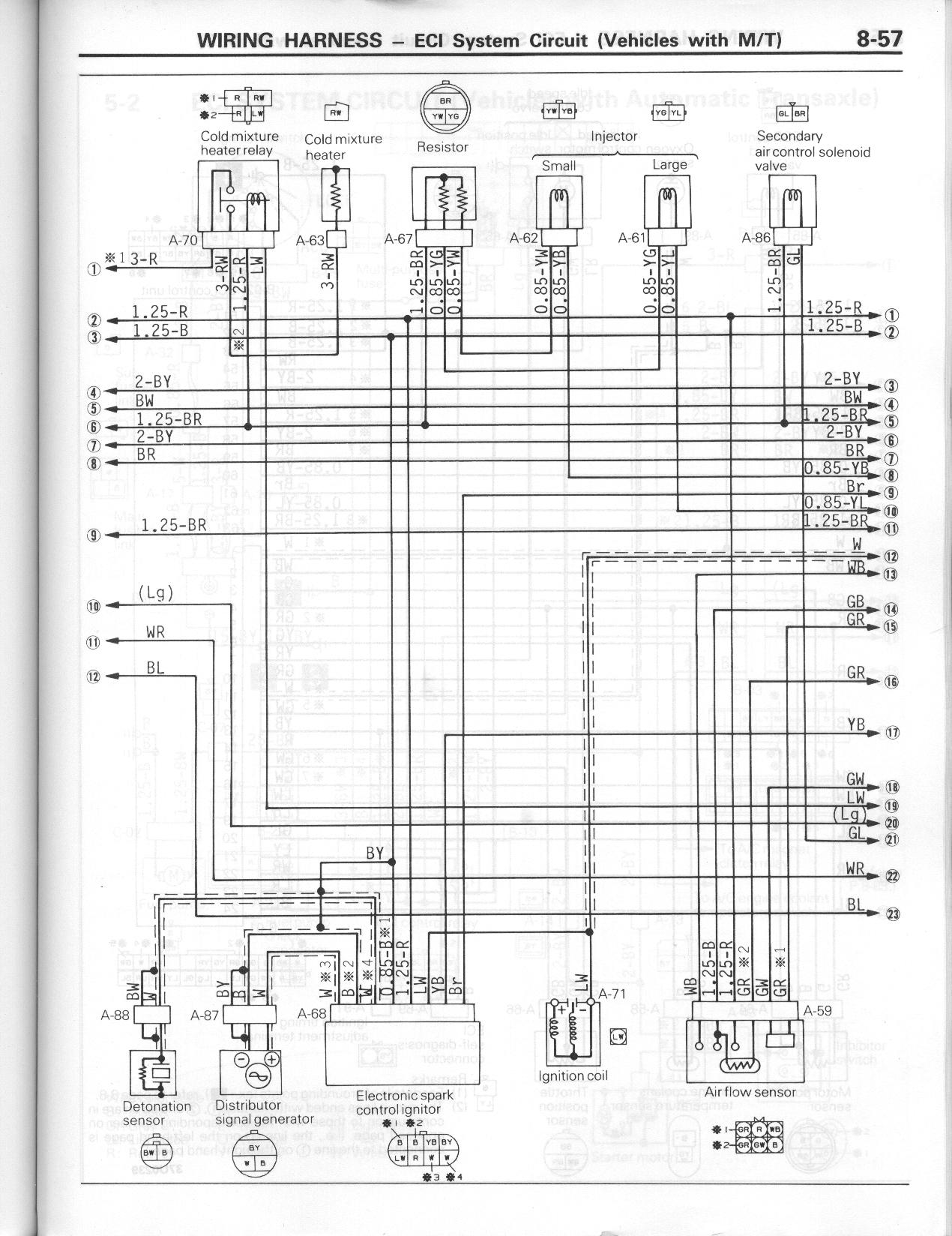
[IMG]1987wiring1.jpg283K
[IMG]1987wiring2.jpg280K
[IMG]1987wiring3.jpg307K
[   ]Electric manual Mitsubishi Colt C50.pdf 12M
Thanks to donations there are no ads! All manuals are available on downloadable archives HERE. You will get the pass with 5 EUR donation. If you have new service manuals, send them my way to be shared with the fellow owners!   
Contact