Previous Next

COMPONENT TESTING

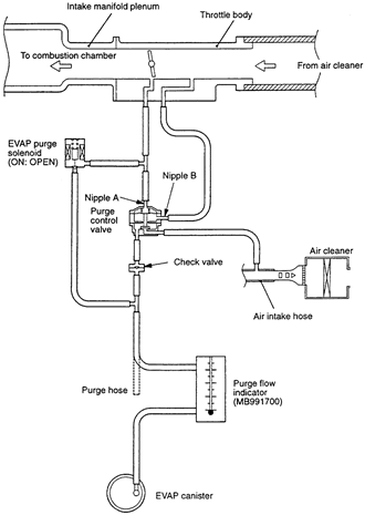
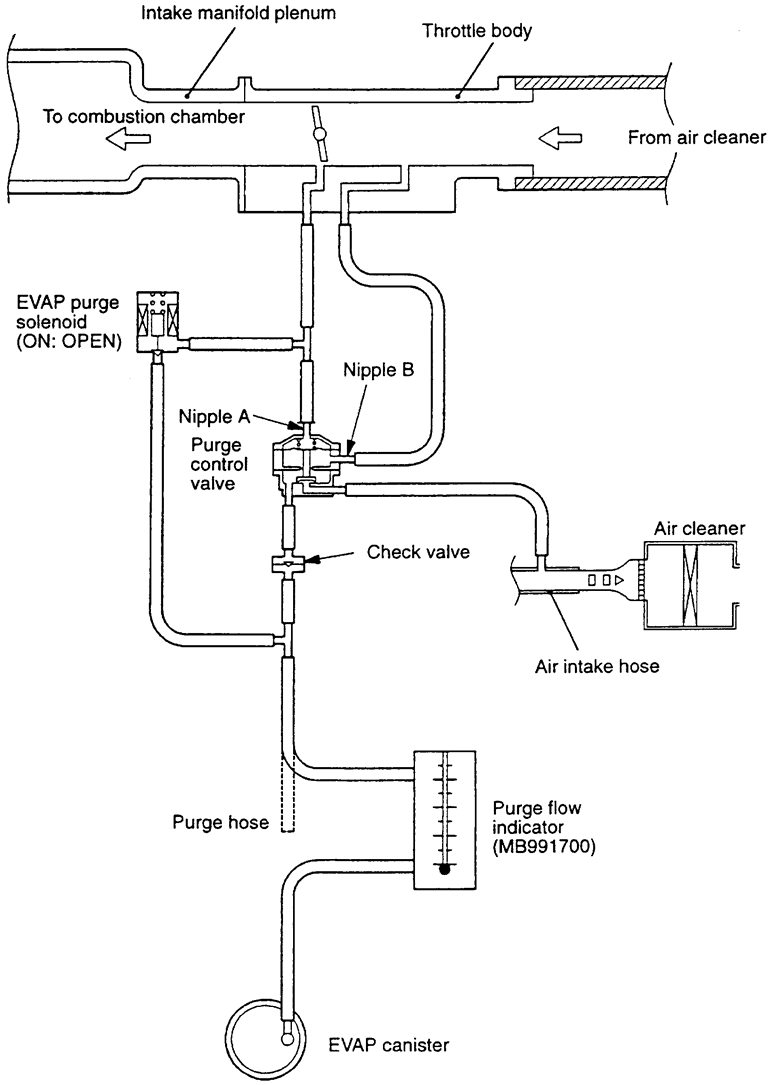
Purge Control System Check
1990–93 VEHICLES EXCEPT 1990–92 2.0L DOHC TURBO

Fig. 1: To test the purge control operation, connect the vacuum hose from the throttle body to a vacuum pump

  1. Disconnect the red striped vacuum hose from the throttle body and connect it to a hand held vacuum pump.
  2. Plug the open nipple on the throttle body.
  3. Using the hand pump, apply vacuum while the engine is idling. Check that vacuum is maintained or released as outlined below:
    1. With the engine coolant at 140°F (60°C) or less — 14.8 in. Hg of vacuum is maintained.
    2. With the coolant at 158°F (70°C) or higher — 14.8 in. Hg of vacuum is maintained.
  4. With the engine coolant at 158°F (70°C) or higher, run the engine at 3000 rpm within 3 minutes of starting vehicle. Try to apply vacuum using the hand held pump. Vacuum should leak.
  5. With the engine coolant at 158°F (70°C) or higher, run the engine at 3000 rpm after 3 minutes have elapsed after starting vehicle. Apply 14.8 in. Hg of vacuum. The vacuum should be maintained momentarily, after which it should leak.

    NOTE: The vacuum will leak continuously if the altitude is 7,200 ft. or higher, or the intake air temperature is 122°F (50°C) or higher.

  6. If the test results differ from the desired results, the purge control system is not operating properly.
1990–92 2.0L DOHC TURBO ENGINES
  1. Disconnect the purge air hose from the intake hose and plug the air intake hose.
  2. Connect a hand vacuum pump to the purge air hose.
  3. Under various engine conditions, inspect the system operation:
    1. Allow the engine to cool to a temperature of 140°F (60°C) or below.
    2. Start the engine and run at idle.
    3. Using the hand pump, apply 14.8 in. Hg of vacuum. In this condition, the vacuum should be maintained.
    4. Raise the engine speed to 3000 rpm.
    5. Using the hand pump, apply 14.8 in. Hg of vacuum. In this condition, the vacuum should be maintained.
  4. Run the engine until the coolant temperature reaches 158°F (70°C). Inspect system operations as follows:
    1. Using the hand pump, apply 14.8 in. Hg of vacuum with the engine at idle. In this condition, vacuum should be maintained.
    2. Increase the engine speed to 3000 rpm within 3 minutes of starting the engine. Try applying vacuum. The vacuum should leak.
    3. After 3 minutes have elapsed after starting engine, raise the engine speed to 3000 rpm. Apply 14.8 in. Hg of vacuum. Vacuum should be maintained momentarily, after which it will leak.

      NOTE: The vacuum will leak continuously if the altitude is 7200 ft. or higher or the air temperature is 122°F (50°C) or higher.

  5. If the results of either test differs from specifications, the system is not functioning properly and will require further diagnosis.
1994–00 VEHICLES

NOTE: This test requires the use of a special purge flow indicator tool, MB991700, or equivalent.

  1. Disconnect the purge hose from the EVAP canister, then connect Purge Flow Indicator MB991700, or equivalent between the canister and the purge hose.
  2. The engine should be warmed up to operating temperature, 170–203°F. (80–95°C), with all lights, fans and accessories off. The transaxle should be in Park for automatics or Neutral for manuals.

    Fig. 2: Purge control system check — 2.4L engine

  3. Run the engine at idle for at least 3–4 minutes.
  4. Check the purge flow volume when the brake is depressed suddenly a few times. The reading should be 2.5 SCFH (20cm/sec.)
  5. If the volume is less than the standard value, check it again with the vacuum hose disconnected from the canister. If the purge flow volume is less than the standard, check for blockages in the vacuum port and vacuum hose, and also inspect the evaporative emission purge solenoid and purge control valve.
  6. If the purge flow volume is at the standard value, replace the EVAP canister.
Purge Control Valve
1990–93 2.0L TURBO ENGINE
  1. The purge control valve is located to the right side of the battery. Remove the purge control valve from the engine compartment.
  2. Connect a hand vacuum pump to the vacuum nipple of the purge control valve.

    Fig. 3: Attach a hand vacuum pump to the nipple on the purge control valve

  3. Apply 15.7 in. Hg of vacuum and check air tightness. Blow in air lightly from the evaporative emission canister side nipple and check conditions as follows:
  4. Connect a hand vacuum pump to the positive pressure nipple of the purge control valve.
  5. Apply a vacuum of 15.7 in. Hg and check for air tightness. The valve should be air tight.
  6. If the results differ from the desired outcomes, replace the purge control valve.
Evaporative Emission Purge Solenoid
1990–93 VEHICLES EXCEPT 1990–92 2.0L DOHC TURBO
  1. Label and disconnect the 2 vacuum hoses from the purge control solenoid valve.
  2. Detach the electrical harness connector from the solenoid.
  3. Connect a hand vacuum pump to the nipple which the red striped vacuum hose was connected.

    Fig. 4: Use a hand-held vacuum gauge to check for air-tightness — 1990–93 2.0L non-turbo and 1993 2.0L turbo engines

  4. Check air tightness by applying a vacuum with voltage applied directly from the battery to the evaporative emission purge solenoid and without applying voltage. The desired results are as follows:
  5. Measure the resistance across the terminals of the solenoid. The desired reading is 36–44 ohms when at 68°F (20°C).

    Fig. 5: Battery voltage applied to the terminals of the evaporative emission purge solenoid

    Fig. 6: Measuring the resistance between the terminals of the evaporative emission purge solenoid

  6. If any of the test results differ from the desired outcomes, replace the purge control solenoid.
1990–92 2.0L DOHC TURBO ENGINE
  1. Label and disconnect the 2 vacuum hoses from the purge control solenoid valve.
  2. Detach the electrical harness connector from the solenoid.
  3. Connect a hand vacuum pump to the nipple which the red striped vacuum hose was connected.
  4. Check air tightness by applying a vacuum with voltage applied directly from the battery to the evaporative emission purge solenoid and without applying voltage. With battery voltage applied, vacuum should be maintained. Without voltage, vacuum should leak
  5. Measure the resistance across the terminals of the solenoid. The desired reading is 36–44 ohms when at 68°F (20°C).
  6. If any of the test results differ from the specifications, replace the emission purge control solenoid.
1994–00 VEHICLES
  1. Tag and disconnect the vacuum hoses from the solenoid valve.
  2. Detach the harness connector.
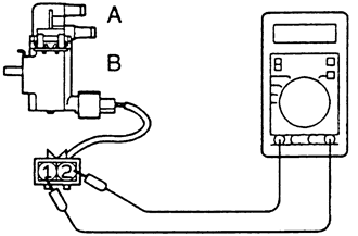
  3. Attach a hand-held vacuum pump to the nipple (A) of the solenoid valve, as shown in the accompanying figures.

    Fig. 7: Test connections for the evaporative purge solenoid — 2.4L engine

  4. Check air tightness by applying a vacuum with voltage applied directly from the battery to the evaporative emission purge solenoid and without applying voltage. The desired results are as follows:
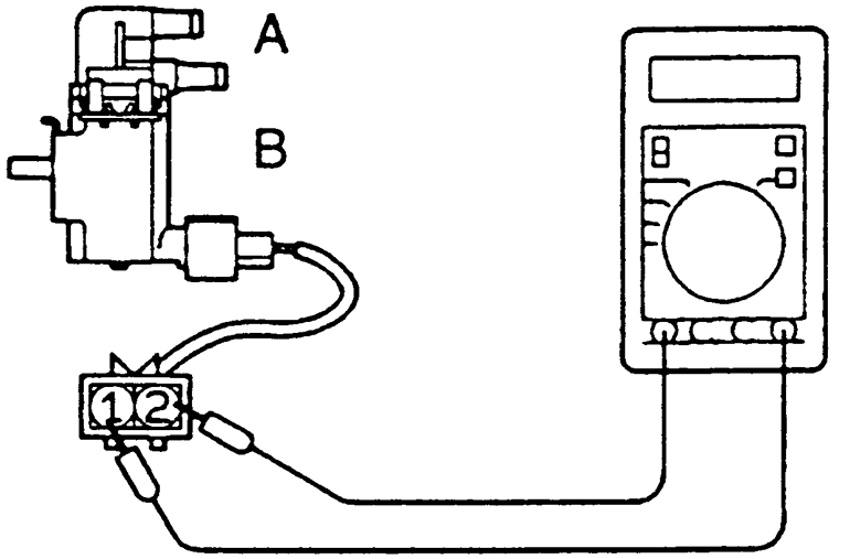
  5. Measure the resistance across the terminals of the solenoid. The standard values are as follows:

    Fig. 8: Measure the resistance across the terminal of the solenoid valve — 2.4L engine shown, others similar

    1. 25–44 ohms when at 68°F (20°C).
  6. If any of the test results differ from the specifications, replace the emission purge control solenoid.

Previous Next