Previous Next

Water Pump

REMOVAL & INSTALLATION

1.5L and 1.8L Engine

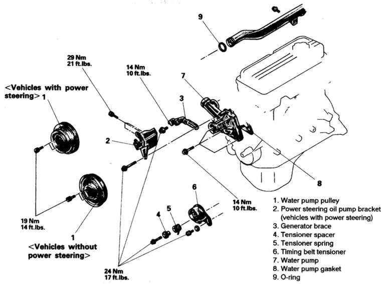
Fig. 1: Water pump and related components — Mirage with 1.5L (4G15) engine

Fig. 2: Water pump and related components — Mirage with 1.8L (4G93) engines

  1. Disconnect the negative battery cable.
  2. Drain the cooling system.

    CAUTION
    Never open, service or drain the radiator or cooling system when hot; serious burns can occur from the steam and hot coolant. Also, when draining engine coolant, keep in mind that cats and dogs are attracted to ethylene glycol antifreeze and could drink any that is left in an uncovered container or in puddles on the ground. This will prove fatal in sufficient quantities. Always drain coolant into a sealable container. Coolant should be reused unless it is contaminated or is several years old.

  3. Remove the engine undercover.
  4. Disconnect the clamp bolt from the power steering hose.
  5. Remove the engine drive belts.
  6. Support the engine with the appropriate equipment and remove the engine mount bracket.
  7. Remove the timing belt. Refer to the timing belt procedure in this section.
  8. Remove the power steering pump bracket.
  9. Remove the alternator brace.

    NOTE: The water pump mounting bolts are different in length, note their positioning for reassembly.

  10. Remove the water pump, gasket and O-ring where the water inlet pipe(s) joins the pump.

    To install:

  11. Thoroughly clean both gasket surfaces of the water pump and block.
  12. For 1.5L engines, install a new O-ring into the groove on the front end of the water inlet pipe. Do not apply oils or grease to the O-ring. Wet the O-ring with water only.
  13. For 1.8L engines, apply a 0.09–0.12 in. (2.5–3.0mm) continuous bead of sealant to water pump and install the pump assembly. Install the water pump within 15 minutes of the application of the sealant. Wait 1 hour after installation of the water pump to refill the cooling system or start the engine.
  14. Install the gasket and pump assembly and tighten the bolts to 17 ft. lbs. (24 Nm). Use care when aligning the water pump with the water inlet pipe.
  15. Install the remaining components in the reverse order of removal.
  16. Fill the system with coolant.
  17. Connect the negative battery cable, run the vehicle until the thermostat opens and fill the radiator completely.
  18. Once the vehicle has cooled, recheck the coolant level.
1.6L and 2.0L (SOHC and DOHC) Engines

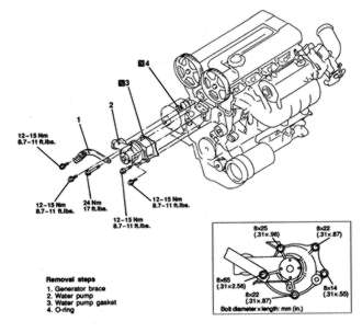
Fig. 3: Water pump mounting — 2.0L DOHC engine shown

  1. Disconnect the negative battery cable.
  2. Drain the engine coolant.

    CAUTION
    Never open, service or drain the radiator or cooling system when hot; serious burns can occur from the steam and hot coolant. Also, when draining engine coolant, keep in mind that cats and dogs are attracted to ethylene glycol antifreeze and could drink any that is left in an uncovered container or in puddles on the ground. This will prove fatal in sufficient quantities. Always drain coolant into a sealable container. Coolant should be reused unless it is contaminated or is several years old.

  3. Remove the timing belt. Refer to the timing belt procedure in this section.
  4. If necessary, remove the alternator brace from the water pump.
  5. If necessary, remove the timing belt rear cover.
  6. Remove the water pump mounting bolts.
  7. Remove the water pump, gasket and O-ring.

    To install:

  8. Install a new O-ring on the water inlet pipe. Coat the O-ring with water or coolant. Do not allow oil or other grease to contact the O-ring.
  9. Use a new gasket and install the water pump to the engine block. Torque the mounting bolts to 8.7–11 ft. lbs. (12–15 Nm). Install the alternator brace on the water pump. Torque the brace pivot bolt to 17 ft. lbs. (24 Nm).
  10. If removed, install the timing belt rear cover.
  11. Install the timing belt. Refer to the timing belt procedure in this section.
  12. Install the remaining components.
  13. Refill the engine with coolant.
  14. Connect the negative battery cable, start the engine and check for leaks.
2.4L Engine

Fig. 4: Remove the water pump pulley retaining bolts . . .

Fig. 5: . . . then remove the pulley from the pump

Fig. 6: Remove the A/C belt idler pulley

Fig. 7: Remove the A/C belt idler pulley bracket retaining bolt . . .

Fig. 8: . . . then remove the idler pulley retaining bracket

Fig. 9: Remove the alternator brace from the engine

Fig. 10: Remove the water pump retaining bolts on the top . . .

Fig. 11: . . . then remove the bolts on the bottom of the pump assembly

Fig. 12: Grasp the water pump and remove it from the engine block

Fig. 13: If the impeller fins on the water pump show any signs of wear, it is advisable to replace the water pump rather than reuse it

Fig. 14: Water pump bolt identification — 2.4L Engine

  1. Disconnect the negative battery cable.
  2. Drain the cooling system.

    CAUTION
    Never open, service or drain the radiator or cooling system when hot; serious burns can occur from the steam and hot coolant. Also, when draining engine coolant, keep in mind that cats and dogs are attracted to ethylene glycol antifreeze and could drink any that is left in an uncovered container or in puddles on the ground. This will prove fatal in sufficient quantities. Always drain coolant into a sealable container. Coolant should be reused unless it is contaminated or is several years old.

  3. Remove the engine undercover.
  4. Disconnect the clamp bolt from the power steering hose.
  5. Support the engine with the appropriate equipment and remove the engine mount bracket.
  6. Remove the engine drive belts and the A/C tensioner bracket.
  7. Remove the timing belt covers from the front of the engine.
  8. Remove the camshaft and silent shaft timing belts. Refer to the timing belt procedure in this section.
  9. Remove the A/C belt idler pulley and pulley bracket.
  10. Remove the alternator brace.
  11. Remove the water pump, gasket and O-ring where the water inlet pipe(s) joins the pump.

    To install:

  12. Thoroughly clean both gasket surfaces of the water pump and block.
  13. Install a new O-ring into the groove on the front end of the water inlet pipe and wet with clean antifreeze only. Do not apply oils or grease to the O-ring.
  14. Using a new gasket, install the water pump assembly. Tighten bolts with the head mark 4 to 10 ft. lbs. (14 Nm) and bolts with the head mark 7 to 18 ft. lbs. (24 Nm).
  15. Install the A/C pulley and pulley bracket.
  16. Install the timing belts. Refer to the timing belt procedure in this section.
  17. Install the engine drive belts.
  18. Install the engine mount bracket.
  19. Install the engine undercover.
  20. Fill the system with coolant.
  21. Connect the negative battery cable, run the vehicle until the thermostat opens and fill the radiator completely.
  22. Once the vehicle has cooled, recheck the coolant level.
3.0L and 3.5L Engines

Fig. 15: Water pump and related components — 3.0L DOHC shown

  1. Disconnect the negative battery cable.
  2. Drain the cooling system.

    CAUTION
    Never open, service or drain the radiator or cooling system when hot; serious burns can occur from the steam and hot coolant. Also, when draining engine coolant, keep in mind that cats and dogs are attracted to ethylene glycol antifreeze and could drink any that is left in an uncovered container or in puddles on the ground. This will prove fatal in sufficient quantities. Always drain coolant into a sealable container. Coolant should be reused unless it is contaminated or is several years old.

  3. Remove the engine undercover.
  4. Disconnect the clamp bolt from the power steering hose.
  5. Support the engine with the appropriate equipment and remove the engine mount bracket.
  6. Remove the timing belt. Refer to the timing belt procedure in this section.
  7. Disconnect the coolant hoses from the pump, if equipped.
  8. Remove the alternator brace.

    NOTE: The water pump bolts are different in size. Note their locations for installation.

  9. Remove the water pump, gasket and O-ring where the water inlet pipe joins the pump.

    To install:

  10. Thoroughly clean both gasket surfaces of the water pump and block.
  11. Install a new O-ring into the groove on the front end of the water inlet pipe. Do not apply oils or grease to the O-ring. Wet with water only.
  12. Using a new gasket, install the water pump assembly to the engine block. Torque the mounting bolts to 17 ft. lbs. (24 Nm).
  13. Connect the hoses to the pump.
  14. Install the timing belt. Refer to the timing belt procedure in this section.
  15. Install the engine drive belts.
  16. Fill the system with coolant.
  17. Connect the negative battery cable, run the vehicle until the thermostat opens and fill the radiator completely.
  18. Once the vehicle has cooled, recheck the coolant level.

Previous Next