Previous Next

Camshaft, Bearings and Lifters

REMOVAL & INSTALLATION

1.5L Engine

Fig. 1: Camshaft, rocker arm and shaft assemblies — 1.5L engine

Fig. 2: Positioning of the camshaft dowel pin — Mirage 1.5L (4G15) engine

  1. Disconnect the negative battery cable.
  2. Rotate the engine and position the No. 1 piston to TDC of its compression stroke.
  3. Disconnect the accelerator cable, breather hose and PCV hose connections.
  4. Matchmark the positioning of the distributor housing and the positioning of the distributor rotor to the engine block and remove the distributor.
  5. Remove the valve cover and discard the gasket.
  6. Loosen both rocker arm assemblies gradually and evenly, and remove the rocket shafts from the vehicle.
  7. Remove the timing belt covers.

    NOTE: DO NOT allow the camshaft or the crankshaft to rotate after the timing belt is removed.

  8. Remove the timing belt assembly.
  9. Holding the camshaft sprocket from turning, loosen and remove the bolt that secures the sprocket.
  10. Remove the camshaft sprocket from the camshaft. Note the positioning of the dowel pin at the end of the camshaft.
  11. Remove the camshaft oil seal from the front of the cylinder head.
  12. Remove the camshaft from the head.
  13. Carefully check all parts for damage and wear.

    To install:

  14. Lubricate the camshaft with heavy engine oil and slide it into the head. Be sure to position the dowel pin at the 12 o'clock position.
  15. Check the camshaft end-play between the thrust case and camshaft. The camshaft end-play should be 0.002–0.008 in. (0.05–0.20mm). If the end-play is not within specification, replace the camshaft thrust bearing.
  16. Install a new camshaft oil seal. Be sure to lubricate the lips of the seal with clean engine oil.
  17. Install the camshaft sprocket and install the mounting bolt. Tighten the bolt to 51 ft. lbs. (70 Nm) while holding the camshaft from turning.
  18. Install the timing belt assembly.
  19. Install the timing belt covers.
  20. Install the rocker shaft assemblies. Torque the bolts gradually and evenly to 23 ft. lbs. (32 Nm).
  21. Check valve adjustment and install the valve cover with a new gasket. Tighten the valve cover bolt to 16 inch lbs. (1.8 Nm).
  22. Align the distributor marks and install the distributor.
  23. Connect the accelerator cable, breather hose and PCV hose.
  24. Connect the negative battery cable and check the ignition timing.
1.8L Engine

Fig. 3: Camshaft, rocker arm and shaft assemblies — 1.8L engine

  1. Disconnect the negative battery cable.
  2. Rotate the engine and position the No. 1 piston to TDC of its compression stroke.
  3. Label and disconnect the spark plug cables.
  4. Matchmark the positioning of the distributor housing and the positioning of the distributor rotor to the engine block and remove the distributor.
  5. Detach the air flow sensor connector and remove the air cleaner case cover.
  6. Disconnect the accelerator cable, breather hose and PCV hose connections.
  7. Remove the rocker cover and discard the gasket.
  8. Loosen both rocker arm shaft assemblies gradually and evenly and remove the rocket shafts from the vehicle. Do not disassembly rocker arms and rocker arm shaft assemblies.
  9. Remove the timing belt covers.

    WARNING
    DO NOT allow the camshaft or the crankshaft to rotate after the timing belt is removed!

  10. Remove the timing belt assembly.
  11. Holding the camshaft sprocket from turning, loosen and remove the bolt that secures the sprocket.
  12. Remove the camshaft sprocket from the camshaft. Note the positioning of the dowel pin at the end of the camshaft.
  13. Remove the camshaft oil seal from the front of the cylinder head.
  14. Remove the camshaft from the head.
  15. Carefully check all parts for damage and wear.

    To install:

  16. Lubricate the camshaft journals and camshaft with clean engine oil and install the camshaft in the cylinder head. Be sure to position the dowel pin at the end of the camshaft as noted during the removal procedure.
  17. Check the camshaft end-play between the thrust case and camshaft. The camshaft end-play should be 0.002–0.008 in. (0.05–0.20mm). If the end-play is not within specification, replace the camshaft thrust bearing.
  18. Install a new camshaft oil seal. Be sure to lubricate the lips of the seal with clean engine oil.
  19. Install camshaft sprocket and torque the retainer bolt to 65 ft. lbs. (90 Nm). Be sure to secure the sprocket while tightening the bolt.
  20. Install the timing belt assembly.
  21. Install the timing belt covers.
  22. Install the rocker arm and shaft assemblies. Tighten the rocker arm shaft retainer bolts to 23 ft. lbs. (32 Nm).
  23. Check the valve adjustment and install the valve cover with a new gasket. Tighten the valve cover bolts to 29 inch lbs. (3.3 Nm).
  24. Align the distributor marks and install the distributor.
  25. Connect the spark plug cables.
  26. Connect the accelerator cable, breather hose and PCV hose.
  27. Attach the air flow sensor connector and install the air cleaner case cover.
  28. Connect the negative battery cable.
  29. Run the engine at idle until normal operating temperature is reached.
  30. Check idle speed and ignition timing and adjust as required.
2.0L SOHC Engine

Fig. 4: Camshaft, rocker arm and shaft assemblies — 2.0L SOHC engine

  1. Disconnect the negative battery cable.
  2. Disconnect the breather and the PCV hoses.
  3. Remove the accelerator cable bracket and position the cable aside.
  4. Install lash adjuster retainer tools MD998443 or equivalent, to the rocker arm.
  5. Remove the valve cover and semi-circular packing.
  6. Matchmark the distributor housing to the cylinder head, and remove the distributor.
  7. Remove the timing belt covers and the timing belt.
  8. Remove the camshaft sprocket.
  9. Remove the carrier bolts and remove the rocker arms, rocker shafts and bearing caps from the engine as an assembly.
  10. Remove the camshaft from the cylinder head.
  11. Inspect the bearing journals on the camshaft for excess wear or damage.
  12. Measure the cam lobe height and compare to the desired readings.
  13. Inspect the bearing surfaces in the cylinder head.
  14. Replace any components that are damaged or show signs of excess wear.

    To install:

  15. Lubricate the camshaft journals and camshaft with clean engine oil and install the camshaft in the cylinder head.
  16. Align the camshaft bearing caps with the arrow marks (depending on cylinder numbers) and install in numerical order.
  17. Install the rocker shaft assembly to the cylinder head. Torque the bearing cap bolts from the center outward, in three steps, until a final torque of 15 ft. lbs. (20 Nm) is reached.
  18. Apply a coating of engine oil to the oil seal. Using the proper size driver, press-fit the seal into the cylinder head.
  19. Install the camshaft sprocket and torque retaining bolt to 65 ft. lbs. (90 Nm).
  20. Install the timing belt.
  21. Align the matchmarks and install the distributor.
  22. Remove the lash adjuster retaining tools.
  23. Install the valve cover and all related parts.
  24. Connect the negative battery cable and run engine to check for leaks.
  25. Check and adjust ignition timing, if necessary.
1.6L and 2.0L DOHC Engines

Fig. 5: Camshaft and rocker arms — 1.6L and 2.0L DOHC engines

Fig. 6: Camshaft bearing cap tightening sequence — 1.6L and 2.0L DOHC engines

  1. Disconnect the negative battery cable.
  2. Remove the accelerator cable bracket and position the cable aside.
  3. Remove the breather hose and disconnect the PCV hose.
  4. Label and disconnect the spark plug cables.
  5. Matchmark the distributor housing to the cylinder head, and remove the distributor.
  6. Remove the rocker cover.
  7. Install lash adjuster retainer tools MD998443 or equivalent, to the rocker arm.
  8. Remove the timing belt covers and the timing belt assembly.
  9. Remove the camshaft sprocket retainer bolt while holding shaft stationary with an appropriate wrench. Remove the sprocket from the shaft.
  10. Remove the camshaft oil seal.
  11. Remove both rocker arm shaft assemblies from the head. Do not disassemble the rocker arms and rocker arm shaft assemblies.
  12. Remove the camshaft from the cylinder head.
  13. Inspect the bearing journals on the camshaft, cylinder head, and bearing caps.

    To install:

  14. Lubricate the camshaft journals and camshaft with clean engine oil and install the camshaft in the cylinder head.
  15. Install the rocker arm and shaft assemblies. Tighten the rocker arm shaft retainer bolts to 21–25 ft. lbs. (29–35 Nm).
  16. Apply a coating of engine oil to the oil seal. Using the proper size driver, press-fit the seal into the cylinder head.
  17. Install camshaft sprocket and retainer bolt. Tighten the bolts to 65 ft. lbs. (90 Nm).
  18. Install the timing belt and belt covers.
  19. Align the matchmarks and install the distributor.
  20. Remove the lash adjuster retaining tools.
  21. Install the rocker cover using new gasket material on mating surfaces.
  22. Connect the spark plug cables.
  23. Install the breather hose and connect the PCV hose.
  24. Connect the negative battery cable.
  25. Run the engine at idle until normal operating temperature is reached. Check idle speed and ignition timing; adjust as required.
2.4L Engine

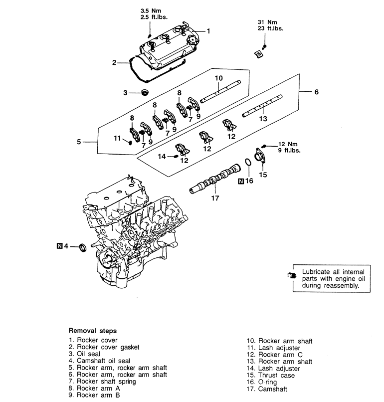
Fig. 7: Camshaft, rocker arm and shaft assemblies — 2.4L engine

Fig. 8: Camshaft identification — 2.4L engine

  1. Relieve the fuel system pressure following proper procedure.
  2. Disconnect the negative battery cable.
  3. Disconnect the accelerator cable, PCV hoses, breather hoses, spark plug cables and the remove the valve cover.

    NOTE: Always rotate the crankshaft in a clockwise direction. Make a mark on the back of the timing belt indicating the direction of rotation so it may be reassembled in the same direction if it is to be reused.

  4. Rotate the crankshaft clockwise and align the timing marks so that the No. 1 piston will be at TDC of the compression stroke. At this time the timing marks on the camshaft sprocket and the upper surface of the cylinder head should coincide, and the dowel pin of the camshaft sprocket should be at the upper side.
  5. Remove the timing belt upper and lower covers.
  6. Remove the camshaft timing belt.
  7. Use a wrench between the No. 2 and No. 3 journals to hold the camshaft; remove the camshaft sprockets.
  8. Loosen the bearing cap bolts in 2–3 steps. Label and remove all camshaft bearing caps.

    NOTE: If the bearing caps are difficult to remove, use a plastic hammer to gently tap the rear part of the camshaft.

  9. Remove the intake and exhaust camshafts.
  10. Remove the rocker arms and lash adjusters.

    NOTE: It is essential that all parts be kept in the same order and orientation for reinstallation. In order to prevent confusion during installation, be sure to mark and separate all parts.

    To install:

  11. Install the lash adjusters and rocker arms into the cylinder head. Lubricate lightly with clean oil prior to installation.
  12. Lubricate the camshafts with heavy engine oil and position the camshafts on the cylinder head.
  13. Check the camshaft journals and lobes for wear or damage. Also, check the cylinder head oil holes for clogging. Visually inspect the rocker arm roller and replace if dented, damaged or evidence of seizure is evident. Check the roller for smooth rotation. Replace if excess play or binding is present. Also, inspect the valve contact surface for possible damage or seizure. It is recommended that all rocker arms and lash adjusters be replaced together.

    NOTE: Do not confuse the intake camshaft with the exhaust camshaft. The intake camshaft has a split on the rear face for driving the crank angle sensor.

  14. Make sure the dowel pin on both camshaft sprocket ends are located on the top.
  15. Install the bearing caps. Tighten the caps in sequence and in 2 or 3 steps. No. 2 and 5 caps are of the same shape. Check the markings on the caps to identify the cap number and intake/exhaust symbol. Only L (intake) or R (exhaust) is stamped on No. 1 bearing cap. Also, make sure the rocker arm is correctly mounted on the lash adjuster and the valve stem end. Torque the retaining bolts to 15 ft. lbs. (20 Nm).
  16. Apply a coating of engine oil to the oil seal. Using the proper size driver, press-fit the seal into the cylinder head.
  17. Install the camshaft sprockets. While holding the camshaft at its hexagon, between number 2 and 3 journals tighten sprocket bolts to 58–72 ft. lbs. (80–100 Nm).
  18. Install the timing belt, covers and related components.
  19. Install the valve cover, using new gasket, and reconnect all related components.
  20. Reconnect the negative battery cable.
3.0L DOHC Engine

Fig. 9: Camshaft, rocker arm and shaft assemblies — 3.0L DOHC engine

Fig. 10: Proper positioning of the camshaft knock pins — 3.0L DOHC engine

  1. Relieve the fuel system pressure.
  2. Disconnect negative battery cable.
  3. Remove the intake manifold plenum.
  4. Remove the timing belt cover and the timing belt.

    WARNING
    DO NOT rotate the crankshaft or camshafts after the timing belt has been removed. If rotated, severe internal engine damage will result from the pistons hitting the valves.

  5. Remove the center cover, breather, PCV hoses, and the spark plug cables.
  6. Remove the rocker cover and the semi-circular packing.
  7. Matchmark the position of the crankshaft position sensor at the rear of the camshaft, then remove the sensor.
  8. If equipped with a camshaft sensor, remove the sensor from the front of the engine.
  9. Being sure to hold the flats of the camshaft, loosen the camshaft sprocket bolts.
  10. Noting the positioning and location of the sprockets, remove the sprockets from the camshafts.

    NOTE: Be sure to note the positioning of the knock pin at the end of the camshafts for reinstallation purposes.

    NOTE: Be sure to keep the valve train components labeled and in proper order for reassembly.

  11. Loosen the bearing cap bolts in 2–3 steps.
  12. Label and remove all camshaft bearing caps.

    NOTE: If the bearing caps are difficult to remove, use a plastic hammer to gently tap the components.

  13. Mark the components and remove the intake and the exhaust camshafts.
  14. Remove the rocker arms and the lash adjusters. Be sure to note the location of the valve train components for reinstallation purposes.
  15. Check the camshaft journals for wear or damage. Check the cam lobes for damage. Also, check the cylinder head oil holes for clogging.

    To install:

    NOTE: Lubricate the valve train components with clean engine oil.

  16. Bleed and install the lash adjusters to the to the original bores in the cylinder head.
  17. Install the rocker arms to the cylinder head.
  18. Lubricate the camshafts with clean engine oil and position the camshafts on the cylinder head.

    WARNING
    Be sure to properly position the knock pins of the camshaft to prevent valve to piston interference.

    NOTE: Do not confuse the intake camshaft with the exhaust camshaft. The intake camshaft on the Diamante has a B or J stamped on the hexagon depending on the application. The exhaust camshaft on the Diamante has a D or K stamped on the hexagon depending on application.

    NOTE: Install the bearing caps according to the identification mark and cap number. Bearing caps No. 2, 3 and are marked as such. The caps also are marked I for intake or E for exhaust.

  19. Install the bearing caps. Tighten the caps in sequence, gradually in 2 or 3 steps. Caps 2, 3 and 4 have a front mark. Install with the mark aligned with the front mark on the cylinder head. Torque the retaining bolts for caps No. 2, 3 and 4 to 8 ft. lbs. (11 Nm) and torque the retaining bolts for the front and rear caps to 14 ft. lbs. (20 Nm).
  20. Apply a coating of engine oil to the oil seals and install the oil seals to the front and rear of the camshafts.
  21. Holding the flats of the camshaft, install and tighten the sprocket bolts to 65 ft. lbs. (90 Nm).
  22. If removed, install the camshaft position sensor and tighten the mounting bolts to 78 inch lbs. (9 Nm).
  23. Aligning the matchmark, install the crankshaft position sensor at the rear of the camshaft and tighten the mounting nut to 7 ft. lbs. (12 Nm).
  24. Align the marks on the camshaft and crankshaft sprockets. Install the timing belt assembly.
  25. Install the rocker cover and the semi-circular packing.
  26. Install the intake manifold plenum.
  27. Install the spark plug cables, center cover, breather and PCV hoses.
  28. Connect the negative battery cable and check for leaks.
3.0L SOHC Engine

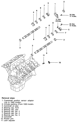
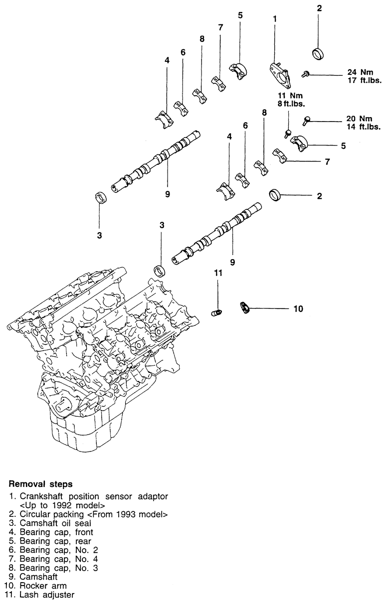
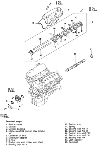
Fig. 11: Camshaft, rocker arm and shaft assemblies — 3.0L SOHC engine

Fig. 12: Right bank camshaft identification — 3.0L SOHC engine

Fig. 13: Proper positioning of the camshafts — 3.0L SOHC engine

Fig. 14: Alignment of the rocker shafts and application of sealant — 3.0L SOHC engine

  1. Disconnect the negative battery cable.
  2. Rotate and position the engine to TDC of compression stroke.
  3. If removing the right side (front) camshaft, matchmark the distributor rotor and distributor housing to the engine block and remove the distributor.
  4. Remove the intake manifold plenum stay bracket.
  5. Remove the distributor housing adapter and discard the O-ring.
  6. Remove the valve covers and the timing belt.
  7. Using camshaft sprocket holding tool MB990767 and MD998719 or equivalent, hold the sprocket and loosen the bolt.
  8. Remove the bolt and note the positioning of the of the knock pin at the end of the camshaft and remove the sprocket.
  9. Install auto lash adjuster retainer tools MD998443 or equivalent, on the rocker arms.

    NOTE: Be sure to note the position of the rocker arms, rocker shafts and bearing caps for reinstallation purposes.

  10. Remove the camshaft bearing caps but do not remove the bolts from the caps.
  11. Remove the rocker arms, rocker shafts and bearing caps, as an assembly.
  12. Remove the camshaft from the cylinder head.
  13. Inspect the bearing journals on the camshaft, cylinder head, and bearing caps.

    To install:

    NOTE: The right bank camshaft is identified by a 4mm slit at the rear end of the camshaft.

  14. Lubricate the camshaft journals and camshaft with clean engine oil and install the camshaft in the cylinder head. Be sure to properly position the knock pin of the camshaft as noted during removal.
  15. Apply sealer at the ends of the bearing caps and install the rocker arms, rocker shafts and bearing caps as an assembly. Properly position the arrows on the bearing caps.
  16. Torque the bearing cap bolts in the following sequence: No. 3, No. 2, No. 1 and No. 4 to 85 inch lbs. (10 Nm).
  17. Repeat the sequence increasing the torque to 14 ft. lbs. (20 Nm).
  18. Remove the auto lash adjuster retainer tools from the rocker arms.
  19. Install the camshaft sprocket and bolt.
  20. Using camshaft sprocket holding tool MB990767 and MD998719 or equivalent, hold the sprocket and tighten the bolt to 65 ft. lbs. (90 Nm).
  21. Install the timing belt and valve covers.
  22. Using a new O-ring, install the distributor extension housing.
  23. Install the intake manifold plenum stay bracket.
  24. Install the distributor assembly. Be sure to align the rotor and distributor housing matchmarks.
  25. Connect the negative battery cable and check for leaks.
3.5L Engine
  1. Disconnect the negative battery cable.
  2. Remove the timing belt. Refer to the timing belt procedure in this section.
  3. Remove the rocker arm cover.
  4. Install the lash adjuster clips on the rocker arms, then loosen the bearing cap bolts. Do not remove the bolts from the bearing caps.
  5. Remove the rocker arms, shafts and bearing caps as an assembly.
  6. Remove the camshafts.

    To install:

  7. Lubricate the camshafts with engine oil and position them on the cylinder heads.
  8. Position the dowel pins as shown in the drawing.
  9. Install the bearing caps/rocker arm assemblies. Tighten the bolts to 23 ft. lbs. (31 Nm).
  10. Install the rocker arm cover using a new gasket.
  11. Install the timing belt and remaining components. Refer to the timing belt procedure in this section.
  12. Connect the negative battery cable.

    Fig. 15: Exploded view of the camshaft mounting — 3.5L engine

    Fig. 16: Camshaft dowel position during installation — 3.5L engine

Previous Next