Previous Next

Transfer Case Assembly

REMOVAL & INSTALLATION

  1. Disconnect the battery negative cable.
  2. Raise the vehicle and support safely. Drain the transfer oil.
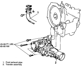
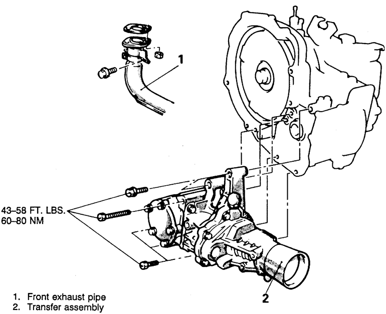
  3. Disconnect the front exhaust pipe.
  4. Unbolt the transfer case assembly and remove by sliding it off the rear propeller shaft. Be careful not to damage the oil seal in the transfer case output housing. Do not let the rear propeller shaft hang; suspend it from a frame piece. Cover the opening in the transaxle and transfer case to keep oil from dripping and to keep dirt out.

    Fig. 1: Remove the propeller shaft and position aside

    Fig. 2: Exploded view of the transfer case mounting — 1990–94 vehicles

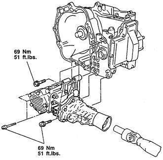
    Fig. 3: Exploded view of the transfer case assembly — 1995–98 vehicles with automatic transaxle shown

    To install:

  5. Lubricate the driveshaft sleeve yoke and oil seal lip on the transfer extension housing. Install the transfer case assembly to the transaxle. Use care when installing the rear propeller shaft to the transfer case output shaft.
  6. Tighten the transfer case to transaxle bolts to 40–43 ft. lbs. (55–60 Nm) on manual transaxle vehicles or 43–58 ft. lbs. (60–80 Nm) on automatic transaxle vehicles.
  7. Install the exhaust pipe using a new gasket.
  8. Refill the transfer case with gear oil of classification GL-4 or higher, SAE 75W-85W or 75W-90. Check fluid level in transaxle and add as required.

Previous Next