NOTE: If the vehicle is going to be rolled while the halfshafts
are out of the vehicle, obtain 2 outer CV-joints or proper equivalent tools
and install to the hubs. If the vehicle is rolled without the proper torque
applied to the front wheel bearings, the bearings will no longer be usable.
- Disconnect the negative and positive battery cables, then remove the battery.
- Disconnect the air intake hoses.
- Drain the transaxle and transfer case fluid, if equipped, into a suitable
waste container.
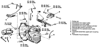
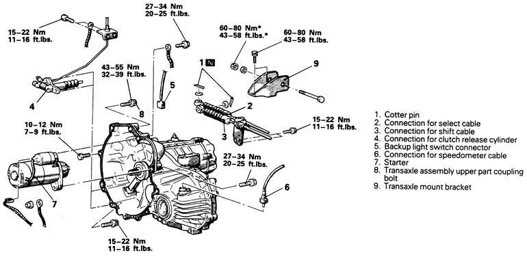
- Remove the cotter pin securing the select and shift cables and remove the
cable ends from the transaxle. Discard the cotter pin.
- Remove the connection for the clutch release cylinder and without disconnecting
the hydraulic line, secure aside.
- Detach the backup light switch harness and position aside.
- Unplug the starter electrical connections, if necessary, remove the starter
motor and position aside.
- Remove the transaxle upper part coupling bolt, then remove the transaxle
mount bracket. Remove the upper transaxle mounting bolts.
- Raise the vehicle and support safely on jackstands. Remove the undercover
and the front wheels.
- Remove the cotter pin and disconnect the tie rod end from the steering knuckle.
- Remove the self-locking nut from the halfshafts. Disconnect the lower arm
ball joint from the steering knuckle.
- Remove the halfshafts from the transaxle.
- On AWD vehicles, disconnect the front exhaust pipe.
- On AWD vehicles, remove the transfer case by removing the attaching bolts,
moving the transfer case to the left and lowering the front side. Remove it
from the rear driveshaft. Be careful of the oil seal. Do not allow the driveshaft
to hang; once the front is removed from the transfer, tie it up. Cover the
transfer case openings to keep out dirt.
- Remove the cover from the transaxle bellhousing. On AWD, also remove the
crossmember and the triangular gusset.
- Remove the transaxle lower coupling bolt. It is just above the halfshaft
opening on 2WD or transfer case opening on AWD.
- Support the weight of the engine from above (chain hoist). Support the transaxle
using a transmission jack and remove the remaining lower mounting bolts.
- On turbocharged vehicles, be careful not to damage the lower radiator hose
with the transaxle housing during removal. Wrap tape on both the lower hose
and the transaxle housing to prevent damage. Move the transaxle assembly to
the right and carefully lower it from the vehicle.
To install:
- Installation is the reverse of the procedure. Please note the following
important steps.
| Fig. 1: Exploded view of the manual transaxle mounting
(page 1 of 2) — 1990–94 FWD vehicles
|
| Fig. 2: Exploded view of the manual transaxle mounting
(page 2 of 2) — 1990–94 FWD vehicles
|
| Fig. 3: Exploded view of the transaxle mounting (page
1 of 2) — 1990–94 AWD vehicles
|
| Fig. 4: Exploded view of the transaxle mounting (page
2 of 2) — 1990–94 AWD vehicles
|
- Refer the accompanying figures for tightening specifications.
- Always use new cotter pins during installation.
- When installing the halfshafts, use new circlips on the axle ends. Try to
keep the inboard joint straight in relation to the axle. Be careful not to
damage the oil seal lip of the transaxle with the serrated part of the halfshaft.
- When installing the battery, first connect the positive cable, then the
negative.
- Make sure the vehicle is level when refilling the transaxle.
- Check for proper operation. Make sure the reverse lights come on when in
reverse.
- Disconnect the negative and positive battery cables, then remove the battery.
- Drain the transaxle and transfer case fluid, if equipped, into a suitable
waste container.
- Remove the engine under cover.
- If equipped with AWD, remove the transfer case assembly.
- Remove the air cleaner cover, then disconnect the air intake hose.
- For 2.0L turbo and 2.4L engines, remove the remaining 2 air hoses.
- Remove the battery tray.
- For 2.0L turbo engines and all AWD vehicles, remove the evaporative emission
canister and holder.
- Remove the battery tray stay.
- Detach the shift cable and select cable connection.
- Unplug the back-up light switch connector.
- Detach the vehicle speed sensor connector.
- Remove the starter motor.
- For 2.0L turbo and 2.4L engines, remove the upper transaxle assembly mounting
bolts.
- Unfasten the rear roll stopper bracket mounting bolts.
- Attach a suitable engine support fixture to the engine.
- Unfasten the driveshaft retaining nut.
- Use a floor jack to carefully raise the transaxle assembly, then remove
the transaxle mounting bracket nuts. Be careful not to tilt the transaxle.
- Raise and safely support the vehicle.
- Separate the tie rod end from the steering knuckle.
- Detach the stabilizer link connection.
- Remove the damper fork.
- Separate the lateral lower ball joint from the steering knuckle.
- Disconnect the lower ball joint from the steering knuckle.
- Use a large prybar between the transaxle case and driveshaft to carefully
disconnect the driveshaft. Do not insert the bar too far or the oil seal may
be damaged.
| Fig. 5: Exploded view of the transaxle mounting (page
1 of 2) — 1995–98 2.0L non-turbo engines shown
|
| Fig. 6: Exploded view of the transaxle mounting (page
2 of 2) — 1995–98 2.0L non-turbo engines shown
|
- Suspend the driveshaft with a piece of wire so there are no bends in any
of the joints.
- Plug the hole in the transaxle case to prevent foreign materials from getting
into the case.
- For 2.0L non-turbo engines, remove the center member assembly at this time.
- Remove the clutch release cylinder, but do not disconnect the fluid line
and affix the cylinder to the body with the lines attached.
- For 2.0L non-turbo engines, remove the front and rear plates.
- For 2.0L non-turbo engines, remove the transaxle case lower cover.
- For 2.0L turbo and 2.4L engines, remove the bell housing cover and right-hand
side stay. Remove the center crossmember.
| Fig. 7: Exploded view of the manual transaxle mounting
(page 1 of 2) — 2.0L and 2.4L AWD vehicle shown, FWD
similar
|
| Fig. 8: Exploded view of the manual transaxle mounting
(page 2 of 2) — 2.0L and 2.4L AWD vehicle shown, FWD
similar
|
- Use a suitable jack to support the transaxle.
- For 2.0L non-turbo engines, perform the following:
- Unfasten the flex plate connecting bolts. You will need to turn the
crankshaft to get to all of the bolts.
- Matchmark the position of the flex plate and clutch pressure plate for
installation purposes.
- Press the clutch pressure plate into the transaxle to make removal easier.
- Unfasten the transaxle mounting bolts, then carefully lower the transaxle
from the vehicle.
To install:
- Installation is the reverse of the removal procedure. Please note the following
important steps.
- Align the notches on the stopper with the transaxle mount bracket with the
arrow mark facing the direction shown in the accompanying figure. Then, install
the stopper.
| Fig. 9: Proper alignment and installation of the
transaxle mount bracket and stopper
|
- Refer the accompanying figures for tightening specifications.
- Always use new cotter pins during installation.
- When installing the halfshafts, use new circlips on the axle ends. Try to
keep the inboard joint straight in relation to the axle. Be careful not to
damage the oil seal lip of the transaxle with the serrated part of the halfshaft.
- When installing the battery, first connect the positive cable, then the
negative.
- Make sure the vehicle is level when refilling the transaxle.
- Check for proper operation. Make sure the reverse lights come on when in
reverse.
