
- Disconnect the red striped vacuum hose from the throttle body and connect
it to a hand held vacuum pump.
- Plug the open nipple on the throttle body.
- Using the hand pump, apply vacuum while the engine is idling. Check that
vacuum is maintained or released as outlined below:
- With the engine coolant at 140°F (60°C) or less — 14.8
in. Hg of vacuum is maintained.
- With the coolant at 158°F (70°C) or higher — 14.8
in. Hg of vacuum is maintained.
- With the engine coolant at 158°F (70°C) or higher, run the engine
at 3000 rpm within 3 minutes of starting vehicle. Try to apply vacuum using
the hand held pump. Vacuum should leak.
- With the engine coolant at 158°F (70°C) or higher, run the engine
at 3000 rpm after 3 minutes have elapsed after starting vehicle. Apply 14.8
in. Hg of vacuum. The vacuum should be maintained momentarily, after which
it should leak.
NOTE: The vacuum will leak continuously if the altitude
is 7,200 ft. or higher, or the intake air temperature is 122°F (50°C)
or higher.
- If the test results differ from the desired results, the purge control system
is not operating properly.
- Disconnect the purge air hose from the intake hose and plug the air intake
hose.
- Connect a hand vacuum pump to the purge air hose.
- Under various engine conditions, inspect the system operation:
- Allow the engine to cool to a temperature of 140°F (60°C)
or below.
- Start the engine and run at idle.
- Using the hand pump, apply 14.8 in. Hg of vacuum. In this condition,
the vacuum should be maintained.
- Raise the engine speed to 3000 rpm.
- Using the hand pump, apply 14.8 in. Hg of vacuum. In this condition,
the vacuum should be maintained.
- Run the engine until the coolant temperature reaches 158°F (70°C).
Inspect system operations as follows:
- Using the hand pump, apply 14.8 in. Hg of vacuum with the engine at
idle. In this condition, vacuum should be maintained.
- Increase the engine speed to 3000 rpm within 3 minutes of starting the
engine. Try applying vacuum. The vacuum should leak.
- After 3 minutes have elapsed after starting engine, raise the engine
speed to 3000 rpm. Apply 14.8 in. Hg of vacuum. Vacuum should be maintained
momentarily, after which it will leak.
NOTE: The vacuum will leak continuously if the altitude
is 7200 ft. or higher or the air temperature is 122°F (50°C)
or higher.
- If the results of either test differs from specifications, the system is
not functioning properly and will require further diagnosis.
- Disconnect red striped vacuum hose from the throttle body and connect it
to a hand-held vacuum pump.
| Fig. 1: To test the purge control operation, connect
the vacuum hose from the throttle body to a vacuum pump
|
- Plug nipple from which the vacuum hose was disconnected.
- Allow the engine coolant to cool below 104°F (60°C) or below.
Check system operation as follows:
- Start the engine and run at idle speed. Apply 14.8 in. Hg of vacuum.
The vacuum should be maintained.
- Run the engine at 3000 rpm. Apply 14.8 in. Hg of vacuum. The vacuum
should be maintained.
- Run the engine until the coolant temperature reaches 158°F (70°C)
of above. Inspect system operation as follows:
- With the engine at idle, apply 14.8 in. Hg of vacuum using the hand
pump. The vacuum should be maintained.
- Run the engine at 3000 rpm within 3 minutes after starting the engine,
and try applying vacuum. The vacuum should leak.
- Run the engine at 3000 rpm after 3 minutes have elapsed after starting
the vehicle and apply 14.8 in Hg of vacuum. Vacuum will be maintained
momentarily, then it will leak.
NOTE: The vacuum will leak continuously if the altitude
is 7200 ft. or higher or the air temperature is 122°F (50°C)
or higher.
- If any of the test results differ from the specifications, there is a fault
in the operation of the system and further diagnosis is required.
- Disconnect the vacuum hose from the throttle body, then connect it to a
hand-held vacuum pump.
- Plug the nipple where the vacuum hose was disconnected. Start the engine.
| Fig. 2: Attach a hand-held vacuum pump to the vacuum
hose — 1995–98 2.0L non-turbo engine
|
- When the engine reaches operating temperature, coolant 176°F (80°C
or higher), apply 15.7 in. Hg (53 kPa) of vacuum at idle to check the condition
of the engine and vacuum as follows:
- Right after the engine is started, the vacuum should be maintained.
- After ten or more seconds, the vacuum should leak.
- If any of the test results differ from the specifications, there is a fault
in the operation of the system and further diagnosis is required.
NOTE: This test requires the use of a special purge flow indicator
tool, MB991700, or equivalent.
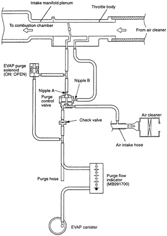
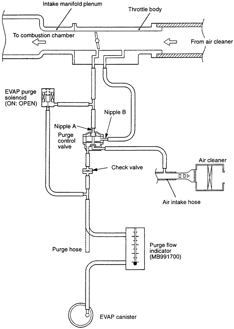
- Disconnect the purge hose form the EVAP canister, then connect Purge Flow
Indicator MB991700, or equivalent between the canister and the purge hose.
- The engine should be warmed up to operating temperature, 170–203°F.
(80–95°C), with all lights, fans and accessories off. The transaxle
should be in Park for automatics or Neutral for manuals.
| Fig. 3: Purge control system check — 1995–98
2.0L turbo engine shown, 2.4L similar
|
- Run the engine at idle for at least 3–4 minutes.
- Check the purge flow volume when the brake is depressed suddenly a few times.
The reading should be 2.5 SCFH (20cm/sec.)
- If the volume is less than the standard value, check it again with the vacuum
hose disconnected from the canister. If the purge flow volume is less than
the standard, check for blockages in the vacuum port and vacuum hose, and
also inspect the evaporative emission purge solenoid and purge control valve.
- If the purge flow volume is at the standard value, replace the EVAP canister.
- The purge control valve is located to the right side of the battery. Remove
the purge control valve from the engine compartment.
- Connect a hand vacuum pump to the vacuum nipple of the purge control valve.
| Fig. 4: Attach a hand vacuum pump to the nipple on
the purge control valve
|
- Apply 15.7 in. Hg of vacuum and check air tightness. Blow in air lightly
from the evaporative emission canister side nipple and check conditions as
follows:
- If there is no vacuum applied to the valve — air will not
pass.
- When 8.0 in. Hg of vacuum is applied to the valve — air
will pass through.
- Connect a hand vacuum pump to the positive pressure nipple of the purge
control valve.
- Apply a vacuum of 15.7 in. Hg and check for air tightness. The valve should
be air tight.
- If the results differ from the desired outcomes, replace the purge control
valve.
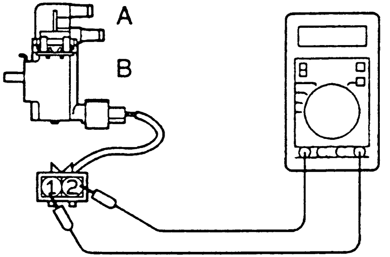
- Label and disconnect the 2 vacuum hoses from the purge control solenoid
valve.
- Disconnect the electrical harness connector from the solenoid.
- Connect a hand vacuum pump to the nipple which the red striped vacuum hose
was connected.
| Fig. 5: Apply vacuum to the purge solenoid to check
for air-tightness with and without voltage — 1.8L
engine
|
| Fig. 6: Using a hand-held vacuum gauge to check for
air-tightness — 1990–94 2.0L non-turbo and 1993–94
2.0L turbo engines
|
- Check air tightness by applying a vacuum with voltage applied directly from
the battery to the evaporative emission purge solenoid and without applying
voltage. The desired results are as follows:
- — With battery voltage applied — vacuum
should leak
- — With battery voltage not applied — vacuum
should be maintained
- Measure the resistance across the terminals of the solenoid. The desired
reading is 36–44 ohms when at 68°F (20°C).
| Fig. 7: Battery voltage applied to the terminals
of the evaporative emission purge solenoid
|
| Fig. 8: Measuring the resistance between the terminals
of the evaporative emission purge solenoid
|
- If any of the test results differ from the desired outcomes, replace the
purge control solenoid.
- Label and disconnect the 2 vacuum hoses from the purge control solenoid
valve.
- Disconnect the electrical harness connector from the solenoid.
- Connect a hand vacuum pump to the nipple which the red striped vacuum hose
was connected.
- Check air tightness by applying a vacuum with voltage applied directly from
the battery to the evaporative emission purge solenoid and without applying
voltage. With battery voltage applied, vacuum should be maintained. Without
voltage, vacuum should leak
- Measure the resistance across the terminals of the solenoid. The desired
reading is 36–44 ohms when at 68°F (20°C).
- If any of the test results differ from the specifications, replace the emission
purge control solenoid.
- Tag and disconnect the vacuum hoses from the solenoid valve.
- Detach the harness connector.
- Attach a hand-held vacuum pump to the nipple (A) of the solenoid valve,
as shown in the accompanying figures.
| Fig. 9: Evaporative emission purge solenoid vacuum
check — 1995–98 2.0L non-turbo engine
|
| Fig. 10: Purge solenoid valve test connections — 1995–98
2.0L turbo engine
|
| Fig. 11: Test connections for the evaporative purge
solenoid — 2.4L engine
|
- Check air tightness by applying a vacuum with voltage applied directly from
the battery to the evaporative emission purge solenoid and without applying
voltage. The desired results are as follows:
- — With battery voltage applied — vacuum
should be maintained
- — With battery voltage not applied — vacuum
should leak
- Measure the resistance across the terminals of the solenoid. The standard
values are as follows:
| Fig. 12: Measure the resistance across the terminal
of the solenoid valve — 2.4L engine shown, others
similar
|
- 2.0L non-turbo engines: 25–35 ohms when at 68°F (20°C).
- 2.0L turbo and 2.4L engines: 34–44 ohms when at 68°F (20°C).
- If any of the test results differ from the specifications, replace the emission
purge control solenoid.
