Previous Next

Exhaust Manifold

REMOVAL & INSTALLATION

Non-Turbocharged Vehicles
1990–94 1.8L AND 2.0L ENGINES
  1. Disconnect the negative battery cable.
  2. For 2.0L engines equipped with A/C, remove the condenser fan motor.
  3. For 1.8L engines, remove the engine oil level dipstick and O-ring.
  4. If necessary for access, raise and safely support the vehicle.
  5. Remove the exhaust pipe-to-manifold self-locking nut. Separate the exhaust pipe from the manifold, then remove and discard the gasket.
  6. Carefully lower the vehicle.
  7. For 2.0L engines, remove the outer heat shield assembly.
  8. Remove the oxygen sensor.
  9. For 1.8L engines, remove the outer heat shield assembly.
  10. For 2.0L engines, remove the engine hanger self locking nut.
  11. Remove the engine hanger.
  12. Remove the exhaust manifold mounting bolts, the exhaust manifold and the inner heat shield from the engine. Remove and discard the gaskets.

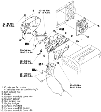
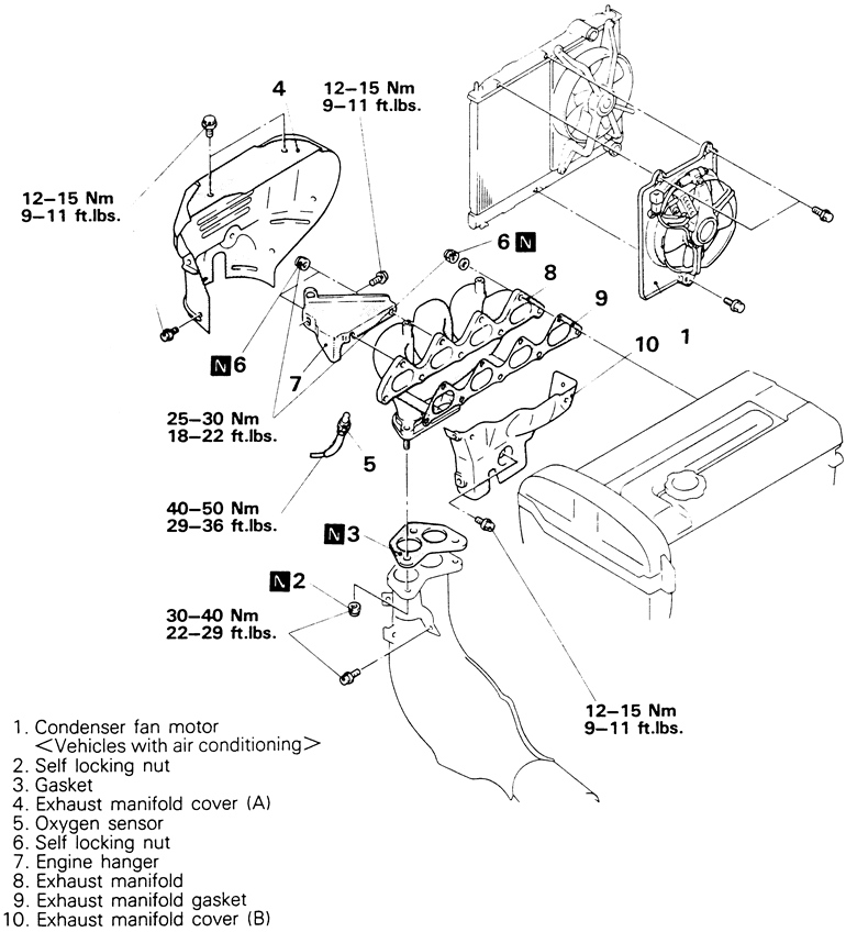
    Fig. 1: Exploded view of the exhaust manifold mounting — 1990–94 2.0L engines

    To install:

  13. Clean all gasket material from the mating surfaces and check the manifold for damage or cracking.
  14. Install a new gasket and install the manifold. Tighten the nuts to in a crisscross pattern to:
  15. 1.8L engine  — 11–14 ft. lbs. (15–20 Nm).
  16. 2.0L engine  — 18–22 ft. lbs. (25–30 Nm).
  17. Install the heat shields.
  18. Connect EGR components.
  19. Install the electric cooling fan assembly, dipstick tube and alternator, as required.
  20. Install a new flange gasket and connect the exhaust pipe.
  21. Connect the negative battery cable and check for exhaust leaks.
1995–98 2.0L ENGINES
  1. Disconnect the negative battery cable. Drain the cooling system into a suitable container.
  2. Detach the air intake hose.
  3. Disconnect the upper radiator hose.

    Fig. 2: Unfasten the retaining clamp and disconnect the upper radiator hose

  4. Remove the retaining clamp, then unfasten the air hose connector.
  5. Detach the control wiring harness connection.
  6. Disconnect the water pipe assembly.

    Fig. 3: Remove the retainer, then disconnect the water pipe assembly

    Fig. 4: Unfasten the water pipe bracket retaining bolt

  7. If necessary for clearance, remove the engine oil level gauge.
  8. Remove the exhaust manifold heat shield.

    Fig. 5: Remove the heat shield retaining bolts . . .

    Fig. 6: . . . then remove the heat shield from the manifold

  9. Unfasten the retaining bolts, then remove the engine hanger.

    Fig. 7: Unfasten the retaining bolts . . .

    Fig. 8: . . . then remove the engine hanger

  10. Remove the retainers, then unfasten the front exhaust pipe connection.

    Fig. 9: From under the vehicle, unfasten the retaining bolts and separate the front exhaust pipe

    Fig. 10: Remove and discard the front exhaust pipe gasket

  11. Unfasten the retaining bolts/nuts, then remove the exhaust manifold from the vehicle. Remove the exhaust manifold from the vehicle. Remove and discard the gasket.

    Fig. 11: Unfasten the exhaust manifold retaining bolts . . .

    Fig. 12: . . . then remove the exhaust manifold and gasket from the vehicle

  12. Thoroughly clean the gasket mating surfaces.

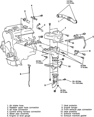
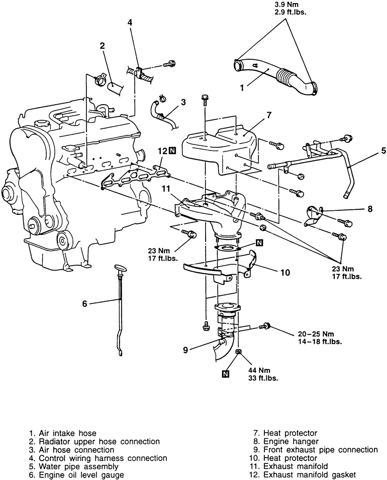
    Fig. 13: Exploded view of the exhaust manifold and related components — 1995–98 2.0L

    To install:

  13. Using a new gasket, position the exhaust manifold on the cylinder head, then install the retainers and tighten to the specifications shown in the accompanying figure.
  14. Attach the front exhaust pipe connection and secure with the retainers.
  15. Install the engine hanger and retaining bolts.
  16. Install the exhaust manifold heat shield.
  17. Install the engine oil level gauge.
  18. Connect the water pipe assembly.
  19. Atach the control wiring harness connection.
  20. Attach the air hose connector, then secure with the retaining clamp.
  21. Connect the upper radiator hose.
  22. Attach the air intake hose.
  23. Fill the cooling system with the proper type and amount of coolant.
  24. Connect the negative battery cable, then start the engine and check for leaks.
1995–98 2.4L ENGINES
  1. Disconnect the negative battery cable.
  2. Unfasten the retainers, then separate the front exhaust pipe connection. Remove and discard the gasket.
  3. Remove the exhaust manifold heat shield.
  4. Unfasten the retaining nuts, then remove the engine hanger.
  5. Remove the retainer, then remove the exhaust manifold from the vehicle. Remove and discard the exhaust manifold gasket.

    Fig. 14: Exploded view of the exhaust manifold and related components — 1995–98 2.4L engines

    To install:

  6. Using a new gasket, install the exhaust manifold and secure with the retainers. Tighten to the specifications shown in the accompanying figure.
  7. Install the engine hanger and secure with the retaining nuts.
  8. Install the exhaust manifold heat shield.
  9. Position the front exhaust pipe connection and install the retainers.
  10. Connect the negative battery cable.
Turbocharged Engines
  1. Disconnect the negative battery cable. Drain the cooling system into a suitable container.
  2. If equipped with A/C, remove the condenser cooling fan from the vehicle. Remove the power steering pump and bracket and position aside.
  3. Detach the oxygen sensor electrical harness.
  4. Raise the vehicle and support safely.
  5. Drain the oil from the crankcase and remove the oil level indicator and tube.
  6. For 1990–94 vehicles, perform the following:
    1. Detach the air intake hose connection.
    2. Tag and disconnect the necessary vacuum hoses.
    3. Detach the connector air hose A.
  7. For 1995–98 vehicles, perform the following:
    1. Remove the air cleaner and air intake hose assembly.
    2. Disconnect the air hose.
    3. Detach the water hose connections and the oil pipe connection from the turbocharger.
  8. Remove the upper exhaust manifold and turbocharger heat shields.
  9. For the 1990–94 vehicles, unbolt the power steering pump and position it aside. Do NOT disconnect the power steering fluid lines. Remove the power steering oil pump bracket.
  10. Remove the self-locking nut, then remove the engine hanger.
  11. For 1990–94 vehicles, perform the following:
    1. Remove the eye bolt and gaskets.
    2. Detach the connections for the water hose and water pipe from the turbocharger.
    3. Unfasten the self-locking nut, then separate the exhaust pipe. Remove and discard the gasket.
  12. For 1995–98 vehicles, perform the following:
    1. Unfasten the retainers, then separate the front exhaust pipe connection
    2. Remove the flange bolts and nut.
    3. Remove the coned disc spring.
  13. Remove the exhaust manifold mounting nuts. Remove the exhaust manifold and gasket from the engine. Discard the gasket.

    Fig. 15: Exploded view of the exhaust manifold and related components — 1990–94 2.0L turbo engines

    Fig. 16: Exhaust manifold mounting and related components — 1995–98 2.0L turbo engines

    To install:

  14. Clean all gasket material from the mating surfaces and check the manifold for damage.
  15. Install new gaskets and install the manifold. Tighten the manifold to head nuts in a crisscross pattern to the specifications shown in the accompanying figures. Tighten the manifold-to-turbo nut and bolts as shown in the accompanying figures.
  16. Install the engine hanger, water and oil lines to the turbocharger.
  17. Install the heat shields.
  18. Use a new gasket, then connect the exhaust pipe.
  19. Install the condenser cooling fan and power steering pump. Connect the oxygen sensor harness.
  20. Install the oil level indicator and tube replacing O-ring as required.
  21. Fill the crankcase with clean oil and refill the cooling system.
  22. Connect the negative battery cable and check for exhaust leaks.

Previous Next