Previous Next

Cylinder Head

REMOVAL & INSTALLATION

1990–94 Vehicles
1.8L ENGINE
  1. Relieve the fuel system pressure.
  2. If not already done, disconnect the negative battery cable.
  3. Drain the cooling system into a suitable container.
  4. Remove the air intake hose and the breather hose.
  5. Disconnect the accelerator cable. There will be 2 cables, if equipped with cruise-control.
  6. Place a shop towel around the high pressure fuel line to absorb any residual fuel remaining in the system. Disconnect the high pressure fuel line.
  7. Remove the upper radiator hose, the water breather hose, the water bypass hose and the heater hose.
  8. Disconnect the PCV hose.
  9. Tag and unplug the spark plug cables. Make sure not to pull on the cable, only on the boot, when removing the spark plug wire.
  10. Detach and plug the fuel return line.
  11. Disconnect the vacuum line for the brake booster.
  12. Tag and detach the electrical connections for the oxygen sensor, engine coolant temperature gauge unit and the water temperature sensor.
  13. Detach the electrical connections for the idle speed control motor, Throttle Position Sensor (TPS), distributor, motor position sensor connector, fuel injectors, EGR temperature sensor (California vehicles), power transistor, condenser and engine ground cable.
  14. Disconnect the engine control wiring harness.
  15. Remove the clamp that holds the power steering pressure hose to the engine mounting bracket.
  16. Place a suitable floor jack and wood block under the oil pan and carefully lift just enough to take the weight off the engine mounting bracket. Then remove the bracket.
  17. Remove the valve cover, gasket and half-round seal. Remove the timing belt front upper cover.
  18. If possible, rotate the crankshaft clockwise until the timing marks on the cam sprocket and belt align. This should position the engine so No. 1 piston is at top dead center of it's compression stroke.
  19. Remove the camshaft sprocket retainer bolt. Remove the camshaft sprocket with the timing belt attached, and allow to rest on the timing belt front lower cover. Do not allow the tension of the belt to slacken or engine timing may be lost.

    Fig. 1: Remove the camshaft sprocket with the belt attached, then place on top of timing belt front lower cover — 1.8L engine

  20. Remove the timing belt rear upper cover. Remove the exhaust pipe self-locking nuts and separate the exhaust pipe from the exhaust manifold. Discard the gasket.
  21. Loosen the cylinder head mounting bolts in 3 steps, starting from the outside and working inward. Lift off the cylinder head assembly and remove the head gasket.

    Fig. 2: The cylinder head bolts must be removed in the proper sequence — 1.8L engine

    To install:

  22. Thoroughly clean and dry the mating surfaces of the head and block. Check the cylinder head for cracks, damage or engine coolant leakage. Remove scale, sealing compound and carbon. Clean oil passages thoroughly. Check the head for flatness. End to end, the head should be within 0.002 in. normally with 0.008 in. the maximum allowed out of true. The total thickness allowed to be removed from the head and block is 0.008 in. maximum.
  23. Place a new head gasket on the cylinder block with the identification marks facing upward. Make sure the gasket has the proper identification mark for the engine. Do not use sealer on the gasket.
  24. Carefully install the cylinder head on the block. Using 3 even steps, Tighten the head bolts in sequence to 51–54 ft. lbs. (70–75 Nm).

    Fig. 3: Place a new head gasket on the cylinder block with the identification marks facing upward — 1.8L engine

    Fig. 4: Cylinder head bolt tightening sequence — 1.8L engine

  25. Install a new exhaust pipe gasket and connect the exhaust pipe to the manifold. Install the upper rear timing cover.
  26. Align the timing marks and install the cam sprocket. Tighten the retaining bolt to 58–72 ft. lbs. (80–100 Nm). Check the belt tension and adjust, if necessary. Install the outer timing cover.
  27. Apply sealer to the perimeter of the half-round seal. Install a new valve cover gasket. Install the valve cover.
  28. Install the engine mount bracket. Once secure, remove the jack.
  29. Install the clamp that holds the power steering pressure hose to the engine mounting bracket.
  30. Connect or install all previously disconnected hoses, cables and electrical connections. Adjust the throttle cable(s).
  31. Replace the O-rings and connect the fuel lines.
  32. Install the air intake hose. Connect the breather hose.
  33. Change the engine oil and oil filter.
  34. Fill the system with coolant.
  35. Connect the negative battery cable, run the vehicle until the thermostat opens, fill the radiator completely.
  36. Check and adjust the idle speed and ignition timing.
  37. Once the vehicle has cooled, recheck the coolant level.
2.0L ENGINE
  1. Relieve the fuel system pressure.
  2. If not already done, disconnect the negative battery cable.
  3. Drain the cooling system into a suitable container.
  4. Disconnect the accelerator cable. There will be 2 cables if equipped with cruise-control.
  5. Remove the air cleaner with the air intake hose.
  6. Disconnect the oxygen sensor, engine coolant temperature sensor, the engine coolant temperature gauge unit and the engine coolant temperature switch on vehicles with air conditioning.
  7. Detach the ISC motor, throttle position sensor, crankshaft angle sensor, fuel injectors, ignition coil, power transistor, noise filter, knock sensor on turbocharged engines, EGR temperature sensor (California vehicles), ground cable and engine control wiring harness.
  8. Disconnect the upper radiator hose and the overflow tube.
  9. Remove the spark plug cable center cover, then tag and disconnect the spark plug cables.
  10. Disconnect and plug the high pressure fuel line.
  11. Tag and disconnect the small vacuum hoses.
  12. Detach the heater hose and water bypass hose.
  13. Remove the PCV hose.
  14. If turbocharged, remove the vacuum hoses, water line and eyebolt connection for the oil line for the turbocharger.
  15. Disconnect and plug the fuel return hose.
  16. Detach the brake booster vacuum hose.
  17. Remove the timing belt, as outlined later in this section.
  18. Remove the valve cover and the half-round seal.
  19. On non-turbocharged engines, remove the exhaust pipe self-locking nuts and separate the exhaust pipe from the exhaust manifold. Discard the gasket.
  20. On turbocharged engines, remove the sheet metal heat protector and remove the bolts that attach the turbocharger to the exhaust manifold.
  21. Loosen the cylinder head mounting bolts in 3 steps, starting from the outside and working inward. Lift off the cylinder head assembly and remove the head gasket.

    Fig. 5: Cylinder head bolt removal sequence — 1990–94 2.0L engines

    To install:

  22. Thoroughly clean and dry the mating surfaces of the head and block. Check the cylinder head for cracks, damage or engine coolant leakage. Remove scale, sealing compound and carbon. Clean oil passages thoroughly. Check the head for flatness. End to end, the head should be within 0.002 in. normally with 0.008 in. the maximum allowed out of true. The total thickness allowed to be removed from the head and block is 0.008 in. maximum.
  23. Place a new head gasket on the cylinder block with the identification marks at the front top (upward) position. Make sure the gasket has the proper identification mark for the engine. Do not use sealer on the gasket. Replace the turbo gasket and ring, if equipped.
  24. If equipped with 1993 vehicle, inspect the cylinder head bolts shank length prior to installation. If the length exceeds 3.79 in. (96.4mm), the bolt must be replaced. Install the washer onto the bolt so the chamfer on the washer faces towards the head of the bolt.

    Fig. 6: Place a new head gasket on the cylinder block with the identification marks facing upward — 1990–94 2.0L engine

    Fig. 7: Correct installation of washer on head bolt — 1990–94 2.0L engine

    Fig. 8: Cylinder head bolt tightening sequence — 1990–94 2.0L engine

  25. Carefully install the cylinder head on the block.
  26. On 1990–92 models, tighten the cylinder head bolts using 3 even steps, in sequence to 65–72 ft. lbs. (90–100 Nm). This torque applies to a cold engine. If checking cylinder head bolt torque on hot engine, the desired specification is 72–80 ft. lbs. (100–110 Nm).
  27. On 1993–94 models, tighten the cylinder head bolts as follows:
    1. Following the proper tightening sequence, tighten the cylinder head bolts to 54 ft. lbs. (75 Nm).
    2. Loosen all bolts completely.
    3. Tigthen the bolts to 15 ft. lbs. (20 Nm).
    4. Tigthen the bolts an additional 14 turn.
    5. Tigthen the bolts an additional 14 turn.
  28. On turbocharged engine, install the heat shield. On non-turbocharged engine, install a new exhaust pipe gasket and connect the exhaust pipe to the manifold.
  29. Apply sealer to the perimeter of the half-round seal and to the lower edges of the half-round portions of the belt-side of the new gasket. Install the valve cover.
  30. Install the timing belt and all related items.
  31. Attach or install all previously disconnected hoses, cables and electrical connections. Adjust the throttle cable(s).
  32. Install the spark plug cable center cover.
  33. Replace the O-rings and connect the fuel lines.
  34. Install the air cleaner and intake hose. Connect the breather hose.
  35. Change the engine oil and oil filter.
  36. Fill the system with coolant.
  37. Connect the negative battery cable, run the vehicle until the thermostat opens, fill the radiator completely.
  38. Check and adjust the idle speed and ignition timing.
  39. Once the vehicle has cooled, recheck the coolant level.
1995–98 Vehicles
2.0L NON-TURBO ENGINES
  1. Relieve the fuel system pressure.
  2. Disconnect the negative battery cable.
  3. Drain the engine coolant and oil into suitable containers.
  4. Remove the air cleaner and air intake duct.
  5. Tag and detach the connectors from the following components:
    1. A/C compressor
    2. Power steering pressure switch
    3. Heated oxygen sensor
    4. Engine coolant temperature gauge sender
    5. Engine coolant temperature sensor
    6. MAP sensor
    7. Intake air temperature sensor
    8. Throttle position sensor
    9. Idle air control (IAC) motor
    10. Injector harness
    11. Ignition coil
    12. Camshaft position sensor
    13. EGR solenoid valve
  6. Disconnect the accelerator cable from the throttle body.
  7. Detach the heater hoses from the rear of the engine.
  8. Disconnect the fuel lines from the fuel supply rail.
  9. Detach the purge air hose and the brake booster vacuum hose connections.
  10. Unfasten the overflow tube connection.
  11. Mark the position of the clamp on the hose and disconnect the upper radiator hose and the water hose connections.
  12. Remove the timing belt, as outlined later in this section.
  13. Remove the intake manifold stay.
  14. Remove the intake and exhaust camshafts.
  15. Disconnect the exhaust pipe connection from the exhaust manifold.
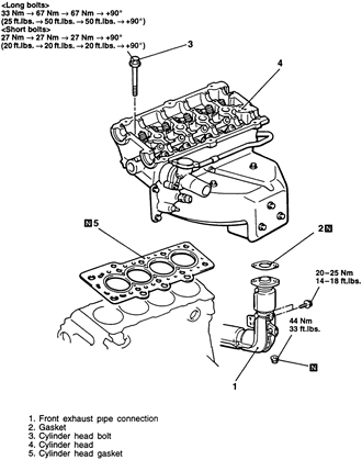
  16. Unfasten the cylinder head mounting bolts, then remove the cylinder head from the vehicle.

    Fig. 9: Exploded view of the cylinder head mounting — 1995–98 2.0L non-turbo engines

    To install:

  17. Thoroughly clean the cylinder head and engine block sealing surfaces. Check the deck and the cylinder head for warpage.
  18. Clean the cylinder head bolts and inspect them for stretching. If the bolt appears to by stretched, replace it.

    Fig. 10: If the cylinder head bolts are stretched, replace them. Never reuse stretched head bolts

  19. Place a new head gasket on the engine block and carefully place the cylinder head on the engine.
  20. Coat the threads of the bolts with clean engine oil and install the bolts finger tight in the engine block. The short bolts go in the corners.
  21. Tigthen the cylinder head bolts as follows:
    1. Tigthen the center bolts 1 through 6 to 25 ft. lbs. (33 Nm) then Tighten the outer bolts 7 through 10 to 20 ft. lbs. (27 Nm)
    2. Tigthen the center bolts 1 through 6 to 50 ft. lbs. (67 Nm) then Tighten the outer bolts 7 through 10 to 20 ft. lbs. (27 Nm)
    3. Tigthen the center bolts 1 through 6 to 50 ft. lbs. (67 Nm) then Tighten the outer bolts 7 through 10 to 20 ft. lbs. (27 Nm)
    4. Turn all fasteners 1 through 10 14 turn (90°) more in sequence. Do not use a torque wrench for this step.

      Fig. 11: Cylinder head bolt tightening sequence — 1995–98 2.0L non-turbo engine

  22. Use a new gasket and connect the front exhaust pipe to the exhaust manifold.
  23. Install the camshafts.
  24. Install the timing belts.
  25. Install the intake manifold stay.
  26. Connect the upper radiator hose. Install the clamp in the original position.
  27. Attach the water hose to the water pipe.
  28. Connect the overflow tube.
  29. Attach the brake booster vacuum hose and purge air hose connection.
  30. Use a new O-ring and connect the fuel lines to the fuel supply rail.
  31. Connect the heater hose.
  32. Attach all electrical connectors, as tagged during removal.
  33. Install and adjust the accelerator cable.
  34. Install the air intake duct and the air cleaner assembly.
  35. Refill the engine with oil and coolant. Replace the oil filter.
  36. Turn the ignition to the ON position and check for fuel leaks. Then start the engine and check for coolant leaks and proper operation.
2.0L TURBO ENGINES
  1. Properly relieve the fuel system pressure.
  2. If not already done, disconnect the negative battery cable.
  3. Drain the engine coolant and engine oil into suitable containers.
  4. Disconnect the accelerator cable and remove the mounting bracket.
  5. Detach the intake air duct (hose) from the throttle body.
  6. Tag and detach the electrical connector from the following components:
    1. Idle air control (IAC) motor
    2. Knock sensor
    3. Heated oxygen sensor
    4. Engine coolant temperature gauge sender
    5. Engine coolant temperature sensor
    6. Ignition module (power transistor)
    7. Throttle position sensor
    8. Condenser
    9. Manifold differential pressure sensor
    10. Fuel injectors
    11. Ignition coil
    12. Camshaft position sensor
    13. Crankshaft position sensor
    14. A/C compressor
    15. Engine control wiring harness

      Fig. 12: Make sure to label all electrical connectors before detaching them — 1995–98 2.0L turbo engine

  7. Remove the engine center cover. Tag and disconnect the spark plug wires.
  8. Disconnect the brake booster vacuum hose.
  9. Detach the fuel lines from the fuel supply rail.
  10. Disconnect the by-pass hose and the water hose connections.
  11. Disconnect the vacuum hoses, breather hose and the PCV hose.
  12. Remove the timing belt, as outlined later in this section.
  13. Remove the power steering pump.
  14. Remove the cylinder head cover and the semi-circular packing.
  15. Remove the heat protector.
  16. Mark the position of the hose clamps on the hoses and disconnect the water hoses and the radiator hoses.
  17. Remove the thermostat housing and the O-ring.
  18. Remove the intake manifold stay.
  19. Remove the turbocharger assembly from the exhaust manifold.
  20. Gradually loosen the cylinder head bolts in two or three steps using the specified sequence and remove the bolts.

    Fig. 13: Cylinder head bolt removal sequence — 1995–98 2.0L turbo engine

  21. Remove the cylinder head and the gasket. Discard the gasket and replace with a new one during installation.

    Fig. 14: Exploded view of the cylinder head mounting and related components — 1995–98 2.0L turbo engines

    To install:

  22. Thoroughly clean the deck surface of the engine block and the sealing surface of the cylinder head. Check the cylinder head for warpage.
  23. Measure the length of the cylinder head bolts from below the head to the end, if the bolt measures more than 3.913 in. (99.4 mm), replace the bolt.
  24. Install a new gasket on the engine block with the identification mark facing upwards.
  25. Carefully place the cylinder head on the engine. Apply clean engine oil to the bolts and install the bolts finger tight.
  26. Tigthen the bolts using the following procedure:
    1. Tigthen the bolts in sequence to 58 ft. lbs. (78 Nm).
    2. Loosen the bolts completely in the reverse order.
    3. Tigthen the bolts in sequence to 15 ft. lbs. (20 Nm).
    4. Make a paint mark on the head of the bolt and the cylinder head at the same spot. Tighten the bolt 90°or 14 turn from the mark.
    5. Tigthen the bolt an additional 90°or 14 turn so that the mark on the head of the bolt is opposite the original mark on the cylinder head.

      Fig. 15: Cylinder head bolt torque sequence — 1995–98 2.0L turbo engine

  27. Use a new gasket and install the turbocharger to the exhaust manifold.
  28. Install the intake manifold stay.
  29. Install the thermostat housing and connect the hoses. Align the matchmarks and install the clamps.
  30. Install the heat protector.
  31. Apply sealant to the semi-circular packing and install it on the cylinder head.
  32. Apply sealant at the front of the cylinder head where the camshaft oil seal retainer and the cylinder head come together and install the cylinder head cover using a new gasket.
  33. Install the power steering pump.
  34. Install the timing belt.
  35. Connect the PCV, breather and vacuum hoses.
  36. Connect the water hose and the by-pass hose.
  37. Use a new O-ring and connect the lines to the fuel supply rail. Apply a small amount of engine oil to the new O-ring.
  38. Connect the brake booster vacuum hose.
  39. Connect the spark plug wires and install the center cover.
  40. Attach all of the connectors, as tagged during removal.
  41. Connect the intake air hose to the throttle body.
  42. Connect and adjust the accelerator cable.
  43. Refill the engine with coolant.
  44. Replace the oil filter and refill the engine with the proper amount of oil.
  45. Connect the negative battery cable, start the engine and check for fuel, coolant and oil leaks.
2.4L ENGINE
  1. Properly relieve the fuel system pressure.
  2. If not already done, disconnect the negative battery cable.
  3. Drain the engine coolant and engine oil into suitable containers.
  4. Disconnect the air intake hose.
  5. Detach the accelerator cable. Remove cable mounting brackets and position the cable aside.
  6. Remove the breather hose.
  7. At the throttle body, tag and disconnect the three small vacuum hoses, the coolant hoses, and the brake booster vacuum hose.
  8. Disconnect and plug the high pressure fuel line.
  9. Disconnect and plug the fuel return hose.
  10. Tag and detach the connectors from the following components: the oxygen sensor, engine coolant temperature sensor, the engine coolant temperature gauge unit and the engine coolant temperature switch on vehicles with air conditioning.
  11. Disconnect the ISC motor, throttle position sensor, distributor, fuel injectors, noise filter, EGR temperature sensor, ground cable and engine control wiring harness.
  12. Tag and remove the spark plug cables.
  13. At the thermostat case assembly, remove the coolant hoses and unbolt the thermostat case from the engine.
  14. Remove the upper timing belt cover. Align all timing marks.
  15. Secure the timing belt to the camshaft sprocket using a piece of cord so the position of the camshaft sprocket does not move.

    WARNING
    After removing the camshaft sprocket, do NOT rotation the crankshaft.

  16. Use the special tool shown in the accompanying figure to remove the camshaft sprocket with the timing belt attached.

    Fig. 16: Tie a piece of cord around the camshaft sprocket and timing belt so the sprocket doesn't move — 2.4L engine

    Fig. 17: Use the proper tool to remove the camshaft sprocket with the belt attached — 2.4L engine

  17. Remove the valve cover and the half-round seal.
  18. Disconnect the intake manifold stay bracket from the intake manifold.
  19. Remove the exhaust pipe self-locking nuts and separate the exhaust pipe from the exhaust manifold. Discard the gasket.
  20. Loosen the cylinder head mounting bolts in 3 steps, starting from the outside and working inward, as shown in the accompanying figure. Lift off the cylinder head assembly and remove the head gasket.

    Fig. 18: Cylinder head bolt removal sequence — 2.4L engine

    To install:

  21. Thoroughly clean and dry the mating surfaces of the head and block. Check the cylinder head for cracks, damage or engine coolant leakage. Remove scale, sealing compound and carbon. Clean oil passages thoroughly. Check the head for flatness.
  22. Place a new head gasket on the cylinder block with the identification marks at the front top (upward) position. Make sure the gasket has the proper identification mark for the engine. Do not use sealer on the gasket.
  23. Inspect the cylinder head bolts shank length prior to installation. If the length exceeds 3.91 in. (99.4mm), the bolt must be replaced. Install the washer onto the bolt so the chamfer on the washer faces towards the head of the bolt.

    Fig. 19: Cylinder head bolt tightening sequence — 2.4L engines

  24. Carefully install the cylinder head on the block and tighten the cylinder head bolts as follows:
    1. Following the proper tightening sequence, tighten the cylinder head bolts to 58 ft. lbs. (78 Nm).
    2. Loosen all bolts completely.
    3. Torque bolts to 15 ft. lbs. (20 Nm).
    4. Tigthen bolts an additional 14 turn.
    5. Tigthen bolts an additional 14 turn.
  25. Install the new exhaust pipe gasket and connect the exhaust pipe to the manifold. Tighten the self-locking bolts to 33 ft. lbs. (44 Nm).
  26. Install the thermostat case and tighten the mounting bolts to 18 ft. lbs. (24 Nm).
  27. Connect the coolant hoses to the thermostat case.
  28. Apply sealer to the perimeter of the half-round seal and to the lower edges of the half-round portions of the belt-side of the new gasket. Install the valve cover.
  29. Connect the intake manifold stay and tighten the mounting bolts to 22 ft. lbs. (30 Nm).
  30. Install the timing belt and all related items.
  31. Connect or install all previously disconnected hoses, cables and electrical connections, as tagged during removal.
  32. Install the spark plug cable center cover.
  33. Replace the O-rings and connect the fuel lines.
  34. Install the air cleaner and intake hose. Connect the breather hose.
  35. Replace the engine oil and oil filter.
  36. Fill the system with coolant.
  37. Connect the negative battery cable, run the vehicle until the thermostat opens, fill the radiator completely.
  38. Check and adjust the idle speed and ignition timing.
  39. Check for leaks and road test for proper operation.

Previous Next