Новая трансмиссия Mitsubishi R4A5

 

Фирмой Mitsubishi разработана новая трансмиссия R4A51 для заднеприводных автомобилей. Она также используется и на полноприводных автомобилях, но под индексом V4A51. R4A51 впервые была использована в 1999 году на автомобилях Mitsubishi Montero Sport и Сhrysler Durango. Хотя эта трансмиссия и считается новой, но по существу представляет собой модификацию трансмиссии Mitsubishi F4A51 для переднеприводных автомобилей, которая впервые появилась в 1997 году на автомобиле Diamonte.

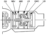
R4A51 - четырехскоростная трансмиссия с полностью электронной системой управления. В ней используются три блокировочные муфты, два дисковых тормоза, одна муфта свободного хода (с сухариками) и нет ни одного ленточного тормоза (рис.1).

Посмотреть картинку

Рис.1

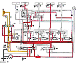
Она очень напоминает трансмиссию Chrysler 41TE. Первоначально трансмиссия R4A51 не имела муфты свободного хода:

Посмотреть картинку

 Рис. 2

Возникшие проблемы (мало, чем отличающиеся от проблемы переключения 2-1 в 41TE, которое происходит с шумом), привели к тому, что через год после начала выпуска для включения первой передачи была использована муфта свободного хода. В приведенной ниже таблице представлены комбинации включения элементов управления по передачам.

Положения рычага выбора диапазона

Возможность запуска двигателя

Блокировка выходного вала

Муфта понижающих передач (UD)

Муфта заднего хода

(REV)

Муфта третьей и четвертой передач

(OD)

Тормоз первой передачи и передачи заднего хода

(LR)

Тормоз второй и четвертой передач

(2ND)

Муфта свободного хода

(OWC)

P (парковка)

Да

Да

-

-

-

Х

-

-

R (задний ход

Нет

Нет

-

Х

-

Х

-

-

N (нейтраль)

Да

Нет

-

-

-

Х

-

-

D (1-я)

Нет

Нет

Х

-

-

Х

-

Х

D (2-я)

Нет

Нет

Х

-

-

-

Х

-

D (3-я)

Нет

Нет

Х

-

Х

-

-

-

D (4-я)

Нет

Нет

-

-

Х

-

Х

-

3 (1-я)

Нет

Нет

Х

-

-

Х

-

Х

3 (2-я)

Нет

Нет

Х

-

-

-

Х

-

3 (3-я)

Нет

Нет

Х

-

Х

-

-

-

2 (1-я)

Нет

Нет

Х

-

-

Х

-

Х

2 (2-я)

Нет

Нет

Х

-

-

-

Х

-

1 (1-я)

Нет

Нет

Х

-

-

Х

-

Х

Как видите, комбинации включения элементов управления и их названия (за исключением тормоза 2ND) полностью совпадают с трансмиссией 41TE. Хотя название тормоза 2ND и отличается от аналогичного элемента 41ТЕ, но его функциональное назначение такое же, то есть он используется на 2-ой и 4-ой передачах.

Одним из главных отличий, по сравнению с трансмиссией 41TE, заключается в том, что давление в бустерах элементов управления формируется не непосредственно соленоидом, а с помощью клапана, работой которого управляет соленоид. На схеме гидравлической части системы управления (рис.2) эти клапаны имеют номера с 15 по 18. Положение плунжеров этих клапанов определяется давлением, которое формируется соответствующим соленоидом. Положительным моментом такого решения является то, что для управления коробкой передач можно использовать маломощные соленоиды. С другой стороны, в случае заедания одного из клапанов управления может возникнуть нештатный режим работы коробки передач, и она быстро выйдет из строя.

Следует отметить один, весьма, положительный момент: каждый бустер имеет пробку для подключения манометра (рис.3).

Посмотреть картинку

 Рис.3

В приведенной ниже таблице представлены значения давлений в бустерах элементов управления в зависимости от включенной передачи.

Состояние КПП и двигателя

Номинальное значение давления, кПа

Положение рычага выбора диапазона

 

Передача

Обороты двигателя, об/мин

Давление в бустере муфты UD

Давление в бустере муфты REV

Давление в бустере муфты OD

Давление в бустере муфты

LR

Давление в бустере муфты 2ND

Давление подпитки гидрорансформатора

P

-

2500

-

-

-

264-343

-

220-360

R

Задний ход

2500

-

1,27-1,77

-

1,27-1,77

-

500-700

N

-

2500

-

-

-

254-343

-

220-360

D

1-я

2500

1,01-1,05

-

-

1,01-1,05

-

650-850

D

2-я

2500

1,01-1,05

-

-

-

1,01-1,05

650-850

D

3-я

2500

784-882

-

784-882

-

-

650-850

D

4-я

2500

-

-

784-882

-

784--882

650-850

Недостатком системы контроля давления является отсутствие пробки для измерения давления в основной магистрали. Поэтому в случае возникновения подозрений на слишком низкое давление в основной магистрали, необходимо проверить давление в нескольких бустерах. Если выясняется, что давление в основной магистрали действительно ниже номинального, то в клапанной коробке имеется регулятор давления в основной магистрали (рис.5). Полный поворот регулятора изменяет давление, приблизительно, на 5 Пси. Вращая

Посмотреть картинку

Рис.5.

регулятор по часовой стрелке, Вы понижаете давление, и наоборот.

Поскольку трансмиссия R4A51 новая, то Вы в течение определенного времени можете и не встретиться с ней. Но в случае необходимости и отсутствия специализированного сканера для подключения к блоку управления трансмиссией Вы с помощью лампочки положения “N” рычага выбора диапазона (рис.6) можете провести процедуру ее диагностики. В случае выхода из строя одного из электрических контуров системы управления лампочка положения “N” рычага выбора диапазона начнет мигать с частотой 2 Гц.

Не волнуйтесь, если у Вас нет сканера для подключения к блоку управления трансмиссией. Вы можете прочитать коды неисправности и без него. Для этого надо просто короткий штифт 1 разъема OBD-II соединить с “землей” (рис.7), и лампочка начнет высвечивать коды неисправности точно так же, как и на старых моделях (рис.8).

Посмотреть картинку     Посмотреть картинку     Посмотреть картинку

Рис.6                                         Рис.7                                  Рис.8

Коды неисправности.

Код

Расшифровка кода

Возможные причины неисправности

11

12

14

Неисправность в контуре датчика положения дроссельной заслонки

Короткое замыкание

Обрыв в контуре датчика

Неисправность датчика

15

16

Неисправность в контуре датчика температуры трансмиссионного масла

Короткое замыкание

Обрыв в контуре датчика

21

Неисправность в контуре датчика частоты вращения двигателя

Обрыв в контуре датчика

22

Неисправность в контуре датчика частоты вращения входного вала КПП

Короткое замыкание или обрыв в контуре датчика

23

Неисправность в контуре датчика частоты вращения выходного вала КПП

Короткое замыкание или обрыв в контуре датчика

26

Неисправность в контуре датчика использования тормозов

Короткое замыкание в контуре датчика

27

28

Неисправность в контуре датчика положений “Р” и “N” рычага выбора диапазона

Короткое замыкание или обрыв в контуре датчика

29

Неисправность в контуре датчика скорости автомобиля

Короткое замыкание или обрыв в контуре датчика

31

Неисправность в контуре соленоида управления тормозом LR

Короткое замыкание или обрыв в контуре датчика

32

Неисправность в контуре соленоида управления муфтой UD

Короткое замыкание или обрыв в контуре датчика

33

Неисправность в контуре соленоида управления тормозом 2ND

Короткое замыкание или обрыв в контуре датчика

34

Неисправность в контуре соленоида управления муфтой OD

Короткое замыкание или обрыв в контуре датчика

36

Неисправность в контуре соленоида управления блокировочной муфтой трансформатора

Короткое замыкание или обрыв в контуре датчика

41

Скольжение в элементах управления на первой передаче (расчетное передаточное отношение не совпадает с заданным)

42

Скольжение в элементах управления на второй передаче (расчетное передаточное отношение не совпадает с заданным)

 

43

Скольжение в элементах управления на третьей передаче (расчетное передаточное отношение не совпадает с заданным)

 

44

Скольжение в элементах управления на четвертой передаче (расчетное передаточное отношение не совпадает с заданным)

 

46

Неисправность в контуре связи с блоком управления двигателем

 

52

53

Неисправность в контуре соленоида управления блокировочной муфтой трансформатора

Неисправность контура

Отсутствует блокировка трансформатора

54

Неисправность реле блока управления трансмиссией

Короткое замыкание или обрыв в контуре реле

56

Неисправность в контре лампочки положения “N” рычага выбора диапазона

Обрыв в контуре лампочки