Free Japan Cars Factory Service Manuals
[ICO]NameSize
[PARENTDIR]Parent Directory -
[IMG]разъемы.gif6.9K
[IMG]k-line-only.jpg137K
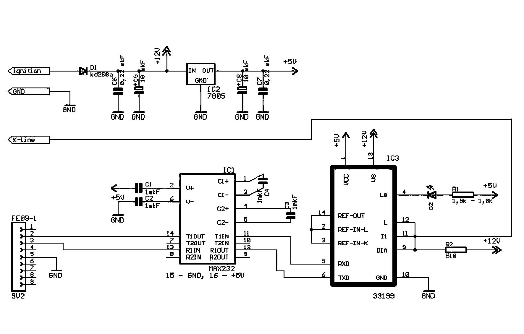
[IMG]k-line autoelectric.gif 13K
[IMG]k-small1.gif5.0K
[IMG]k-small2.gif2.6K
[IMG]k-small3.gif5.9K
[IMG]KL-line.gif9.5K
[IMG]kline.jpg 17K
[IMG]kline3.jpg 22K
[IMG]shurkline.jpg 18K
[IMG]vsmkline.jpg 24K
Thanks to donations there are no ads! All manuals are available on downloadable archives HERE. You will get the pass with 5 EUR donation. If you have new service manuals, send them my way to be shared with the fellow owners!   
Contact