НАЗАД

WHISTLER

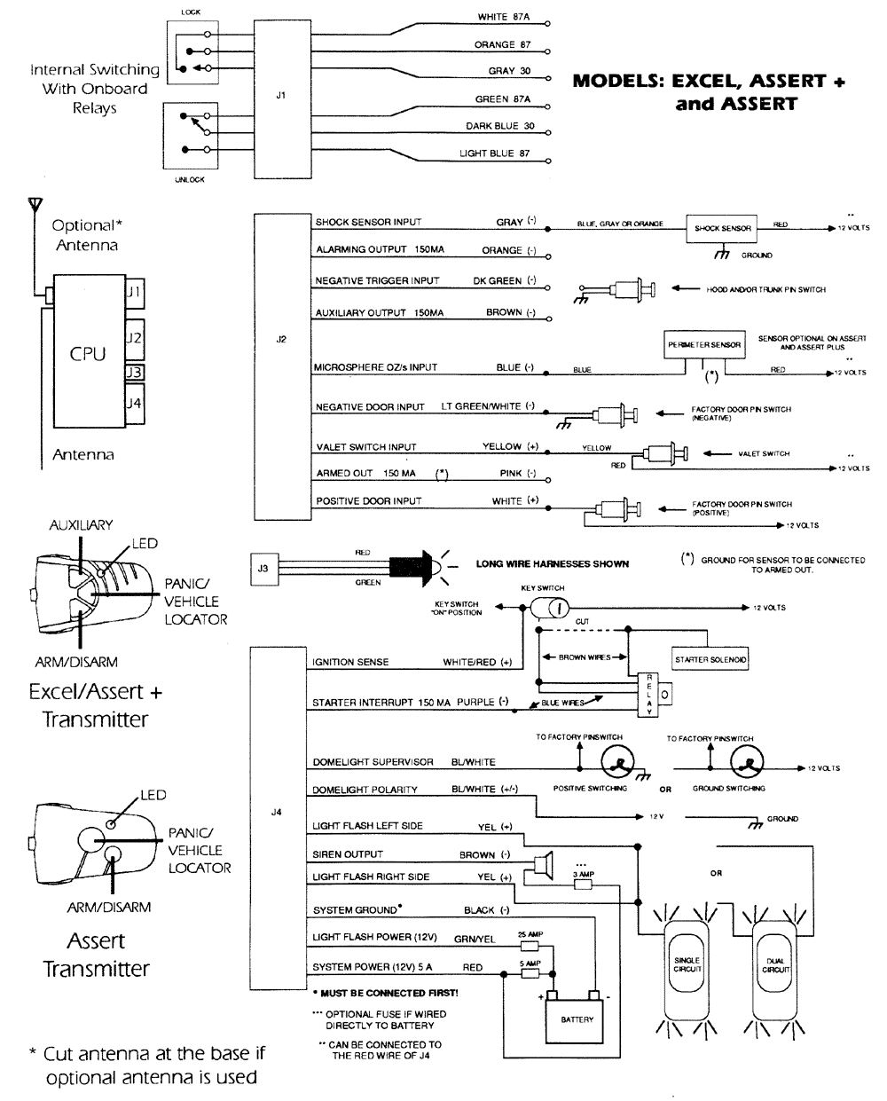
EXCEL, ASSERT+ и ASSERT

Схема подключения

WHISTLER EXCEL, ASSERT+ и ASSERT - схема подключения
19.06.2001