Free Japan Cars Factory Service Manuals
[ICO]NameSize
[PARENTDIR]Parent Directory -
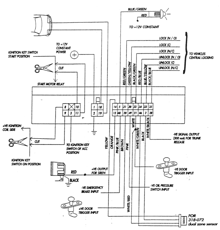
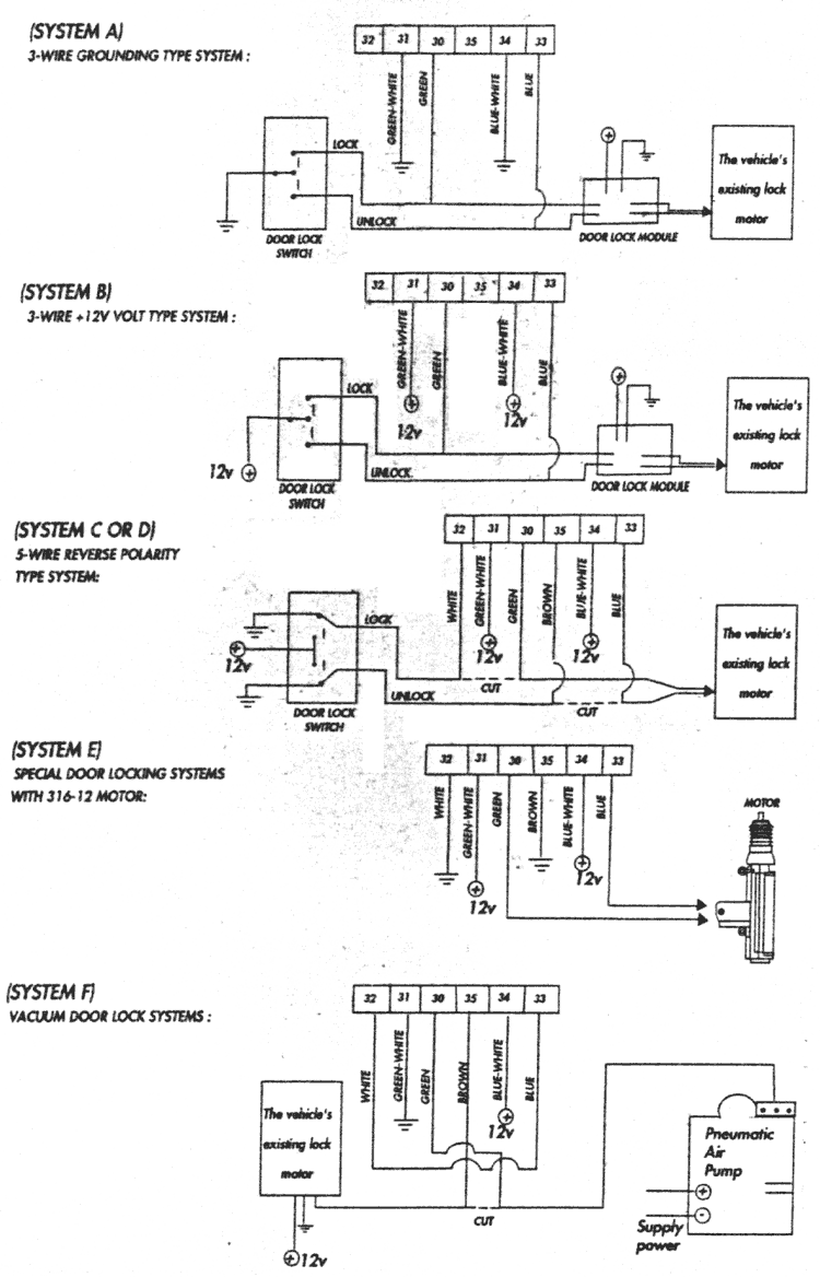
[IMG]2800m-1.gif 43K
[IMG]2800m-2.gif 94K
[TXT]2800m.htm8.1K
[IMG]2800ug.gif6.7K
[TXT]2800ug.htm8.8K
Thanks to donations there are no ads! All manuals are available on downloadable archives HERE. You will get the pass with 5 EUR donation. If you have new service manuals, send them my way to be shared with the fellow owners!   
Contact