ВНИМАНИЕ! Данная система разработана только для автомобилей с инжекторным бензиновым двигателем и автоматической трансмиссией. Установка данной системы в автомобилях со стандартной трансмиссией опасна и не соответствует предназначению системы.
Не отсоединяйте аккумулятор от автомобиля, оборудованного радиосистемой с передачей кодированного сигнала для защиты от злоумышленников. Если автомобиль оснащен пневмоподушкой системы пассивной безопасности, то также по возможности избегайте отсоединения аккумулятора. Многие системы с пневмоподушкой пассивной безопасности после того, как будут отсоединены от источника питания, отобразят диагностический код с помощью предупредительной световой сигнализации. Перед присоединением аккумулятора потребуется удалить этот код. Для выполнения этой процедуры, вероятно, понадобится посетить дилера.
Прежде чем приступить к монтажу системы:
После выполнения монтажа:
Необходимо придерживаться некоторых правил относительно места размещения сирены:
Нельзя располагать блок управления (или так называемые "мозги") в двигательном отсеке!
Когда злоумышленник пытается запустить автомобиль, он обычно удаляет некоторые части приборной панели со стороны водителя и таким образом получает доступ к проводам стартера и зажигания. Если в процессе выполнения обычной для него процедуры разборки он находит блок управления, то он может очень легко отсоединить систему!
Размещая блок управления, попытайтесь найти безопасное место, которое не потребует наращивания жгута проводов (длина жгута - 1,5 метра). Располагайте блок управления вдали от подогревателя (или вдали от иных источников тепла) и мест всевозможных протечек.
Чем выше в автомобиле будет расположен блок управления, тем больше будет радиус действия системы. Если расположить блок управления под сидением автомобиля или внутри металлической приборной панели, то радиус действия может уменьшиться и в этом случае Вы можете попробовать использовать дополнительную антенну 542Т (поставляется отдельно).
Некоторые хорошие места для установки блока управления: над "бардачком", внутри центральной консоли, над коробкой с плавкими предохранителями, над радиоприемником и т. п.
Никогда не располагайте датчик удара Stinger в двигательном отсеке!
Постарайтесь найти место, достаточно близко расположенное к блоку управления. В этом случае отпадет необходимость в наращивании проводов. Располагайте датчик вдали от подогревателя (или вдали от иных источников тепла) и мест всевозможных протечек.
Способ монтажа датчика удара Stinger играет очень большую роль для правильной его работы. Мы рекомендуем два способа монтажа: использовать двухстороннюю липкую ленту или крепежное средство "репейник" для крепления к декоративной панели или к воздуховоду; использовать стяжной хомут для крепления к жгуту проводов.
Если датчик монтируется в таком месте, где нет удобного доступа к нему для выполнения регулировки, то для облегчения выполнения будущих регулировок мы рекомендуем использовать крепежную ленту "репейник" (типа Velcro).
ПРИМЕЧАНИЕ. Во многих автомобилях крепление датчика к рулевой колонке или привинчивание его к металлической поверхности приводит к низкой чувствительности, особенно, если крепление производится в задней части автомобиля.
Убедитесь в том, что в том месте, которое Вы выберете для размещения выключателя, имеется достаточно свободного пространства за панелью. Выключатель нельзя располагать на виду у возможного злоумышленника. Его следует разместить таким образом, чтобы пассажиры или предметы, хранящиеся в автомобиле, например, в "бардачке", не могли случайно нажать на выключатель.
Для установки переключателя необходимо просверлить отверстие диаметром 7,14 мм.
В данной системе предусмотрен дистанционный служебный режим. Это означает, что пользователь может войти и выйти из служебного режима, не пользуясь выключателем служебного режима. Фирма DEI ввела эту функцию для того, чтобы место расположения выключателя служебного ре-жима было бы менее критично для ежедневного использования. Что же касается удобства доступа к выключателю служебного режима с целью выполнения режима обхода (Bypass Mode), т.е. снятия системы с охраны без применения пульта дистанционного управления, то удобство доступа в этом случае не является критичным.
ВНИМАНИЕ! Не забудьте показать пользователю, где размещается выключатель и как с его помощью снять систему с охраны.
При определении местоположения индикаторного светодиода необходимо помнить следующее:
Если злоумышленник снимет часть приборной панели, находящуюся со стороны водителя, чтобы найти провода, с помощью которых можно было бы запустить двигатель, и увидит там реле блокиратора стартера или его подсоединения, то он сможет легко обойти блокиратор стартера. Поэтому, надо всегда делать так, чтобы это реле было трудно распознать, а его подключение было бы трудно отличить от заводской проводки. Желтые торцевые соединители не выгледят как заводские и не смогут одурачить злоумышленника. Поэтому провода блокиратора стартера всегда рекомендуется прокладывать подальше от рулевой колонки.
Проводка вспомогательного реле несет большую нагрузку по току. Эти провода не следует наращивать. Предпочтительно обрезать их до минимально необходимой длины. Так как вспомогательное реле выполняет в автомобиле ту же функцию, что и ключ зажигания, то часто оказывается удобным устанавливать его в непосредственной близости к цепи выключателя зажигания.
После того, как Вы решили, где будет находиться каждый элемент системы, Вам предстоит найти нужные провода автомобильной проводки, к которым будет подсоединяться охранная система.
ВНИМАНИЕ! Для нахождения нужных проводов не следует пользоваться тестовой лампочкой на 12 В. Все тесты, описанные в данном руководстве, выполняются цифровым мультиметром.
Мы рекомендуем только два источника некоммутируемого напряжения 12 В, а именно: клемма (+) аккумулятора или некоммутируемый провод питания переключателя зажигания. Всегда следует устанавливать плавкий предохранитель в пределах 300 мм от места этого соединения. Если данный предохранитель будет защищать и другие цепи, например, цепи дверных замков, оконных приводных модулей, системы управления фарами Nite-Lite и т.д., то плавкий предохранитель должен быть выбран соответствующим образом.
ВНИМАНИЕ! Нельзя удалять держатель плавкого предохранителя, расположенный на красном проводе. Он предназначен для того, чтобы гарантировать, что независимо от того, сколько элементов добавлено к основной цепи питания, блок управления имеет свой собственный независимый плавкий предохранитель, выбранный на надлежащую величину тока.
Напряжение подается на провод переключателя зажигания тогда, когда ключ находится либо в положении "включено", либо в положении "стартер". Дело в том, что этот провод служит для подачи напряжения питания в систему зажигания (свеча зажигания, обмотка) и в систему подачи топлива (топливный насос, система впрыска топлива). С другой стороны, провода вспомогательного оборудования обесточиваются, когда ключ повернут в положение "стартер". Это сделано для того, чтобы на стартер можно было подать ток требуемой величины.
Провод стартера подает напряжение 12В непосредственно на стартер или на реле включения стартера. В некоторых марках автомобилей необходимо подавать питание на цепь холодного старта. Цепь холодного старта проявляет себя так же, как и цепь стартера, но она не управляет стартером, а используется для подкачки топлива в инжекторную систему при холодном двигателе.
Если ключ зажигания находится в положении "стоянка" или "включено", то в дополнительном проводе присутствует напряжение +12 В. При прокручивании двигателя стартером в этом проводе отсутствует напряжение +12 В. В жгуте зажигания часто бывает более одного дополнительного провода. Вам нужен тот дополнительный провод, который питает кондиционер автомобиля. В некоторых марках автомобилей используются отдельные провода для вентиляции салона и для компрессора кондиционера. В таких случаях необходимо устанавливать дополнительные реле для питания второго дополнительного провода.
Для нахождения провода тахометра используется мультиметр для измерения напряжения переменного тока. На проводе тахометра прибор показывает переменное напряжение от 1 В до 6В переменного тока. В многокатушечных системах зажигания охранная система может снимать значение напряжения на проводах отдельных катушек, при этом падение напряжения на проводах отдельных катушек зажигания в многокатушечных системах зажигания будет ниже. Также для измерения скорости вращения двигателя система может использовать провод, управляющий впрыском топлива.
Обычно провод тахометра может быть подсоединен к самой катушке зажигания, к прерывателю-распределителю системы зажигания, или к компьютеру двигателя или автоматической трансмиссии.
ВНИМАНИЕ! Не пытайтесь определять провода тахометра с помощью лампочки-индикатора или логического пробника. Это приведет к появлению неисправностей в заводском жгуте.
Провод (+) габаритных фонарей очень часто можно найти рядом с выключателем. Многие автомобили имеют выключатель, встроенный в рычаг указателя поворота, и в таких автомобилях провод габаритных фонарей можно найти в рулевой колонке. Этот провод можно также очень часто найти за защитной панелью.
ПРИМЕЧАНИЕ. Во многих моделях Toyota, а также во многих азиатских автомобилях, сигнал (-) подается с выключателя на реле. Реле, в свою очередь, посылают напряжение (+)12 В на лампочки. Если у Вас возникают трудности с нахождением провода (+) габаритных фонарей рядом с выключателем, то тогда проверьте провода на любом выключателе или около приборной панели, которая освещается лампами инструментальной панели. Необходимо помнить, что Вы ищете провод (+) габаритных фонарей, напряжение в котором не изменяется от положения регулятора света.
Лучшие места для определения расцветки провода конечного выключателя:
На самом конечном выключателе. При тестировании конечного выключателя убедитесь в том, что он "видит" все двери. Часто конечный выключатель двери пассажира "видит" все двери, в то время как конечный выключатель двери водителя - не все.
На плафоне освещения салона. Если автомобиль оснащен схемой задержки освещения салона, то это может оказаться не самым лучшим выбором. Однако для многих автомобилей Honda (или для любых автомобилей, в которых конечные выключатели дверей изолированы диодами) это хороший вариант.
Как только Вы определили цвет провода, то самым лучшим местом для подключения к нему очень часто является проводка за защитной панелью около передней стойки или в приборной панели. В тех случаях, когда поиск провода в наилучших местах оказался безрезультатным, то попробуйте найти провод в самом фонаре салона. Очень часто это приводит к самому быстрому результату.
ПРИМЕЧАНИЕ. Необходимо убедиться в том, что найденный провод "видит" все двери. Некоторые последние модели автомобилей GM не имеют стандартных конечных выключателей. Освещение салона в таких автомобилях включается при подъеме ручки двери. В этих автомобилях провод (-), обеспечивающий срабатывание от всех дверей, обычно имеет синюю/белую или белую расцветку, и проходит от двери за защитную панель, и подает (-) при срабатывании. В некоторых автомобилях GM (некоторые Cavalier, некоторые Grand Ams и т.д.) этот провод имеет желтую расцветку, выходит из двери и подает (+) при срабатывании.
Прежде чем осуществлять соединение проводов, продумайте их прокладку по автомобилю. Например, желтый входной провод зажигания, красный входной провод некоммутируемого напряжения (+)12 В и оранжевый выходной провод, на котором появляется земля при включении системы в режим охраны (для дополнительного реле блокировки стартера), очень часто прокладываются вместе к жгуту переключателя зажигания. Для того, чтобы проводка была выполнена аккуратно и, кроме того, чтобы злоумышленникам было бы не так просто ее найти, Вы можете обмотать провода изоляционной лентой или скрыть их в трубке, аналогичной той, которую применяет завод-изготовитель автомобиля.
Имеются два приемлемых способа выполнения соединения проводов: пайкой и опрессовкой соединителей. При правильном выполнении любой из этих типов соединения является надежным и безаварийным. Независимо от того, паяете Вы соединения или производите их механическую опрессовку, необходимо убедиться в том, что соединения являются механически прочными и хорошо изолированными.
Дешевая изоляционная лента, особенно при неаккуратном применении, не является надежным изолятором. В жару она часто является причиной ложных срабатываний. По возможности, необходимо применять изоляционную ленту хорошего качества или термоусадочную трубку.
Никогда нельзя скручивать и заматывать провода изоляционной лентой, не произведя пайку.
Никогда нельзя использовать предохранительные отводы, поскольку они могут привести к повреждению выводов предохранительной коробки.
Если Вы используете соединители типа ЗМТ-Taps (не путать с Scotch-Loks), то избегайте их применения в цепях с высоким потреблением тока (линия некоммутируемого напряжения 12В, земля и т.п.). Некоторые типы соединителей имеют очень низкое качество и их применения следует избегать.




Н1/1. ОРАНЖЕВЫЙ ПРОВОД (-). Выход, активизируемый при включении системы в режим охраны. На этом проводе появляется (-) земля и держится столько времени, сколько система находится в режиме охраны. Этот провод обесточивается, как только система снимается с охраны. Этот оранжевый провод обычно используется для управления реле блокировки стартера 8618. Выход может коммутировать нагрузку до 500 мА.
ПРИМЕЧАНИЕ. Если оранжевый провод подсоединяется к реле блокировки стартера и используется для управления другим модулем, например, 529Т или 530Т контроллера оконного привода, то в этом случае потребуется диод на 1 А (например, 1N4004).

Н1/2. Белый провод (+). Выход для мигания фонарей (200 мА). Этот провод должен быть соединен с проводом (+) габаритных фонарей. Если перемычку изменения полярности сигнала мигания габаритных фонарей, расположенную под крышкой (см. "Настройка с помощью перемычек") переставить в другое положение, то на провод будет подаваться отрицательный сигнал (-) 200мА. Этот провод подходит для управления фонарями в автомобилях Toyota, Lexus, BMW, некоторые марки Mitsubishi, Mazda и др.

Н1/3. Белый/голубой (-). Вход/выход функции 3. Импульсный сигнал на этом входе управляет запуском/блокировкой двигателя, также как это делает функция 3 пульта дистанционного управления. Чтобы сделать более удобным доступ к режимам дистан-ционного запуска двигателя, этот провод часто подсоединяют к дополнительному кнопочному выключателю. Всякий раз при нажатии кнопок, управляющих функцией 3, белый/голубой провод становится выходом, который может быть использован для отключения штатных охранных систем при дистанционном запуске двигателя.
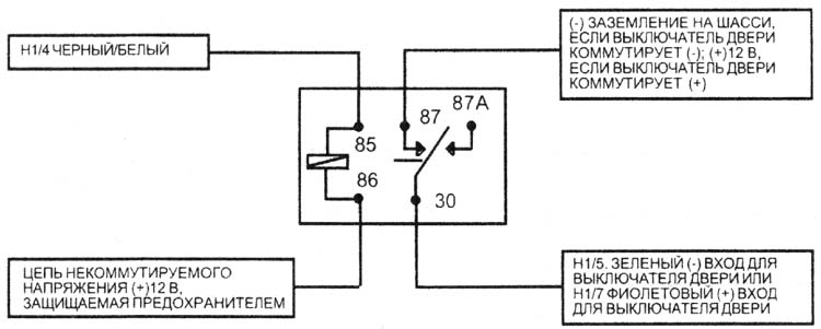
Н1/4. Черный/белый провод (-). Выход 200 мА для управления освещением салона. Подсоедините этот провод к дополнительному реле управления освещением салона, как показано ниже.
ВНИМАНИЕ! Этот выход предназначен для подключения реле. Его нельзя соединять с цепью освещения салона, поскольку этот выход не рассчитан на ток одной или более ламп освещения салона. При установке дополнительного управления освещением салона внешнее реле подключается следующим образом:

Н1/5. Зеленый провод (-), при срабатывании конечного выключателя двери или Н1/7. Фиолетовый провод (+), при срабатывании конечного выключателя двери. Если в том проводе, который Вы нашли, при открывании двери появляется (-), то следует соединить его с зеленым проводом. Если в том проводе, который Вы нашли, при открывании двери появляется (+), то в этом случае следует соединить его фиолетовым проводом. ВНИМАНИЕ! Обязательно убедитесь в том, что этот провод "видит" все двери.

Н1/6 Голубой провод (-). Мгновенное срабатывание. Этот вход обеспечивает мгновенное срабатывание при поступлении отрицательного сигнала. Больше всего подходит для подключения конечных выключателей капота и багажника и соответствует зоне 1.
Н1/8. Черный провод (-). Заземление на шасси. Соединить этот провод с зачищенной поверхностью металла. Предпочтительнее соединение с помощью заводского болта, а не с помощью Вашего винта (винты имеют тенденцию либо срывать резьбу либо со временем ослаблять затяжку). Мы рекомендуем заземлять все компоненты системы к одной и той же точке автомобиля.

Н1/9. Желтый провод. Нет соединений
Н1/10. Коричневый провод (+). Выход на сирену. Соединить данный провод с красным проводом сирены 514Т Revenger. Черный провод сирены соединить с (-) заземлением на шасси, предпочтительно в той же точке, к которой подсоединен черный провод заземления блока управления.

Н1/11. Красный провод. Вход для некоммутируемого напряжения питания (+)12 В. Прежде чем подсоединять этот провод, необходимо удалить плавкий предохранитель, расположенный за этим соединением. Подсоединить к положительной клемме аккумулятора или к проводу некоммутируемого напряжения питания 12В, подклю-чаемому к переключателю зажигания.
ПРИМЕЧАНИЕ. Всегда необходимо использовать плавкий предохранитель, расположенный не далее 300 мм от точки получения (+)12 В. Не следует использовать для этих целей предохранитель на 10 А, находящийся в жгуте. Этот предохранитель предназначен для защиты самого блока управления.
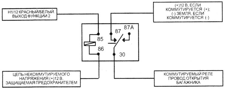
Н1/12. Красный/белый провод. Выход функции 2, (-), 200 мА. Когда блок управления получает код управляющей функции 2 и "видит", что эта передача длится более 1,5 секунд, то на красный/белый провод подается (-) столько времени, сколько длится передача управляющего сигнала. Этот выход часто используется для управления открытием багажника/люка или для выполнения других функций, выполняемых через реле.
ВНИМАНИЕ! К этому выходу можно подключать только реле или нагрузку с низким потреблением тока. Этот транзисторный выход может обеспечить не более 200 мА и поэтому, если его подсоединить непосредственно к соленоиду, электромотору или к другим устройствам с высоким потреблением тока, то данный выход выйдет из строя.

Все пять проводов, выходящих из вспомогательных реле, используются для питания цепей с высокой нагрузкой по току. Следовательно, требования к качеству проводов и их способности выдерживать необходимую нагрузку являются критичными, в таких цепях категорически не рекомендуется применение соединений с помощью коннекторов, скруток и т.п.
КРАСНЫЙ (2) (+) 12В. Вход для реле. Перед соединением этих проводов удалите оба плавких предохранителя на 30 ампер, которые вы вернете на место только после установки вспомогательного реле в управляющий блок. Эти провода являются источником тока для всех цепей, которые питаются от вспомогательного реле. Они должны быть подсоединены к мощному источнику тока. Так как в соответствии со схемой завода-изготовителя напряжение (+) 12 В для управления двигателем подается на выключатель зажигания, рекомендуется соединять эти провода именно там.
ПРИМЕЧАНИЕ. Если заводом-изготовителем предусмотрены для выключателя зажигания два различных провода питания с напряжением 12 В, то подсоедините по одному красному проводу вспомогательного реле к каждому проводу питания около выключателя.
РОЗОВЫЙ (+). Выход на зажигание. Соедините этот провод с проводом зажигания.
ОРАНЖЕВЫЙ (+). Дополнительный выход. Соедините этот провод с дополнительным проводом из автомобиля, подающим питание на схему кондиционера.
ЛИЛОВЫЙ (+). Выход на стартер. Соедините этот провод с проводом стартера.
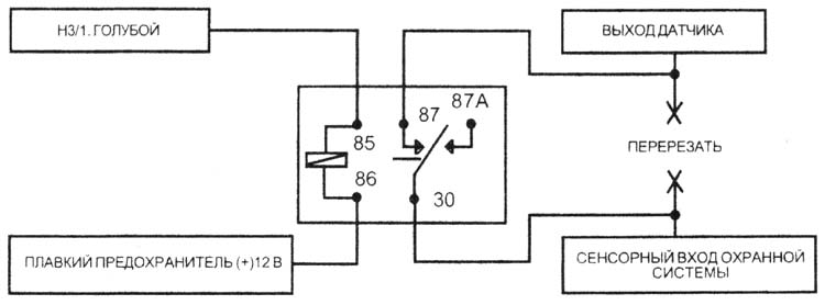
НЗ/1. ГОЛУБОЙ (-). Выход. Как только управляющий блок подает сигнал дистанционного запуска двигателя, через этот провод может подаваться ток 200 мА. Можно использовать этот провод с дополнительным реле, для отключения от охранной системы любого из датчиков (см. схему). Он также используется при установке голосового модуля 5161 и при отключении штатной охранной системы.
ПРИМЕЧАНИЕ. Датчик удара, который входит в комплект, отключается автоматически.

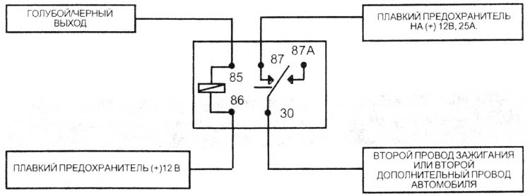
НЗ/2. ГОЛУБОЙ/ЧЕРНЫЙ (-). Второй выход для зажигания. Когда выполняется дистанционный запуск стартера на этот провод подается ток 200 мА. Данный провод используется для включения реле, подающего напряжение на второй жгут зажигания или второй дополнительный провод (см. схему). При необходимости этот выход может управлять двумя реле.

НЗ/3. СЕРЫЙ (-). Вход блокировки двигателя
По этому входу можно заблокировать или прервать дистанционный запуск двигателя. Настоятельно рекомендуется подсоединять этот провод к конечному выключателю капота, что позволяет исключить запуск двигателя с открытым капотом.
НЗ/4. КОРИЧНЕВЫЙ (+). Вход блокировки двигателя. Этот вход действует также как и серый провод, но с противоположной полярностью. Подача (+)12 В на этот провод заблокирует дистанционный запуск двигателя или прервет уже начавшийся процесс дистанционного запуска. Должен быть соединен с выключателем педали тормоза.
НЗ/5. БЕЛЫЙ. Входной сигнал от тахометра. Этот вход обеспечивает управляющий блок информацией о скорости вращения двигателя (об/мин.). У традиционных двигателей этот провод может быть подсоединен к отрицательному выводу катушки. В многокатушечных системах и системах с сильноточным зажиганием обнаружение подходящего сигнала может быть затруднено. Когда вход подсоединен нужно "научить" систему считывать этот сигнал, см. раздел "Настройка с помощью перемычек".
НЗ/6. ЧЕРНЫЙ/БЕЛЫЙ. Вход от выключателя нейтрали. Для обеспечения работы системы дистанционного запуска двигателя этот вход должен быть заземлен. Многие марки автомобилей с автоматической трансмиссией имеют "истинный" выключатель нейтрали, который блокирует стартер, при включенной коробке передач. В таких автомобилях этот провод следует соединять с заземлением на шасси. В любом случае, если существует вероятность запуска стартера при включенной коробке передач, следует использовать этот вход.
ПРИМЕЧАНИЕ. Если ЧЕРНЫЙ/БЕЛЫЙ провод не используется, то он должен быть заземлен. При незадействованном проводе система работать не будет.
В некоторых марках автомобилей не предусмотрен электрический предохранительный выключатель от неконтролируемого трогания автомобиля. Вместо него используется механический выключатель, который физически разрывает цепь стартера при включении какой-либо передачи. Если система дистанционного запуска двигателя включается перед этим выключателем, то он обеспечивает защиту от запуска двигателя при включенной передаче. Однако, в некоторых марках автомобилей рычаг коробки передач и механический выключатель от неконтролируемого трогания с места объединены в единый механический блок. В таких автомобилях невозможно задействовать систему дистанционного запуска двигателя перед выключателем от неконтролируемого трогания с места. Если попытаться произвести запуск двигателя при включенной передаче, автомобиль сделает резкий рывок, что опасно для находящихся поблизости людей и предметов.
По имеющимся сведениям, подобными схемами включения из выпускаемых в настоящее время автомобилей обладают только спортивные автомобили, легковые автомобили с рычажной коробкой передач и большинство грузовиков GM, а также пикапы Dodge Dakota с двигателями 2,5 л производства до 1996 г.
Грузовики GM, со встроенным в рычаг коробки передач предохранительным выключателем от неконтролируемого трогания, обычно можно отличить по лиловому проводу стартера. Как правило, в автомобилях с отдельным механическим выключателем можно найти желтый провод, идущий от замка зажигания к механическому выключателю, и лиловый провод от механического выключателя к собственно стартеру. Но имейте ввиду, это только приближенный метод, он не может заменить обязательного тестирования.
Мы предлагаем следующий метод тестирования автомобилей с подобными системами.
ПРИМЕЧАНИЕ. Перед проведением теста необходимо полностью установить систему дистанционного запуска двигателя, т.е. подключить педаль тормоза, так чтобы она выполняла функцию блокировки двигателя и убедиться, в том что система функционирует нормально.
Если при тестировании автомобиля производства GM или пикапа Dodge Dakota стартер включится, то можно применять метод блокировки запуска стартера, изложенный ниже. (В остальных случаях обращайтесь в службу технической поддержки DEI).
Во всех автомобилях, построенных поданному принципу, для того, чтобы вынуть ключ из замка зажигания, необходимо перевести рычаг коробки передач в нейтральное положение. Это позволяет использовать выключатель, представляющий информацию "ключ в замке зажигания", для блокировки дистанционного запуска двигателя, когда ключ находится в замке зажигания. Ниже приведены схемы выполнения данной функции. Первая схема применима к современным грузовикам GM, вторая ко всем пикапам Dodge Dakota, выпуска до 1996 г. с двигателями объемом 2,5л. Это решение имеет один побочный эффект. Если водитель вставляет ключ в зажигание при открытой двери водителя, то происходит блокировка системы дистанционного запуска. Поэтому при установке предохранительного выключателя таким образом важно объяснить пользователю, что при включенной системе дистанционного запуска двигателя перед тем, как вставлять ключ в замок зажигания, необходимо закрыть дверь водителя. Это позволит, до того как сработает схема блокировки стартера, включить зажигание и одновременно заблокировать дистанционный запуск двигателя нажатием на педаль тормоза.
Однако, учитывая постоянные изменения, вносимые заводом-изготовителем в модели автомобилей, возможно, что данная схема применима не ко всем автомобилям. Кроме того следует иметь ввиду, что в разных моделях может встретиться разная цветовая маркировка проводов, поэтому будьте внимательны при тестировании. Если вам нужна помощь при проведении этой работы, то обращайтесь в службу технической поддержки DEI.
ВНИМАНИЕ! После того как предохранительный выключатель от неконтролируемого трогания с места будет установлен, попытайтесь произвести дистанционный запуск двигателя с закрытой дверью водителя и ключом в замке зажигания. Двигатель не должен запуститься. Если он запустится, то перепроверьте соединение.


В автомобилях GM, оснащенных штатной противоугонной системой, в ключ зажигания впаян резистор. Если декодер этой системы не обнаруживает нужного сопротивления в момент запуска стартера, то стартер и система подачи топлива могут быть отключены на интервал времени до 10 минут. Система содержит "набор" разных резисторов. Один из них будет соответствовать сопротивлению, находящемуся в ключе.
Провода противоугонной системы GM (VATS) - это два очень тонких провода, которые можно найти в рулевой колонке. Расцветка проводов может варьироваться, но часто они бывают упакованы в оранжевый, кембрик. Определите величину сопротивления в ключе зажигания. На приведенной ниже схеме показано, как обойти противоугонную систему VATS во время процедуры дистанционного запуска двигателя.
ПРИМЕЧАНИЕ. При соединении проводов VATS не имеет значения, какой провод перерезан.

Провода от этих элементов вставляются в разъем блока управления. Провода от светодиода вставляются в маленький разъем на 2 вывода, а провода от выключателя служебного режима вставляются в голубой разъем большего размера на 2 вывода.
Не забудьте, что для сигнального светодиода необходимо просверлить отверстие диаметром 7,14 мм.

ЗЕЛЕНЫЙ (-). Мультиплексный вход. Входные воздействия длительностью менее 0,8 секунды вызывают реакцию предупреждения-отпугивания Warn-Away®. Входные сигналы длительностью более 0,8 секунды приводят к отработке всей последовательности действий, выполняемой при срабатывании охранной системы, при этом система сообщает о срабатывании зоны 4. Если в системе используется дополнительный двухуровневый датчик, то его следует присоединить к ЗЕЛЕНОМУ проводу так, как показано ниже на схеме. Схема, представленная внизу, позволяет с одной стороны обойтись без диодов, используемых обычно для развязки датчиков, а с другой стороны дает возможность поставить в соответствие каждому датчику отдельную зону.

ГОЛУБОЙ (-). Мультиплексный вход. Входные воздействия длительностью менее 0,8 секунд вызывают реакцию предупреждения-отпугивания Warn-Away®. Входные сигналы длительностью более 0,8 секунды приводят к отработке всей последовательности действий, выполняемой при срабатывании охранной системы, при этом система сообщает о срабатывании зоны 2.
КРАСНЫЙ, ЧЕРНЫЙ. КРАСНЫЙ - это некоммутируемое напряжение (+)12 В. ЧЕРНЫЙ - это (-) земля. Данные провода можно использовать только для подключения к вилке датчика удара.

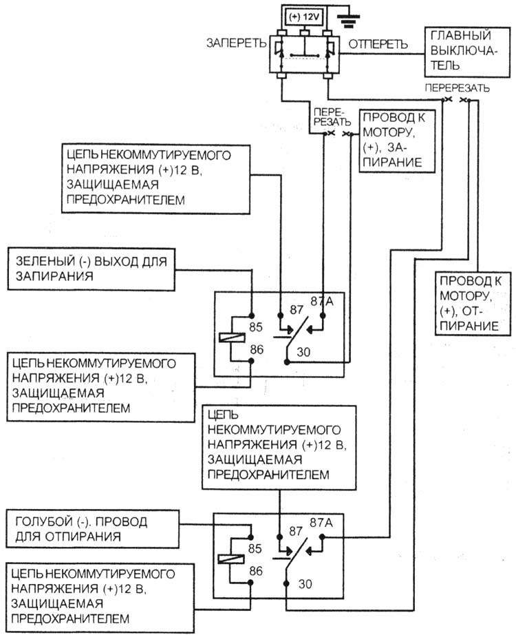
Эта система может работать с двумя типами приводных дверных замков без применения каких-либо дополнительных элементов. Однако с некоторыми автомобилями, а также в тех случаях, когда нужно устанавливать исполнительные механизмы, могут потребоваться либо два реле, либо вспомогательное реле дверного замка 451 М.
ВНИМАНИЕ! Если Вы перепутаете тип С (система с непосредственным подключением проводов) с типом А (система с положительными импульсами), то будет поврежден блок управления.
Система может управлять этим типом систем напрямую, без промежуточных реле! Переключатель имеет три провода. На одном проводе присутствует некоммутируемое напряжение (+)12 В. На другие провода подаются импульсы (+)12 В при команде "открыть" (для одного провода) или "закрыть" (для другого).
Если Вы не можете добраться до переключателя и обнаружили только набор проводов, на которых попеременно имеются импульсы напряжения (+)12 В для закрытия и открытия, то надо быть очень осторожным и убедиться в том, что это не система типа С с непосредственным подключением проводов.
Для этого имеется специальный тест. Перерезать провод, на котором имеются импульсы (+)12 В на запирание, и затем переключить выключатель на отпирание.
Если все двери открыты, то это система типа А.
Если замки всех дверей перестают работать в обоих направлениях, то это означает, что Вы имеете дело с системой типа С.
Если отпирание и запирание замка не работает только на той двери, с которой Вы экспериментируете, а на всех остальных дверях замки работают нормально, то это означает, что Вы перерезали провод, идущий непосредственно к электродвигателю в данной двери. Поэтому Вам необходимо найти вместо этого провода тот провод, который действительно идет к переключателю.
Многие автомобили GM американского производства используют замки типа А. Предупреждение! Еще большее количество автомобилей GM, выпущенных в предыдущие годы, имеют замки типа С. Полноразмерные пикапы (до 1989 г), многие модели S10 Blazer, Corvette, '95 Cavalier/Sunfire 1993 и более новые, Camaro/Firebird используют дверные замки типа С и потому не могут управляться без применения модуля 451М!
Кроме того, почти все модели Ford американского производства имеют замки типа С. (Ford почти никогда не использует системы типа А.)
Chrysler использует как замки типа А, так и замки типа С, поэтому будьте внимательны.

Эта система часто используется во многих моделях Toyota, Nissan, Honda и Saturn, а также в автомобилях Ford, оснащенных кнопочной системой открытия дверей без ключа (некоторые другие модели автомобилей Ford также используют систему типа В).
Переключатель имеет три провода. На одном проводе всегда присутствует земля. На другом проводе возникают импульсы (-) земля, когда переключатель запирает двери, а на третьем проводе возникают импульсы (-) земля, когда переключатель отпирает двери. Этот тип системы трудно перепутать с другими типами систем.

Подключение к системе с переменной полярностью требует использования двух реле или одного реле 451 М (не входит в комплект поставки). Для правильного подключения очень важно найти нужные провода и расположение главного выключателя. Найдите провода, в которых напряжение появляется и при открывании и при закрывании. Перережьте один из этих проводов и проверьте, как реагируют замки на оба выключателя. Если один выключатель прекращает работу замка в обоих направлениях, а другой выключатель действует только в одном направлении, то Вы нашли один из нужных проводов. Выключатель, который прекращает все операции замка - главный. Если один из выключателей работает в обоих направлениях, а другой только в одном, Вы имеете дело с системой типа А. Если оба выключателя действуют по-прежнему и одна или несколько дверей совсем перестали реагировать, то Вы перерезали питание мотора. Восстановите соединение и продолжайте поиск нужного провода. Когда оба провода найдены и главный выключатель идентифицирован, перережьте оба провода и выполняйте соединения, как показано ниже.

ОСТОРОЖНО! Если Вы неверно произведете это соединение, Вы подключите (+)12 В прямо к (-) земле, это может повредить охранную систему или заводские выключатели.
Чтобы данная система управляла одним или большим количеством незаводских приводов, требуется использование модуля 451 М или двух реле (не входят в комплект поставки). Автомобили, не имеющие установленных заводом-изготовителем приводов дверных замков, требуют установки привода на каждую дверь. Потребуется выполнить монтаж привода замка внутри двери. Некоторые автомобили требуют установки только одного привода в двери водителя, если замки других дверей приводятся в действие вместе с замком двери водителя. Такой тип установки необходим для управления заводской системой замков в автомобилях Volvo (кроме 850), SAAB, в большинстве моделей Mazda, Isuzu и Subaru.
Предохранитель, устанавливаемый на проводе 12 В. выбирается из расчета 7,5 А на каждый установленный привод.

ОСТОРОЖНО! Не подсоедините эти выходы охранной системы непосредственно к приводу!
Дверные замки контролируются электрически управляемым вакуумным насосом. Некоторые модели Mercedes и Audi используют систему типа D. Это можно проверить, попытавшись запереть двери главным цилиндром пассажирских дверей. Если все двери оказались заперты, значит систему можно контролировать с помощью двух дополнительных реле. Управляющий провод можно найти под любой из защитных панелей, в нем появляется (+) 12В при открытии двери и (-) земля при закрытии.
Подсоединяйте, как указано на рисунке внизу. Система должна быть запрограммирована таким образом, чтобы длительность импульсов управления дверными замками была бы равна 3,5 с. (см. раздел "Настройка системы посредством обучающей программы").

В системе этого типа обычно для отпирания используется отрицательный импульс, а для запирания двери - обрыв цепи. ( В некоторых автомобилях наоборот). Такая система используется в последних моделях Nissan Sentra, некоторых Nissan 240SX и Nissan 300ZX до 1992 г выпуска, а также на некоторых моделях Mazda MPV и Mitsubishi.
Для подключения к этой системе требуется одно дополнительное реле, как показано ниже:

| Выключатели | ВКЛ. | ВЫКЛ. |
|---|---|---|
| 1 | Без контроля оборотов | Вход с тахометра подключен |
| 2 | Ровный свет габаритных огней | Мигание габаритных огней |
| 3 | Запуск на 12 мин. | Запуск на 24 мин. |
| 4 | Запоминание оборотов ВКЛ. | Запоминание оборотов ВЫКЛ. |
Этот переключатель служит для того, чтобы система могла работать без входного сигнала от тахометра. Когда переключатель #1 находится в положении "Без контроля оборотов", система будет в течение 2 секунд производить запуск стартера. В этом режиме система не получает сигнал от тахометра, поэтому блокировка от превышения скорости вращения двигателя невозможна. Если БЕЛЫЙ провод от тахометра подключен, то переключатель #1 должен находиться в положении ВЫКЛ.
ПРИМЕЧАНИЕ. DEI настоятельно рекомендует везде, где это возможно, подключить входной сигнал от тахометра. Установка на "Без контроля оборотов" допускается только в случае крайней необходимости.
Этот переключатель определяет поведение габаритных фонарей во время выполнения процедуры дистанционного запуска двигателя. При получении команды, начать дистанционный запуск двигателя, огни мигнут один раз, независимо от того, в каком положении находился переключатель. Далее, когда двигатель уже работает, то если переключатель #2 находится в положении ВЫКЛ. - габаритные огни мигают; в положении ВКЛ. - горят ровным светом.
С помощью этого переключателя выбирается время, в течение которого двигатель работает после запуска. Можно выбрать 12 или 24 мин.
Этот переключатель используется для снятия и обработки показаний тахометра управляющим блоком. Система проанализирует сигнал, поступивший на вход, и автоматически выставит верхний и нижний пределы скорости вращения двигателя.
ПРИМЕЧАНИЕ. Для функционирования светодиода Красная петля должна быть замкнута.
Положение этой перемычки определяет состояние выхода для управления миганием габаритных фонарей. В положении (+) встроенное реле включено и на вход БЕЛОГО провода Н1/2 подается (+) 12В. В положении (-) встроенное реле выключено. На выходе Н1/2, БЕЛЫЙ провод, появляется ток (-)200мА, достаточный для управления штатными реле габаритных фонарей.
В положении "Программирование возможно" (L) можно использовать выключатель Служебный режим/Программирование как для доступа к процедуре программирования, так и к служебному режиму. В положении Только Служебный режим (V) переключатель Служебный режим/Программирование функционирует только как выключатель служебного режима, т.е. когда перемычка находится в положении (V) программирование невозможно.
При повороте ключа зажигания в положение ВКЛЮЧЕНО при замкнутой петле сигнальный светодиод сообщает причину последней блокировки дистанционного запуска двигателя, см. раздел "Диагностика причин блокировки двигателя". Когда монтаж и окончательное тестирование системы завершены, перережьте КРАСНУЮ петлю. Если впоследствии потребуется провести диагностику, то КРАСНУЮ петлю можно восстановить.
Для того, чтобы войти в обучающую программу, необходимо переставить расположенную под съемной крышкой перемычку в положение "Программирование возможно", см. "Настройка с помощью перемычек". Для программирования используется кнопка "Служебный режим/Программирование", вставленная в голубой порт. При программировании следует помнить основную последовательность: Дверь, Ключ, Выбор, Пульт, Отпустить кнопку.
| Нажмите и Отпустите | Программируется |
|---|---|
| Один раз | Постановка на охрану/снятие с охраны/паника |
| Два раза | Выход второго канала (Беззвуковой режим/Дистанционный служебный режим) |
| Три раза | Выход третьего канала |
После того, как Вы выбрали функцию, нажмите кнопку еще раз и не отпускайте ее. Прозвучит одно, два или три "чириканья" в зависимости от того, какая именно функция выбрана. Не отпускайте кнопку Служебный режим/Программирование.
Чтобы перейти от одной функции к другой, нужно отпустить кнопку Служебный режим/ Программирование, нажать ее столько раз, сколько нужно для перехода к соответствующей функции, еще раз нажать и продолжать удерживать кнопку.
Например, Вы запрограммировали функцию один. Теперь Вы хотите программировать функцию два. Отпустите кнопку программирующего выключателя. Теперь один раз нажмите и отпустите этот выключатель. В результате Вы перейдете от функции один к функции два. Теперь нажмите кнопку еще раз и удерживайте ее в нажатом положении, система дважды чирикнет. Как и прежде, не отпускайте кнопку.
Если Вы хотите перейти от функции один к функции три, то необходимо отпустить кнопку программирующего выключателя, нажать ее дважды, а затем нажать и удерживать ее в нажатом положении. После этого Вы услышите три "чириканья", подтверждающих, что система готова к принятию кода от пульта дистанционного управления.
Система выходит из обучающей программы, если:
Одно длинное "чириканье" указывает на выход системы из программы обучения.
Многие выполняемые системой операции могут быть запрограммированы. При необходимости состав выполняемых операций можно изменить с помощью компьютерной обучающей программы. Для того, чтобы войти в обучающую программу, необходимо переставить расположенную под съемной крышкой перемычку в положение "обучение" (см. "Настройка с помощью перемычек"). Для программирования используется кнопка служебного режима/программирования, вставленная в голубой порт, и пульт дистанционного управления. При программировании следует помнить основную последовательность: Дверь, Ключ, Выбор, Пульт, Отпустить кнопку.
| Номер операции | Настройка-1 (одно "чириканье") | Настройка-2 (два "чириканья") |
|---|---|---|
| 1 | Активная постановка на охрану | Пассивная постановка на охрану |
| 2 | Постановка на охрану/снятие с охраны сопровождается "чириканьем" | Постановка на охрану/снятие с охраны производится без "чириканья" |
| 3 | Запирание дверей, контролируемое зажиганием | Стандартное запирание дверей |
| 4 | Только активное запирание | Пассивное запирание |
| 5 | Режим "паника" разрешен при включенном зажигании | Режим "паника" не разрешен при включенном зажигании |
| 6 | Импульс запирания двери нормальной длительности (0,8 секунды) | Импульс запирания двери длительностью 3,5 секунды |
| 7 | Принудительная пассивная постановка на охрану включена | Принудительная пассивная постановка на охрану выключена |
| 8 | Автоматическое отключение мотора включено | Автоматическое отключение мотора выключено |
| 9 | Отпирание с помощью двойного импульса ВЫКЛ. | Отпирание с помощью двойного импульса ВКЛ. |
| 10 | Динамический код включен | Динамический код выключен |
| 11 | Сирена | Штатный сигнал автомобиля |
После того, как Вы выбрали операцию, нажмите кнопку еще раз и не отпускайте ее. Через секунду прозвучит сирена, указывая выбранную Вами операцию. Например, три "чириканья" означают, что выбрана операция запирания дверей, контролируемого зажиганием.
Например, если Вы хотите изменить режим постановки на охрану с активного на пассивный, то один раз нажмите и отпустите выключатель программирования, а затем нажмите и удерживайте его в нажатом состоянии. Вы услышите одно подтверждающее "чириканье", которое означает, что система готова к изменению настройки данной операции. Удерживая кнопку служебного режима/программирования, нажмите кнопку постановки на охрану пульта дистанционного управления. Сирена "чирикнет" дважды, указывая, что запрограммирована пассивная постановка на охрану. Если эта установка Вас устраивает, отпустите кнопку служебного режима/программирования. Если Вам нужна другая установка, еще раз нажмите кнопку постановки на охрану пульта дистанционного управления, продолжая удерживать кнопку служебного режима/программирования. Сирена "чирикнет" один раз, указывая, что запрограммирована активная постановка на охрану. Когда выбрана нужная установка, отпустите кнопку служебного режима/программирования.
Вы можете переходить от одной программируемой операции к другой, если нажмете выключатель программирования столько раз, сколько требуется для перехода к соответствующей операции. Если Вы запрограммировали постановку/снятие с охраны без "чириканья" и хотите запрограммировать пассивное запирание дверей, отпустите кнопку служебного режима и нажмите и отпустите ее еще два раза, чтобы перейти от операции два к операции четыре. Затем нажмите выключатель еще раз и удерживайте его в нажатом состоянии. Система "чирикнет" четыре раза. подтверждая, что выбрана операция номер четыре.
Система выходит из обучающей программы, если:
Одно длинное "чириканье" указывает на выход системы из программы обучения.
В режиме активной постановки на охрану система ставится на охрану только с пульта дистанционного управления. В режиме пассивной постановки на охрану система автоматически ставится на охрану через 30 секунд после того, как будут закрыты все двери автомобиля. Режим пассивной постановки на охрану (после того как будет нажат последний конечный выключатель) отображается частым миганием сигнального светодиода.
Эта функция определяет, будет ли выполняться звуковое сопровождение в виде "чириканий" сирены при постановке и снятии системы с охраны.
В положении включено выполняется автоматическое запирание приводных замков через три секунды после включения зажигания и отпирание после выключения зажигания. Если зажигание включается при открытых дверях, то запирание замков не производится.
Если выбран режим пассивной постановки на охрану (см. п. 1), то можно запрограммировать систему либо на автоматическое запирание приводных замков в момент выполнения пассивной постановки на охрану, либо на запирание замков, которое будет выполняться только при постановке системы на охрану с пульта дистанционного управления. Активное запирание приводных замков означает, что система не выполняет автоматическое запирание замков при пассивной постановке системы на охрану. Пассивное запирание означает, что в момент пассивной постановки системы на охрану происходит автоматическое запирание дверей.
Эта функция определяет, доступен ли режим "паника" при включенном зажигании. Законы некоторых штатов запрещают подачу звуковых сигналов движущимися автомобилями. Данная функция дает возможность соблюдать местные законы.
В некоторых европейских марках автомобилей, таких как Benz и Audi, требуются более длительные импульсы, управляющие вакуумными насосами приводных замков. Предусмотрена возможность программирования системы на импульсы длительностью 3,5 секунды. На заводе-изготовителе система запрограммирована на импульсы длительностью 0,8 сек, см. схему "Тип Е для Mercedes Benz и Audi (выпуск 1985 г. и более новые)".
Для того, чтобы данная функция была доступна, необходимо сначала выбрать режим пассивной постановки на охрану (см. п. 1). Если включена принудительная пассивная постановка системы на охрану, то пассивная постановка на охрану произойдет даже в том случае, если какая-либо из контролируемых зон осталась открытой или неисправен какой-либо датчик. Принудительная пассивная постановка на охрану включается через один час после выключения зажигания.
Автоматическая блокировка стартера - это автоматическое отключение стартера, которое выполняется независимо от работы охранной системы. Если автоматическая блокировка стартера включена, то через 30 секунд после выключения зажигания активизируется ОРАНЖЕВЫЙ провод Н1/1, на котором при включенном режиме охраны появляется земля. В течение этих 30 секунд сигнальный светодиод мигает в два раза реже обычного, указывая тем самым, что включена автоматическая блокировка стартера. Затем отключается стартер. При включенном Служебном режиме автоматическая блокировка стартера не выполняется и ее можно обойти при помощи процедуры экстренного обхода. С помощью пульта дистанционного управления можно отменить автоматическую блокировку стартера. Для этого, используя пульт дистанционного управления, нужно сначала поставить на охрану, а затем снять систему с охраны.
В некоторых марках автомобилей для отпирания приводных замков необходимо подавать по одному проводу два импульса. Если включена функция подачи двойного импульса, то ГОЛУБОЙ провод Н2/С подает два (-) импульса, а ЗЕЛЕНЫЙ провод Н2/А подает 2 (+) импульса. Наличие данной функции позволяет системе работать с такими приводными замками без выполнения дополнительного монтажа.
Система по особой формуле изменяет рабочий код после каждого срабатывания пульта дистанционного управления. В результате передаваемый двоичный код или, как принято говорить, "слово" становится очень длинным. Чем длиннее "слово", тем труднее его безошибочный прием блоком управления. Отмена динамического кода позволяет блоку управления игнорировать динамическую часть пароля. При этом радиус действия пульта дистанционного управления увеличивается.
Предусмотрена возможность подачи либо постоянного, либо импульсного напряжения при срабатывании системы. Если по каким-либо причинам нельзя включать сирену, то, используя эту функцию, можно задействовать штатный сигнал автомобиля. Имейте ввиду, что максимальный выходной ток системы 1А. Поэтому в большинстве автомобилей необходима установка дополнительного реле.
Для этой системы необходимо изменить обычный порядок тестирования, так как она в течение 60 минут игнорирует входные сигналы.
Если система "видит", что одна и та же зона сработала три раза и эти срабатывания следовали друг за другом с интервалом менее часа, то она будет игнорировать вход от этой зоны в течение 60 минут.
Если данная зона не предпринимает попыток запустить охранную систему на протяжении 60 минут, то в конце этого часа контроль зоны возобновляется. НОВАЯ ОСОБЕННОСТЬ! Если эта зона предпринимает попытку запустить охранную систему в течение времени ее игнорирования, то 60 минутный период игнорирования возобновляется.
Снятие системы с охраны и повторная постановка на охрану не отменяют игнорирования входа системой NPC. Сброс системы NPC происходит только после того, как проходит 60 минут без поступления сигнала от игнорируемой зоны, или при включении зажигания. Это позволяет многократно запускать срабатывание системы, снимать ее с охраны, повторно ставить на охрану, при том что система предотвращения нарушения общественного порядка продолжает игнорировать зону ложного срабатывания. Пять "чириканий" сирены при снятии системы с охраны указывают на то, что NPC приведена в действие. Индикаторный светодиод при этом указывает игнорируемую зону (см. диагностику).
Повернуть ключ зажигания в положение ОТКЛ (для того, чтобы иметь возможность отключить зажигание, необходимо, чтобы сначала оно было включено).
В любой момент в течение следующих 10 секунд нажать и отпустить выключатель служебного режима.
После этого, если Вы вошли в служебный режим, то сигнальный светодиод будет гореть ровным светом, если вышли - светодиод погаснет.
Открыть любую дверь.
Нажать кнопку 1 (или кнопку, выполняющую функцию постановки системы на охрану/снятия с охраны).
Нажать кнопку 2 (или кнопку, выполняющую функцию 2).
Еще раз нажать кнопку 1.
Теперь Вы вошли или вышли из служебного режима (проверьте по состоянию сигнального светодиода).
Применяя функции диагностики, используйте та блицу контролируемых зон, чтобы увидеть, какой вход привел к срабатыванию системы. Эта таблица также поможет решить, какой вход использовать при подключении дополнительных датчиков и выключателей.
| Номер зоны | Тип срабатывания | Описание входа |
|---|---|---|
| Один | Мгновенное | ГОЛУБОЙ провод Н1/6. Соединить с дополнительными микровыключателями капота/багажника. ГОЛУБОЙ провод датчика удара. Входные воздействия длительностью менее 0,8 секунд вызывают реакцию предупреждения-отпугивания. |
| Два | Мультиплексное | Wam-Away . Входные сигналы длительностью более 0,8 секунд приводят к отработке всей последовательности действий, выполняемой при срабатывании охранной системы. |
| Три | Двухуровневое срабатывание. Сначала предупреждение, затем режим полной тревоги | Цепь дверных конечных выключателей. Н1/5 ЗЕЛЕНЫЙ провод или Н1/7 ФИОЛЕТОВЫЙ провод. |
| Четыре | Мультиплексное | Warn-Away . Входные сигналы длительностью более 0,8 секунд приводят к отработке всей последовательности действий, выполняемой при срабатывании охранной системы. |
| Пять | Двухуровневый (аналогично дверям) | Зажигание. Н1/9 ЖЕЛТЫЙ. |
Реакция системы Warn-Away® не отображается сигнальным светодиодом.
Система может сообщать причину последней блокировки дистанционного запуска двигателя.
Для этого должна быть соединена КРАСНАЯ петля, находящаяся под крышкой корпуса. Чтобы увидеть диагностику блокировки включите зажигание. В течении одной минуты светодиод, смонтированный на приборной панели выдает группы импульсов, значения которых приведены в следующей таблице:
| Количество миганий светодиода | Причины срабатывания блокировки |
|---|---|
| 1 | Управление по таймеру |
| 2 | Превышение допустимой скорости вращения двигателя |
| 3 | Скорость вращения двигателя ниже минимально допустимой или равна нулю |
| 4 | Блокировка включена с пульта дистанционного управления (или с помощью дополнительной кнопки) |
| 5 | (-) Блокировка (НЗ/3 СЕРЫЙ) |
| 6 | (+) Блокировка (НЗ/4 КОРИЧНЕВЫЙ) |
| 7 | (-) Предохранительный выключатель от неконтролируемого трогания с места (НЗ/6 ЧЕРНЫЙ/БЕЛЫЙ) |
Возможные причины: питание подается не на тот провод зажигания, провод зажигания и дополнительные провода подсоединены в обратном порядке или двигатель имеет две цепи зажигания. Попробуйте произвести дистанционный запуск двигателя, когда ключ зажигания находится в положении "включено". Если двигатель запустится, то перепроверьте систему зажигания.
Возможно активен вход блокировки двигателя или ЧЕРНЫЙ/БЕЛЫЙ провод не заземлен.
Проверьте, заведется ли стартер при вставленном ключе зажигания. Если да, то возможно автомобиль оснащен штатной противоугонной системой, см. раздел "Обход встроенной противоугонной системы грузовиков GM".
Система поставлена на охрану? Если так, то не подключено ли реле блокировки стартера за точкой, где вы подсоединили ЛИЛОВЫЙ силовой провод стартера?
Верно ли выбран провод стартера, коммутируемый блокиратором? Если автомобиль запускается при полностью отсоединенном реле блокиратора стартера, то был перерезан и теперь коммутируется не тот провод.
Правильно ли подсоединены зеленый и черный провода? Зеленый провод идет к выключателю, а черный провод к электродвигателю стартера.
Сработала ли система предотвращения нарушения общественного порядка? Если да, то при снятии системы с охраны Вы услышите 5 "чириканий". Чтобы проверить это, очистите память системы предотвращения нарушения общественного порядка, включив, а затем выключив зажигание, и еще раз испытайте датчик удара.
Именно так, в две стадии, срабатывает система от дверного входа! Это особенность данной системы. Даже если дверь сразу закроется, нарастание реакции от "чириканья" к звучанию сирены на полную мощность будет продолжено.
Правильно ли Вы определили тип системы переключателей дверных замков? Такая неисправность часто случается, если используется неправильный вход для двери.
Подсоединены ли дверные входы? Не подсоединен ли голубой провод к автомобильному проводу срабатывания от дверей? Должен использоваться либо зеленый провод Н1/5, либо фиолетовый провод Н1/7.
Указывает ли сигнальный светодиод на то, что срабатывание вызвано датчиком удара? (См. раздел "Диагностика"). Если датчик удара настроен на максимальную чувствительность, то он может обнаружить отщелкивание замка раньше, чем конечный выключатель подаст свой сигнал. Уменьшение чувствительности датчика удара может решить эту проблему.
Вставлен ли провод от выключателя в нужный разъем?
Вы, наверное, уже догадались, но все же: он подключен? Включен ли он в нужный разъем?
В данной системе легко произвести реверс выходов запирания/отпирания замков.
20.10.1999