Для входа в режим программирования:
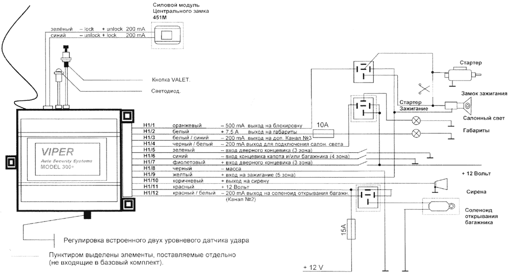
Откройте дверь (Н1/5 ЗЕЛЕНЫЙ или Н1/7 ФИОЛЕТОВЫЙ должны быть подсоединены).
Включите и выключите зажигание (Н1/9 ЖЕЛТЫЙ должен быть подсоединен).
Выберите из меню интересующую функцию, для этого проделайте следующие операции: нажмите кнопку программирования VALET в течение 15 секунд нужное количество раз. (Разъем кнопки VALET должен быть подсоединен к синему разъему блока).
После того, как Вы выбрали интересующую функцию, нажмите кнопку VALET еще раз, и, удерживайте ее до тех пор, пока не раздастся подтверждающий сигнал сирены, соответствующий номеру программируемой функции. Нажмите на пульте соответствующую кнопку для задания параметра.
Выбор внутри функции осуществляется нажатием соответствующей кнопки брелка. Для выбора значения из левой колонки нажмите на левую кнопку брелка
. Сирена даст один подтверждающий сигнал. Для выбора значения функции из правой колонки нажмите на правую кнопку брелка
. Сирена даст два подтверждающих сигнала.
Далее отпустите кнопку программирования VALET.
Например, Вы хотите изменить режим постановки на охрану с активного на пассивный. Тогда нажмите и отпустите кнопку VALET один раз. Затем нажмите ее снова и удерживайте до тех пор, пока система не издаст один подтверждающий сигнал. Не отпуская кнопку VALET, нажмите кнопку на брелке
. Сирена издаст два подтверждающих сигнала. Таким образом, Вы запрограммировали функцию пассивной постановки на охрану.
| шаг | Один подтверждающий звуковой сигнал |
Два подтверждающих звуковых сигнала |
|---|---|---|
| 1 | Активная остановка на охрану | Пассивная постановка на охрану |
| 2 | Звуковое подтверждение постановки/снятия с охраны ВКЛ | Звуковое подтверждение постановки/снятия с охраны ВЫКЛ |
| 3 | При вкл/выкл зажигания двери автоматически запираются/отпираются | При вкл/выкл зажигания двери автоматически НЕ запираются/отпираются |
| 4 | Если ВЫ выбрали в 1-1 пассивную постановку на охрану, двери НЕ будут при постановке автоматически запираться | Если ВЫ выбрали в 1-1 пассивную постановку на охрану, двери БУДУТ при постановке автоматически запираться |
| 5 | Режим ПАНИКА при включенном зажигании РАЗРЕШЕН | Режим ПАНИКА при включенном зажигании ЗАПРЕЩЕН |
| 6 | Длительность импульса на центральный замок 0,8 сек | Длительность импульса на центральный замок 3,5 сек |
| 7 | Если ВЫ выбрали в 1 -1 пассивную постановку на охрану, то она будет включаться через 1 час после отключения зажигания, независимо от закрытия дверей ВКЛ | Если ВЫ выбрали в 1 -1 пассивную постановку на охрану, то она будет включаться через 1 час после отключения зажигания, независимо от закрытия дверей ВЫКЛ |
| 8 | Автоматическая блокировка двигателя через 30 сек после выключения зажигания ВКЛ | Автоматическая блокировка двигателя через 30 сек после выключения зажигания ВЫКЛ |
| 9 | Двойной импульс на открывание дверей ВЫКЛ | Двойной импульс на открывание дверей ВКЛ |
| 10 | Плавающий код ВКЛ | Плавающий код ВЫКЛ |
| 11 | Выход на сирену (постоянный) | Выход на клаксон (импульсный) |
Для перехода с одной функции на другую выполните следующие операции: например, ВЫ только что запрограммировали функцию 1, и хотите попасть в функцию 7, для этого нажмите кнопку VALET шесть раз, а затем снова нажмите ее и удерживайте. Сирена даст 7 звуковых сигналов, теперь ВЫ находитесь в программировании функции №7. Не отпуская кнопки, нажмите кнопку брелка, соответствующую выбранной функции.
Для выхода из режима программирования достаточно закрыть дверь, или включить зажигание, или нажать кнопку VALET слишком большое количество раз или просто подождать 15 секунд.
Система комплектуется двумя 2-кнопочными брелками и может по желанию клиента запомнить еще 2 брелка. Также в систему можно запрограммировать и 4-кнопочные брелки, и тогда у Вас появляется возможность запрограммировать функции в расширенном варианте.
Откройте дверь (Н1/5 ЗЕЛЕНЫЙ или Н1/7 ФИОЛЕТОВЫЙ должны быть подсоединены).
Включите зажигание (Н1/9 ЖЕЛТЫЙ должен быть подсоединен).
Выберите прописываемый канал, для этого нажмите и отпустите кнопку VALET столько раз, сколько соответствует номеру интересующей функции. Имейте ввиду, что если ВЫ записываете новый брелок, то всегда начинайте с функции 1 или 4.
Нажмите и удерживайте кнопку VALET некоторое время. Сирена даст звуковой сигнал и светодиод мигнет то количество раз, которое соответствует номеру выбранной функции.
Не отпуская кнопку VALET, нажмите ту кнопку брелка, которой ВЫ хотите управлять данной функцией. Сирена даст один звуковой сигнал, подтверждая, что обучение произошло успешно. Отпустите кнопку брелка и переходите к программированию следующей функции.
Для программирования следующей функции снова нажмите кнопку VALET требуемое количество раз. Например, с функции 4 ВЫ хотите перейти к функции 5. Нажмите и отпустите кнопку VALET один раз, затем нажмите ее снова и удерживайте. Сирена даст звуковой сигнал, и светодиод мигнет то количество раз, которое соответствует номеру выбранной функции. Не отпуская кнопку VALET, нажмите ту кнопку брелка, которой ВЫ хотите управлять данной функцией. Сирена даст один звуковой сигнал, подтверждая, что обучение произошло успешно.
| № канала | функция |
|---|---|
| 1 | Постановка/ Снятие/ Паника |
| 2 | Дополнительная функция канал №2 |
| 3 | Дополнительная функция канал №3 |


