НАЗАД

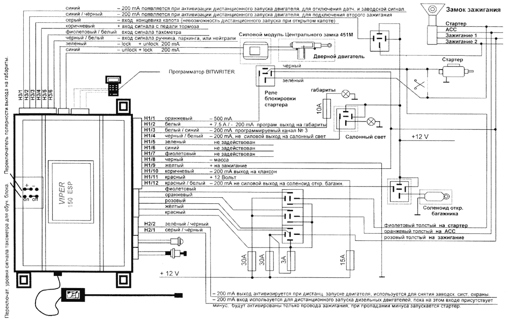
VIPER 150 SHF, PYTHON 450 ESP

Схема подключения

Рис. 1
27.11.2002