Нажатием на кнопку 1 автосигнализация (АС) устанавливается и снимается с охраны. При постановке на охрану закрываются замки дверей, сирена дает один звуковой сигнал, парковочные огни вспыхнут один раз. При снятии с охраны - замки дверей открываются , сирена дает два звуковых сигнала, а парковочные огни вспыхнут дважды.
При нажатии второй кнопки, сирена перейдет в режим тревоги приблизительно на 45 сек, оповещая об опасности, а также служа, как автомобильный искатель (звуковой маяк).
Следующее нажатие второй или первой кнопки в течение этих 45 сек, выключит сирену и оставляет АС в режиме ОХРАНА, ЦЗ - закрыт.
При одновременном нажатии двух кнопок отключается звуковое напоминание при постановке/снятии с охраны. При этом парковочные огни вспыхнут два раза.
Для включения звукового напоминания нажмите снова обе кнопки - сирена подаст сигнал и парковочные огни вспыхнут дважды.
Автопостановка на охрану произойдет после снятия с охраны если в течение 30 сек не открывали двери или багажник. Если ЦЗ был случайно разблокирован и сигнализация снималась с охраны в следствие помех, то через 15 сек сирена подаст сигнал и парковочные огни вспыхнут один раз, показывая, что система намеревается заблокировать ЦЗ и автоматически стать на охрану после следующих 15 сек.
Для аннулирования этой функции, поверните ключ зажигания в положение "ВКЛ", затем нажмите и удерживайте первую кнопку на брелке около 1 сек, сирена подаст два сигнала и парковочные огни вспыхнут дважды. Для восстановления этой функции вновь нажмите и удерживайте первую кнопку в течении 1 сек при включенном зажигании. Сирена подаст один звуковой сигнал и парковочные огни вспыхнут один раз.
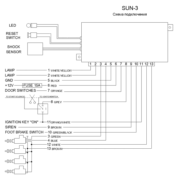
ЦЗ автоматически закроется при нажатии ножного тормоза и включенном зажигании и при условии , что двери, капот и багажник закрыты. Если двери открывались, то следующее нажатие ножного тормоза при включенном зажигании снова приведет к закрыванию ЦЗ. При выключении зажигания ЦЗ будут автоматически отключен.
Для анулировании этой функции, поверните ключ зажигания в положение "ВКЛ", затем нажмите и удерживайте вторую кнопку на брелке 1 сек. Сирена подаст звуковой сигнал и парковочные огни вспыхнут дважды. Для восстановления этой функции повторите эту операция. Сирена подаст звуковой сигнал и огни вспыхнут один раз.
Когда АС поставлена на охрану и ключ зажигания установлен в положении "ВКЛ", система будет разрывать цепь зажигания или цепь включения стартера. Это функция иммобилайзера.
Выключить АС без использования брелка в случае, когда брелок был утерян, намок или подвергся сильным помехам вне автомобиля можно повернув ключ зажигания в положение "ВКЛ" и нажав переключатель "RESET" один раз.
Когда в какой-либо из этих зон произойдет изменение (вскрытие) сирена включится примерно на 45 сек. Если двери будут открыты и далее, то этот цикл повторится три раза, затем сирена отключится, но парковочные огни будут моргать до тех пор, пока двери не закроются , либо АС не будет отключена.
Установленный на передней панели светодиод показывает режим работы АС: постановка на охрану, воздействие на автомобиль в отсутствие владельца, снятие с охраны. Память автоматически переустанавливается, когда ключ зажигания поворачивается в положение "ВКЛ".
Поверните ключ зажигания в положение "ВКЛ", нажмите первую и вторую кнопку одновременно, сирена подаст один звуковой сигнал и парковочные огни вспыхнут один раз. АС отключена за исключением ЦЗ. Для возврата в режим вновь повторите операцию.
Время задержки выходного сигнала обычно 5 сек. Если автомобиль имеет задержку включения световых функций (мягкая подсветка), система изменит время задержки до 20 сек автоматически.
При снятии с охраны:
Память автоматически стирается при включении зажигания.
Светодиод должен прекратить моргание и должен засветиться. Нажмите еще раз любую кнопку этого брелка, светодиод должен погаснуть, показывая успешное обучение.
После полного обучения поверните ключ зажигания в положение "ВЫКЛ" для выхода из программного режима.
