Два брелока дистанционного управления представляют собой миниатюрные передатчики радиосигналов управления сигнализацией. Сигнализация StarLine обладает наиболее совершенной защитой, благодаря применению в ней динамического кода, защищенного от подбора и перехвата. Брелок действует с расстояния до 40 метров. Следует иметь в виду, что в некоторых районах, например, вблизи аэропортов, промышленных предприятий, высок уровень помех, которые могут сократить радиус действия брелка. В этих случаях следует включать и выключать сигнализацию, находясь ближе к автомобилю.
Центральный процессорный блок производит обработку сигналов управления с брелков и пейджингового декодера и обеспечивает все режимы работы сигнализации и подключенных к блоку устройств и датчиков.
Пейджинговый декодер производит прием, идентификацию и расшифровку сигналов пейджинговой сети и обеспечивает передачу команды в центральный процессорный блок для ее дальнейшей обработки.
Двухуровневый датчик удара эффективно защищает автомобиль при минимуме ложных срабатываний. В зависимости от силы удара вызывает либо короткие предупреждающие сигналы, либо полный цикл тревоги. Имеет механическую регулировку чувствительности и светодиодную индикацию срабатывания каждого уровня в отдельности.
Светодиодный индикатор предназначен для индикации различных режимов работы сигнализации, факта и причины срабатывания, программирования функций и проведения диагностики контактных датчиков дверей, капота, багажника.
Сервисная кнопка предназначена для программирования режимов и параметров работы сигнализации, для введения старого или установки нового персонального кода.
Дистанционно управляемое реле блокировки двигателя Hook Up выполнено в корпусе штатного автомобильного реле. Управление реле осуществляется центральным блоком посредством передачи кодированных сигналов по штатной проводке автомобиля.
Три реле для реализации функции автозапуска двигателя.
Перед включением режима охраны убедитесь, что зажигание выключено, двери, капот и багажник надежно закрыты.
Для включения режима охраны нажмите кнопку 1 брелка. 1 короткий сигнал сирены и 1 вспышка "габаритов" подтвердят включение. Автоматическое запирание замков дверей произойдет, если они подключены к сигнализации.
Через 2 секунды (нейтральный период) светодиодный индикатор начнет медленно мигать, показывая, что автомобиль охраняется.
Внимание! Если двери, капот или багажник окажутся плохо закрытыми (или неисправен один из кнопочных выключателей), то сигнализация предупредит об этом дополнительными 3 звуковыми и световыми сигналами (см. "Самоконтроль охранных датчиков").
Этот режим используется в случае, если в салоне автомобиля кто-то остается. Датчик удара отключается.
Перед включением режима охраны убедитесь, что зажигание выключено, двери, капот и багажник надежно закрыты.
Для включения режима охраны нажмите кнопку 1 брелка и в течение 3 секунд (пока не горит светодиодный индикатор) еще раз нажмите кнопку 1 брелка. 1 вспышка "габаритов" подтвердит включение. Автоматическое запирание замков дверей произойдет, если они подключены к сигнализации.
Если включение режима охраны подтверждается дополнительными 3 сигналами сирены и 3 вспышками "габаритов", значит двери, капот или багажник плохо закрыты, и сигнализация сообщает, что соответствующая зона будет временно исключена из контура охраны.
Необходимо снять сигнализацию с охраны, закрыть все двери, капот и багажник, и снова включить режим охраны. Если же включение режима охраны все равно сопровождается 3 дополнительными звуковыми и световыми сигналами, значит, неисправен один из кнопочных выключателей.
Для выключения режима охраны нажмите кнопку 2 брелка. 2 коротких сигнала сирены и 2 вспышки "габаритов" подтвердят выключение. Автоматическое отпирание замков дверей произойдет, если они подключены к сигнализации.
Если Вы хотите постоянно включать и выключать режим охраны бесшумно (чтобы не беспокоить или не привлекать внимание окружающих), звуковые подтверждающие сигналы необходимо предварительно отключить с помощью программирования (функция 2). Включение и выключение режима охраны в этом случае производится точно так же, как и со звуковым подтверждением.
После отключения режима охраны кнопкой 1 брелка в течение 20 секунд или до включения зажигания светодиодный индикатор сериями вспышек будет показывать количество брелков, запрограммированных в память системы.
Ваша сигнализация может быть запрограммирована так, что если в течение 20 секунд после выключения режима охраны двери автомобиля не будут открыты, то сигнализация автоматически вновь включит режим охраны (функция 5). Это защищает от выключения режима охраны случайным нажатием кнопки брелка, а также в случае, если Вы, отключив сигнализацию, измените свое намерение сесть в автомобиль, а включить режим охраны забудете. Сигнализация сделает это сама.
Подтверждающие сигналы и индикация светодиода те же, что и при включении режима охраны брелоком. Замки дверей запираются.
Если в режиме охраны произойдет вторжение в любую из охраняемых зон, это вызовет автоматическое включение сигналов тревоги: мощное звучание сирены, мигание габаритных огней, подачу сигналов на пейджер. Подача звуковых сигналов тревоги может быть отключена при программировании (функция 3). Сигналы тревоги подаются циклами. Длительность одного цикла тревоги может быть запрограммирована 15 или 30 секунд (функция 8). Если неисправность или неправильная регулировка датчиков приводит к ложным срабатываниям, то после 3 срабатываний подряд неисправный датчик будет автоматически отключен.
Интервал между циклами при постоянно срабатывающем датчике 3 секунды.
Автосигнализация позволяет подключить к ней охранный пейджер. В этом случае сигналы тревоги не только отпугнут злоумышленника и обратят на автомобиль внимание окружающих, но и будут переданы на Ваш приемник пейджера. Находясь в зоне действия пейджера, Вы будете немедленно предупреждены о любой опасности, угрожающей Вашей машине.
Если Вы хотите прервать сигналы тревоги (например, Вы проверяли работу датчика удара), нужно нажать кнопку 1 брелка. При этом сигнализация останется в режиме охраны.
Подача звукового сигнала в режиме тревоги может быть отключена при программировании системы (функция 3)
Надежная блокировка двигателя сохраняется в течение всего периода охраны. Высокий уровень защиты автомобиля достигнут применением дистанционно управляемых реле Hook Up, выполненных в корпусе штатного реле и устанавливаемых в любом месте автомобиля. Управление реле осуществляется посредством передачи специальных кодированных сигналов, присущих только Вашему автомобилю по штатной проводке, что не требует прокладки специальных дополнительных проводов. Все это делает угон машины практически невозможным. Попытки угонщиков завести двигатель, несмотря на сигналы тревоги, будут бесполезны. При отключении питания с системы блокировка двигателя сохраняется.
Любая попытка злоумышленника выключить режим охраны временным отключением питания окажется безуспешной. При отключении питания, например, сбросе клеммы с аккумулятора, сигнализация запоминает свое состояние, и при восстановлении питания сигнализация снова окажется в том же состоянии. Если она находилась в режиме охраны, то при восстановлении питания сигнализация перейдет сначала в режим тревоги, а затем в режим охраны.
Если запрограммирован режим включения иммобилизатора (функция 6), то через 2 минуты после выключения зажигания система заблокирует работу двигателя. Светодиод будет вспыхивать с паузами в 3 секунды.
Для отключения режима иммобилизатора нужно нажать на кнопку 2 брелка. В подтверждение габаритные огни вспыхнут 2 раза.
Для включения сигналов тревоги в режиме охраны нажмите кнопку 1 брелка, и затем в течение 3 секунд еще раз нажмите и удерживайте кнопку 1. Сигналы тревоги продолжаются 15 или 30 секунд (программируемая функция 8). Если Вы хотите прервать их раньше, нажмите кнопку 1 еще раз. По окончании режима "паника" сигнализация будет находиться в режиме охраны.
В случае захвата автомобиля, есть возможность дистанционно блокировать работу двигателя. Для этого нужно подать соответствующую команду на сигнализацию по телефону через пейджинговую сеть. Сигнализация включит сигналы тревоги и плавно заглушит двигатель, не создавая аварийной ситуации на дороге.
Отключить сигналы тревоги в этом случае можно, только введя секретный код сервисной кнопкой.
Когда Вы нашли свой автомобиль, покинутый угонщиком, автомобиль находится в режиме тревоги. Ваши действия должны быть следующими:
По Вашему желанию может быть введена функция запирания замков дверей через 6 секунд после включения зажигания и открывания их сразу после выключения зажигания. Если при включении зажигания одна из дверей была открыта, то запирания замков дверей не произойдет.
Открытие дверей или нажатие сервисной кнопки в течение 6 секунд после включения зажигания также отменяет запирание.
Если автомобиль находится в режиме охраны, то нажатием кнопки 1 брелка Вы можете включить режим поиска автомобиля - автомобиль откликнется звуковыми и световыми сигналами, а затем вернется в режим охраны:
| 1 вспышка, 1 звуковой сигнал | Срабатываний не было |
| 2 вспышки, 2 звуковых сигнала | Срабатывал предварительный уровень датчика удара |
| 3 вспышки, 3 звуковых сигнала | Срабатывал основной уровень, двери, капот или багажник |
Блок автозапуска двигателя производит дистанционный запуск и прогрев двигателя (совместим с бензиновыми и дизельными двигателями с ручной и автоматической коробкой передач). При запуске двигателя ключом зажигания система запоминает время работы стартера (для дизеля - дополнительно время прогрева свечей). При автозапуске система воспроизводит последние запомненные временные интервалы. Если используется режим автозапуска без контроля напряжения бортовой сети, то происходит одна попытка запуска. При использовании режима автозапуска с контролем напряжения бортовой сети возможны три попытки с 20-секундными паузами. В паузах измеряется напряжение бортовой сети. Если оно выше 13,8В, то попытки автозапуска прекращаются. Если напряжение ниже 13,8В, то каждая следующая попытка увеличивает время работы стартера на 1 секунду.
Автозапуск двигателя производится одновременным нажатием кнопок 1 и 2 брелка или при подаче команды по телефону (программируемые функции 11 и 12), если автомобиль находится в режиме охраны. Если за время нахождения в режиме охраны двери, капот или багажник открывались, то автозапуск невозможен.
Сигнализация производит запуск двигателя (согласно выбранному алгоритму) на 10 минут, с последующим возвращением в режим охраны и блокировкой двигателя. На время работы двигателя в этом случае отключаются только внешние датчики. При попытке проникновения сигнализация заблокирует двигатель и включит режим тревоги.
Если Вы подходите к работающему в режиме автозапуска автомобилю, то необходимо отключить режим охраны нажатием кнопки 2 брелока, открыть дверь и в течение 2 минут включить зажигание, вставив ключ в замок. Если этого не сделать, сигнализация заглушит двигатель.
Для ручной коробки передач применена логическая защита от движения автомобиля без водителя.
При выключении зажигания ключом двигатель продолжает работать. Владелец выходит из автомобиля и выключает двигатель нажатием кнопки 1 брелка. Одновременно включается режим охраны. Автозапуск двигателя возможен только при таком включении режима охраны.
Если Вам нужно просто заглушить двигатель, то выньте ключ из замка зажигания и нажмите кнопку 2 брелока.
Внимание - для ручной коробки передач! Если при остановке автомобиля двигатель заглох самопроизвольно, не забудьте поставить ручку переключения передач в нейтральное положение. В противном случае возможно движение Вашего автомобиля при автозапуске.
При подаче команды "автозапуск двигателя" в автомобиле включается реле, отвечающее за аксессуары. Через реле могут быть задействованы печка отопителя салона, обогрев стекла, кондиционер и т.п. Оставив на стоянке автомобиль с включенными какими-либо потребителями (из числа задействованных на реле), при подаче команды "автозапуск" вместе с запуском двигателя происходит включение этих потребителей.
Режим автозапуска важен не только для того, чтобы подготовить автомобиль к Вашему приходу, но и в случае, если Ваш автомобиль находится далеко и длительное время не используется (в гараже или на стоянке) - для подзарядки аккумуляторной батареи. В этом случае желательно предупредить охрану, чтобы "самостоятельно" заведенная машина не была для них "сюрпризом".
Два программируемых дополнительных канала позволяют управлять освещением салона, открытием багажника, капота, люка, стеклоподъемниками, отопителем салона и т.д.
Активироваться каналы могут либо автоматически при включении или выключении режима охраны, либо с брелка, либо при подаче команды по пейджинговой сети (программируется при установке).
Управление автомобилем по телефону заключается в следующем:
Номера команд (пятая цифра) приведены в таблице.
| Цифра | Команда, выполняемая сигнализацией |
|---|---|
| 1 | Включение режима "охрана" |
| 2 | Отпирание замков дверей (система при этом остается в режиме охраны) |
| 3 | Включение режима антиограбления (в случае угона автомобиля) |
| 4 | Отключение режима тревоги без выключения режима охраны |
| 5 | Отключение датчиков объема и удара (двери, капот, багажник остаются под охраной) |
| 6 | Автозапуск двигателя |
| 7 | Включение первого дополнительного канала управления |
| 8 | Автозапуск двигателя с отключенным АСС (зарядка аккумулятора) |
По пейджинговой сети Ваша команда будет передана в приоритетном порядке и принята приемником сигнализации. Пейджинговый канал является "открытым", поэтому снять автомобиль с охраны по нему нельзя.
"Передайте абоненту 654321 сообщение 12346 (без пробелов)".
(1234 - заводской пейджинговый код, установленный на всех сигнализациях).
Это значит, что система произведет запуск двигателя (если автомобиль находится в зоне приема пейджинговой компании).
Некоторые функции и параметры работы сигнализации могут быть изменены пользователем с помощью сервисной кнопки и брелка без необходимости доступа к центральному блоку. Перечень функций приведен в таблице ниже. Порядок программирования следующий:
| Номер функции | Функция | Кнопка 1 брелока (1 звуковой сигнал) |
Кнопка 2 брелока (2 звуковых сигнала) |
|---|---|---|---|
| 1 | Программирование пейджингового кода (заводская установка 1111) | См. ниже | нет |
| 2 | Звуковые сигналы подтверждения при включении и выключении режима охраны | Есть | нет |
| 3 | Звуковые сигналы в режиме тревоги | Есть | нет |
| 4 | Управление центральным замком от ключа зажигания | Есть | Нет |
| 5 | Перевключение режима охраны | Есть | Нет |
| 6 | Функция иммобилизатора | Есть | Нет |
| 7 | Программирование секретного кода (заводская установка 1111) | См. ниже | Нет |
| 8 | Длительность режима тревоги | 30 секунд | 15 секунд |
| 9 | Программирование новых брелоков | См. ниже | |
| 10 | Память причин срабатывания | См. ниже | |
| 11 | Автозапуск с брелка | Есть | Нет |
| 12 | Автозапуск с пейджингового блока | есть | Нет |
Заводская предустановка функций и параметров отмечена в таблице серым цветом.
Заводская установка пейджингового кода и секретного кода - 1234.
| Количество вспышек светодиода | Причина срабатывания системы |
|---|---|
| 1 | Зажигание |
| 2 | Двери |
| 3 | Капот |
| 4 | Предварительный уровень датчика удара |
| 5 | Основной уровень датчика удара |
| 6 | Отключение аккумулятора |
Для перехода к следующей причине срабатывания нажмите сервисную кнопку.
Всего в память сигнализации можно записать три брелока. Запись кодов брелков производится в следующем порядке:
Внимание! При утере одного брелка незамедлительно обратитесь на установочный центр для приобретения нового, т.к. программирование новых брелков возможно только при наличии хотя бы одного исправного. При утере (поломке) одновременно двух брелков сигнализация подлежит замене.
В брелке дистанционного управления используется элемент питания типа "А27", 12В. Потребление тока брелком незначительно, поэтому батареи хватает в среднем на 12 месяцев (все зависит от того, как часто Вы пользуетесь брелком). Замена батареи может быть выполнена владельцем самостоятельно.
Внимание! Обязательно соблюдайте полярность при установке батареи!
| Максимальный радиус действия брелка | до 30м |
| Код, используемый для управления | динамический, KeeLoq |
| Тип датчика удара | электромагнитный |
| Напряжение питания | 10,5 - 15В |
| Ток потребления в режиме охраны | не более 25мА |
| Максимально допустимые токи нагрузки: | |
| Сирена | 5А |
| Световая индикация | 2х7,5А |
| Цепи блокировки реле Hook Up | 20A |
| Замки дверей | 10А |
| Дополнительные каналы | 2х500мА |
| Рабочий диапазон температур | -40 +80 |
| Частота брелков | 433,92МГц |
| Питание брелков | 12В (батарея типа "А27") |
Автосигнализации StarLine разрешены к использованию на территории РФ и соответствуют требованиям нормативных документов РФ, что подтверждается сертификатом соответствия. Гарантийное обслуживание осуществляется в сроки и при условиях, оговоренных в гарантийном талоне, выдаваемом фирмой, производившей продажу или установку данной автосигнализации.
Срок службы автосигнализаций StarLine, установленный фирмой производителем, составляет 5 лет.
Автосигнализация StarLine может быть установлена на любые автомобили с напряжением аккумулятора 12В и отрицательным полюсом на корпусе. Блок автозапуска двигателя совместим как с бензиновыми, так и с дизельными двигателями как с ручной, так и с автоматической коробкой передач.
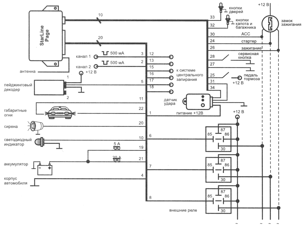
Центральный блок разместите в салоне в скрытом месте, предпочтительнее под приборной панелью - в этом случае длина соединительных проводов будет минимальной. Для предотвращения попадания в блок влаги рекомендуется установить его таким образом, чтобы исключить стекание капель воды по проводам внутрь корпуса. Закрепите блок на плоской поверхности с помощью винтов-саморезов, чтобы исключить его перемещение при вибрациях.
Внимание! Не укорачивайте и не удлиняйте антенный провод, т.к. его размер сопряжен с настройкой антенного контура. Не рекомендуется прокладка антенны вдоль металлических частей кузова автомобиля, т.к. это снизит дальность действия брелка управления.
Пейджинговый декодер разместите в салоне рядом с центральным блоком.
Сирену разместите под капотом как можно дальше от источников тепла и влаги. Рупор сирены направьте вниз, чтобы избежать постоянного накопления воды. Убедитесь, что сирена и провода недоступны из-под машины.
Датчик удара жестко закрепите в салоне автомобиля.
Светодиодный индикатор закрепите на видном месте на приборной панели.
Сервисную кнопку установите в скрытом, но доступном пользователю месте.
При установке кнопочных выключателей под капотом и в багажнике проверьте правильность их работы. При закрытом капоте или багажнике зазор между контактами в выключателе должен быть не менее 3 мм. Неправильная установка кнопочных выключателей часто является причиной ложных тревог.
Прокладку проводов производите как можно дальше от источников электрических помех - катушки зажигания, высоковольтных проводов и т.п. Обратите внимание на то, чтобы провода не соприкасались с движущимися частями конструкции автомобиля - педалями, рулевыми тягами и т.п. Монтаж соединений электропроводки сигнализации необходимо производить при отсоединенном аккумуляторе автомобиля.
Внимание! Если автомобиль оборудован воздушной подушкой или имеет закодированный приемник, при отключении питания руководствуйтесь инструкцией по эксплуатации автомобиля или приемника.
Все неразъемные соединения выполняйте с помощью пайки и хорошо изолируйте.
Центральный блок и другие компоненты сигнализации подключайте к разъемам кабелей только после завершения монтажа. Подключение сигнализации производите в соответствии со схемой.


| 1 | Положительный выход (500мА). В режиме охраны на этом выходе появляется +12В. Используется для подачи питания (+12В) на датчик удара и дополнительные датчики. Отрицательные провода датчиков соедините с корпусом автомобиля. |
| 2 | Отрицательный выход (500мА) второго дополнительного канала или выход для подключения пейджера (программируется). |
| 3 | Отрицательный выход (500мА) первого дополнительного канала (программируется). |
| 4 | Минус питания, соедините с корпусом автомобиля, обеспечив хороший контакт. |
| 5 | Вход данных от пейджингового декодера. Подключите к проводу 2 разъема 1 пейджингового декодера. |
| 6 | Отрицательный выход управления реле включения ACC. |
| 7 | Отрицательный выход управления реле включения стартера. |
| 8 | Отрицательный выход управления реле включения зажигания. |
| 9 | Не используется |
| 10 | Положительный выход для подключения светодиодного индикатора. Подключите к красному проводу светодиода. Черный провод светодиода соедините с корпусом автомобиля или подключите к проводу №4. |
| 11 | Подключите к лампам габаритных огней. Максимальный ток потребления 7,5А. |
| 12 | НЗ контакт реле управления запиранием |
| 13 | Выход управления запиранием |
| 14 | Не используется |
| 15 | НР контакт реле управления запиранием |
| 16 | НЗ контакт реле управления отпиранием |
| 17 | Выход управления отпиранием |
| 18 | НР контакт реле управления отпиранием |
| 19 | Плюс питания, подключите к положительной клемме аккумулятора. (С предохранителем 5А) |
| 20 | Выход для подключения сирены. Обеспечивает напряжение +12В с током нагрузки не более 5А в режиме тревоги. |
| 21 | Плюс питания для ламп габаритных огней и сирены, подключите к положительной клемме аккумулятора. (С предохранителем 20А) |
| 22 | Подключите к лампам габаритных огней. Максимальный ток потребления 7,5А. |
| 23 | Не используется |
| 24 | Вход контроля наличия напряжения на стартере, подключите к контакту 50 замка зажигания. |
| 25 | Положительный вход для подключения к педали тормоза (к лампам стоп-сигналов). |
| 26 | Вход контроля наличия напряжения на замке зажигания, подключите к контакту 50 замка зажигания. |
| 27 | Минус питания, соедините с корпусом автомобиля, обеспечив хороший контакт. |
| 28 | Отрицательный вход для подключения сервисной кнопки. Второй провод от кнопки соедините с корпусом автомобиля. |
| 29 | Не используется |
| 30 | Подключите к контакту АСС замка зажигания. |
| 31 | Отрицательный вход предварительного уровня датчика удара. |
| 32 | Подключите к кнопочным выключателям капота и багажника, дающим замыкание на корпус при открывании. |
| 33 | Подключите к кнопочным выключателям дверей, дающим замыкание на корпус при открывании. |
| 34 | Отрицательный вход основного уровня датчика удара. |

| 1 | Плюс питания, подключите к положительной клемме аккумулятора. |
| 2 | Выход данных. Подключите к проводу 5 центрального блока сигнализации. |
| 3 | Не используется |
| 4 | Минус питания, соедините с корпусом автомобиля, обеспечив хороший контакт. |
Сигнализация StarLine имеет встроенные реле управления центральным замком. Необходимая длительность управляющих импульсов может быть запрограммирована 0,8 или 5 секунд.

Некоторые режимы и параметры работы должны быть запрограммированы при установке сигнализации. Программирование происходит с помощью сервисной кнопки и брелка без необходимости доступа к центральному блоку. Перечень функций приведен в таблице ниже. Порядок программирования следующий:
| Номер функции | Режим или параметр работы | Кнопка 1 брелка (1 звуковой сигнал) | Кнопка 2 брелка (2 звуковых сигнала) | |
|---|---|---|---|---|
| 1 | Режим тестирования датчиков - 4 минуты | Для включения кратковременно нажать педаль тормоза | ||
| 2 | Длительность импульса на центральный замок | 5 сек. | 0,8 сек. | |
| 3 | Дистанционный запуск двигателя | Без контроля напряжения бортовой сети | С контролем напряжения бортовой сети | |
| 4 | Тип двигателя | Бензиновый | Дизельный | |
| 5 | Тип КПП | Ручная | Автоматическая | |
| 6 | Задержка на контроль состояния входных датчиков | 5 секунд | 40 секунд | |
| 7 | Алгоритм работы дополнительного канала 2 | Пейджер | Доп. канал | |
| 8 | Дополнительный канал 2 (таймерный) | Для включения нажать кнопку 1 брелка. Длительность импульса (от 1 до 50 секунд) задается нажатием педали тормоза. | ||
| Капот/багажник открыты | Активация при выключении режима охраны | |||
| Капот/багажник закрыты | Активация при включении режима охраны | |||
| Двери открыты | Активация при нажатии кнопки 2 при выкл. охране | |||
| 9 | Дополнительный канал 1 (таймерный) | Для включения нажать кнопку 1 брелка. Длительность импульса (от 1 до 50 секунд) задается нажатием педали тормоза. | ||
| Капот/багажник открыты | Активация при выключении режима охраны | |||
| Капот/багажник закрыты | Активация при включении режима охраны | |||
| Двери открыты | Активация по команде 7 пейджингового декодера | |||
Заводская предустановка режимов и параметров отмечена в таблице серым цветом
Дистанционно управляемые реле устанавливаются в штатную проводку автомобиля без прокладки дополнительных проводов от блока управления. Дистанционно управляемые реле Hook Up предназначены для блокировки цепей с током не более 20А. Для блокировки цепей с большим током необходимо использовать дополнительное реле.
Вывод 85 - питание (+12В) реле, прием сигналов управления от центрального блока.
Вывод 86 - "земляная" шина питания реле.
Выводы 87 и 30 - "сухие" нормально-разомкнутые контакты реле.
При подключении и выборе места установки дистанционно управляемого реле длина провода связи между выводом зажигания центрального блока и выводом 85 дистанционно управляемого реле должна быть минимальна. Сопротивление между выводом зажигания центрального блока и выводом 85 дистанционно управляемого реле должно быть не более 1,5 Ом. При включенном зажигании на выводе 85 дистанционно управляемого реле должно быть +12В. Не допускается подключать дистанционно управляемое реле к цепи, в которой при работе двигателя напряжение на выводе 85 реле (+12В) или выводе 86 реле (корпус) будет временно пропадать.
Если 12В на вывод 85 дистанционно управляемого реле поступает не непосредственно с контакта замка зажигания, а через какое-либо устройство (например, компьютер), то провод зажигания центрального блока должен быть подключен непосредственно к той же цепи, что и вывод 85 реле.
Элемент системы автомобиля, цепь которого блокируется, необходимо подключать к выводу 30 дистанционно управляемого реле.
Дистанционно управляемое реле можно устанавливать вместо штатного реле стартера, реле зажигания. При замене убедитесь, что вывод 86 штатного реле постоянно подсоединен к корпусу (особенно для реле управления бензонасосом), а на выводе 85 реле при работе двигателя постоянно присутствует +12В.
Если при включении зажигания (без пуска двигателя) на выводах 85 и 86 реле появляются соответственно +12В и корпус, а затем пропадают до момента пуска двигателя, двигатель должен быть пущен не позднее, чем через 5 секунд после включения зажигания.
В состав системы входит дистанционно управляемое реле с записанным кодом. Количество реле, работающих с системой, может быть неограничено. Для использования дополнительных реле необходимо произвести запись системного кода в память этих реле. Для этого, после установки системы и реле Hook Up на автомобиль включите зажигание, не заводя двигатель. Код системы будет записан в память дополнительного дистанционно управляемого реле Hook Up. Заведите двигатель и убедитесь в правильном функционировании реле Hook Up. После того, как код системы записан в реле Hook Up, запись другого кода в реле невозможна.
4.07.2000