ВАЖНО!
Для обеспечения самого высокого уровня защиты вашего автомобиля данная охранная система имеет функции ручной постановки системы на охрану, ручного отключения (снятия) охраны, снятия системы с охраны в два этапа. В случаях, когда брелок-передатчик дистанционного управления системой потерян или не работает (или, возможно, Ваш брелок-передатчик блокирован мощным радиоизлучением устройства типа "глушилка"), управление охранной системой возможно и выполняется вручную. Прочитайте разделы "Ручная постановка системы на охрану","Ручное отключение охранной системы", AV-функция - функция снятия системы с охраны в два этапа.
Если запрограммирована функция F9 "Секретный код" , то запись кодов новых брелоков, изменение секретного кода, изменение статуса запрограммированных функции с F8 по F14, аварийное снятие системы с охраны, отключение системы при срабатывании в режимах "Anti-Hi-Jack" возможны только после ввода секретного кода! Изменение параметров функций с F1 по F7 нe требует ввода секретного кода и доступно всегда.
В брелоках-передатчиках, входящих в комплект данной охранной системы, используется наиболее совершенная и надежная форма радиочастотной передачи из всех выпускаемых в настоящий момент автомобильных охранных систем. Некоторые из современных опытных угонщиков автомобилей используют устройства, известные как перехватчики кодов (code grabber), которые позволяют принять и сохранить в памяти сигнал, передаваемый устройством дистанционного управления охранной системой автомобиля. После ухода водителя угонщик использует данный код для снятия системы с охраны.
В отличие от описанных выше устройств дистанционного управления брелоки-передатчики, входящие в комплект вашей охранной системы, изменяют код передаваемого сигнала каждый раз, когда нажимается кнопка поэтому, когда угонщик воспроизведет перехваченный сигнал вашего брелока-передатчика, охранная система на него просто не отреагирует. Если кнопка на вашем брелоке-передатчике нажималась более 30 раз, когда он находился вне пределов управления охранной системой (например, если с ним играли дети), система не будет реагировать на вызов брелока-передатчика, когда вы снова решите им воспользоваться. Вам необходимо синхронизировать ваш брелок-передатчик c приемником охранной системы. Для этого просто два раза в течение одной секунды нажмите кнопку постановки системы на охрану/снятия системы с охраны на брелоке-передатчике. После этого система снова будет реагировать на все команды дистанционного управления.
| Функция | Номер кнопки | Комментарий |
|---|---|---|
| Постановка на охрану | 1 | Нажать и отпустить |
| Снятие с охраны | 1 | Нажать и отпустить |
| Блокировка замков (зажигание) | 1 | Нажать и отпустить |
| Деблокировка замков (зажигание) | 1 | Нажать и отпустить |
| Блокировка замков (Valet) | 1 | Нажать и отпустить |
| Разблокировка замков (Valet) | 1 | Нажать и отпустить |
| Включение охраны при запущенном двигателе | 1 | Нажать и удерживать более 3 сек |
| Отключение охраны при запущенном двигателе | 1 | Нажать и отпустить |
| ПАНИКА (вкл/выкл) | 1+2 | Нажать и удерживать более 2 сек |
| Выключение/включение сирены в цикле охраны | Дважды 1+2 | Дважды одновременно нажать кнопки 1+2 за 1 сек |
| Активировать канал 2 | 2 | Нажать и удерживать более 1,2 сек |
| Беззвучная постановка на охрану | 2,1 | Нажать кнопку 2, затем кнопку 1 |
| Беззвучное снятие с охраны | 2,1 | Нажать кнопку 2, затем кнопку 1 |
| Постановка на охрану с полным отключением обоих датчиков | 1,2 | Нажать кнопку 1, затем кнопку 2 |
| Беззвучная постановка на охрану с полным отключением обоих датчиков | 2, 1,2 | Нажать кнопку 2, затем кнопку 1, а затем кнопку 2 |
Если Вы оставляете Ваш автомобиль на городской улице с оживленным движением и велика вероятность ложных срабатываний системы, ОТКЛЮЧИТЕ ДАТЧИК(И) при постановке системы на охрану.
Кратковременно нажмите большую кнопку, а затем в течение 4 сек малую кнопку на брелоке-передатчике. Сирена подаст длинный звуковой сигнал, подтверждая отключение датчика удара на текущий период охраны.
Если Вы по какой-либо причине не можете воспользоваться брелоком-передатчиком для постановки системы на охрану, Вы можете сделать это с помощью кнопки Valet в любое время даже при отсутствии ключа зажигания.
Ручная постановка в режим охраны выполняется только на один цикл до снятия системы с охраны.
Примечание После выключения зажигания ручная постановка в режим охраны может быть выполнена только после 5-секундной задержки.
Открывание капота, багажника или двери автомобиля приведет к немедленному срабатыванию системы и включению сигнализации. В течение 30 секунд будут работать сирена и мигать габаритные огни автомобиля. После этого звучание сирены и мигание габаритных огней прекратится и система будет продолжать контролировать все цепи защиты автомобиля. Если грабитель или угонщик оставил дверь открытой, сирена будет работать в течение шести 30-секундных циклов и затем отключится; данная зона защиты будет изолирована, и система продолжит контролировать остальные цепи защиты автомобиля.
Каждый раз, когда система ставится на охрану, красный светодиодный индикатор, установленный в приборную панель автомобиля, начинает медленно мигать. Мигание светодиодного индикатора служит визуальным предупреждением для потенциальных грабителей или угонщиков. В качестве индикатора используется светоизлучающий диод, потребляющий небольшой ток. Поэтому, даже если система оставлена в режиме охраны на длительное время, работа светодиодного индикатора не приведет к разряду аккумуляторной батареи автомобиля.
При каждом срабатывании системы габаритные огни автомобиля мигают в течение всего 30-секундного цикла сигнализации, привлекая внимание к автомобилю.
Дополнительная функция. Каждый раз, когда система ставится на охрану, блокируется цепь стартера автомобиля. При этом двигатель автомобиля не может быть запущен даже с помощью ключа зажигания.
Когда система находится на охране, любой сильный удар по кузову или стеклу автомобиля приведет к срабатыванию датчика удара и включению сигнализации.
Более слабые удары приведут к срабатыванию зоны предупреждения датчика удара, после чего сирена подаст несколько коротких серий предупреждающих тональных сигналов.
Подходя к автомобилю, нажмите и отпустите большую кнопку постановки/снятия системы с охраны на брелоке-передатчике.
Примечание Если включена функция F6 - автоматическая перепостановка на охрану, то при снятии системы с охраны светодиодный индикатор начнет быстро мигать, указывая на то, что если в течение 20 сек не будет открыта ни одна из дверей, система включит режим охраны. Если в течение 20 сек будет открыта хотя бы одна дверь, светодиодный индикатор погаснет, и режим постановки системы на охрану будет отменен.
Охрана автомобиля с работающим двигателем позволяет предотвратить попытку угона автомобиля при выполнении, например, процедуры прогрева двигателя.
Функция постановки на охрану при запущенном двигателе - программируемая функция F10 и может быть включена или выключена.
Открывание капота, багажника или двери автомобиля приведет к немедленному срабатыванию системы и включению сигнализации. Включатся все блокирующие цепи. При этом двигатель автомобиля заглохнет и попытки запустить его заново ни к чему не приведут. В течение 30 сек будут работать сирена и мигать габаритные огни автомобиля. После этого звучание сирены и мигание габаритных огней прекратятся, и система будет продолжать контролировать все цепи охраны автомобиля. Если грабитель или угонщик оставил дверь открытой, сирена будет работать в течение шести 30-секундных циклов и затем отключится; данная зона защиты будет изолирована, а система продолжит контролировать остальные цепи защиты автомобиля.
Светодиодный индикатор начнет медленно мигать. При каждом срабатывании системы габаритные огни автомобиля мигают в течение всего 30-секундного цикла сигнализации, привлекая внимание к автомобилю.
Снятие системы с охраны при работающем двигателе осуществляется кратковременным нажатием большой кнопки постановки/снятия системы с охраны.
Светодиодный индикатор погаснет.
Если сигнализация срабатывала в Ваше отсутствие, то при снятии с охраны светодиодный индикатор будет мигать по коду, указывая на ту охраняемую системой зону, которая срабатывала в Ваше отсутствие.
Примечание Попытка снять систему с охраны после того, как система сработала (включилась сирена сигнализации), приведет только к отключению звуковой сигнализации. Система не будет снята с охраны. Для того чтобы снять систему с охраны, необходимо еще раз нажать большую кнопку постановки/снятия с охраны на брелоке-передатчике, когда система не подает звуковую сигнализацию.
Подходя к автомобилю, кратковременно нажмите малую кнопку, а затем большую кнопку постановки/снятия системы с охраны на брелоке-передатчике.
Если в Ваше отсутствие предпринималась попытка проникновения в автомобиль, охранная система проинформирует Вас об этом.
При снятии системы с охраны прозвучат четыре коротких звуковых сигнала и четыре раза мигнут габаритные огни или указатели поворотов.
Сядьте в автомобиль и перед тем, как повернуть ключ в замке зажигания, посмотрите, как мигает светодиодный индикатор на приборной панели автомобиля.
Сигналы предупреждения о попытки проникновения в автомобиль хранятся в памяти системы и стираются при включении зажигания.
Кнопочный переключатель Valet позволяет Вам временно отключить все функции охраны данной системы, что исключает необходимость отдавать передатчик управления Вашей системой служителю парковки или механику станции технического обслуживания. Когда система находится в режиме Valet , отключаются все функции охраны, кроме функции дистанционного управления режимом Паника и функции дистанционного управления запиранием и отпиранием замков дверей автомобиля.
Примечание В режиме Valet каждое выключение зажигания будет сопровождаться кратковременным звуковым сигналом.
Не забудьте отключить сервисный режим Valet, когда этот режим вам больше не нужен. Это обеспечит полную защиту вашего автомобиля.
Данная охранная система может быть снята с охраны и без использования брелока-передатчика дистанционного управления. Эта функция предусмотрена на тот случай, когда Вам нужно снять систему с охраны и воспользоваться автомобилем, но брелок-передатчик потерян или неисправен. Если при программировании системы для ручного отключения системы выбран переключатель Valet, то для отключения системы проделайте следующее:
Обратите внимание, что при этом система не будет находиться в режиме Valet!
Выбор кодированного режима отключения системы осуществляется функцией F9. Для этого обратитесь к Вашему мастеру-установщику или смотрите раздел "Программируемые функции" и инструкцию по установке системы. Обратите внимание, что выбор данной функции также определяет способ отключения режима Anti-Hi-Jack (Valet или кодированный).
В том случае, если включен кодированный режим снятия с охраны, Вы можете использовать фабричный код (11) или, для обеспечения максимальной защиты Вашего автомобиля, Вы можете запрограммировать свой персональный код отключения в любое время.
Код состоит из двух цифр, каждая из которых может быть любым числом от 1 до 9.
Примечание В том случае, если 3 раза подряд был введен неправильный код, система перестанет воспринимать дальнейшие попытки ввода кода в течение некоторого времени.
Не выбирайте в качестве первой цифры секретного кода число 3!
Функция F9 должна соответствовать режиму Секретный код
Фабричный код отключения системы -11.
Введите действующий персональный код для разрешения операции смены секретного кода
Примечание Если система не подтверждает ввод секретного кода звуковым сигналом, поставьте систему в охрану с помощью брелока передатчика, затем снимите систему с охраны и повторите процедуру ввода секретного кода.
Обязательно запишите или хорошо запомните Ваш персональный код. Обратите внимание, что если функция F10 запрограммирована как Секретный код, персональный код также будет необходим для отключения функции Anti-Hi-Jack.
Примечание После того как включена тревожная сигнализация в непрерывном режиме, звуковая и световая сигнализации будут работать до полного разряда аккумулятора автомобиля.
Если функция F9 в режиме Valet, отключение функции Anti-Hi-Jack производится однократным нажатием кнопочного выключателя Valet. Для этого выключите, затем вновь включите зажигание и в течение 10 сек нажмите кнопочный выключатель Valet.
Если функция F9 в режиме Секретный код, выключите и вновь включите зажигание 2 раза, после чего введите персональный секретный код отключения системы.
Если в Вашем автомобиле установлены дополнительные электроприводы замков дверей, данная система может быть запрограммирована на автоматическое запирание дверей при включении зажигания. Каждый раз при включении зажигания, через 3 сек, двери автомобиля будут заперты для обеспечения Вашей безопасности. Если какая-либо из дверей будет в этот момент открыта, двери запираться не будут. Если Вы хотите включить данную функцию, обратитесь к Вашему мастеру-установщику или смотрите раздел "Программируемые функции".
Если в Вашем автомобиле установлены дополнительные электроприводы замков дверей, то каждый раз при выключении зажигания двери автомобиля будут автоматически отпираться. Если Вы хотите отключить данную функцию, обратитесь к Вашему мастеру-установщику или смотрите раздел "Программируемые функции".
Для включения режима Паника нажмите и удерживайте вместе обе кнопки брелока-передатчика, что позволяет в чрезвычайной ситуации включить сирену системы. Для дистанционного включения режима Паника
Примечание В режиме Паника будут работать все обычные функции брелока-передатчика.
Режим Паника работает как при выключенном, так и при включенном зажигании.
Данная система имеет дополнительный канал 2, который позволяет управлять различными дополнительными устройствами, подключаемыми к системе. В основном данный канал можно использовать для
Для подачи управляющего сигнала на дополнительное устройство по каналу 2 нажмите малую кнопку 2 на брелоке-передатчике и удерживайте ее в нажатом положении в течение 1,5 сек.
Примечание Для пп. 1,2: если выход канала 2 был активизирован в то время, когда система находилась в режиме охраны, то система одновременно на некоторое время отключит датчик удара и триггер капота/багажника для того, чтобы открывание багажника не вызвало срабатывания системы. После того как багажник будет закрыт, система автоматически возьмет эту цепь под охрану и включит датчик удара.
Для п.3: при активации канала система отключает только датчики удара.
Дополнительный программируемый канал 3 (линия дополнительной блокировки "ARM" - провод черный с белой полосой) позволяет управлять дополнительными устройствами, подключаемыми к системе. Данный канал программируется как
В некоторых случаях использования охранной системы требуется выключать сирену, например, для соблюдения тишины в ночное время. Система APS-2500 SHERIFF позволяет дистанционно выключать, а также дистанционно включать сирену по желанию пользователя. Управление сиреной возможно только в режиме охраны. Выключение или включение сирены производиться двухкратным одновременным нажатием обоих кнопок брелока-передатчика в течение одной секунды. Снятие системы с охраны, а затем постановка на охрану автоматически восстановит работу сирены в обычном режиме. Когда система находится в режиме охраны, выключение или включение сирены можно производить любое число раз.
F12 включена - при выключении режима охраны с помощью брелока-передатчика система деблокирует замки дверей, отключает датчики удара и входные триггеры периметра охраны. Все цепи блокировок остаются в активном состоянии и могут быть выключены только с помощью последующего нажатия кнопки Valet или вводом секретного кода.
ВНИМАНИЕ При записи кода нового передатчика в память системы все ранее запрограммированные коды передатчиков стираются, поэтому коды всех передатчиков должны быть запрограммированы заново за один цикл.
ВНИМАНИЕ Так как в передатчиках используется постоянно меняющийся (динамический) код, в некоторых ситуациях (например, при нажатии кнопок брелока более 30 раз вне зоны действия системы) может произойти рассинхронизация брелоков и системы. В этом случае подойдите к автомобилю и в течение 1 сек дважды нажмите кнопку передатчика. Синхронизация будет восстановлена, и брелок вновь сможет управлять системой.
ВНИМАНИЕ Помните, что каждая операция должна быть выполнена в течение 5 сек после предыдущей операции. Если 5-секундный интервал превышен, система автоматически выйдет из режима программирования, что будет подтверждено одним коротким и одним длинным сигналами сирены. Если в процессе программирования было выключено зажигание, система немедленно выйдет из режима программирования, подтвердив это одним коротким и одним длинным сигналами сирены.
Вы услышите один короткий и один длинный сигналы сирены, подтверждающие выход из режима программирования передатчиков, а СИД системы погаснет.
ВНИМАНИЕ Помните, что каждая операция записи кодов новых брелоков удаляет из памяти коды старых брелоков и должна быть выполнена для всех брелоков за один раз. Система поддерживает в памяти до 4 кодов брелоков независимо оттого, коды четырех разных брелоков или один и тот же код записывается в систему четыре раза.
| FN# | 1 тон | 2 тона | З тона | 4 тона | |
|---|---|---|---|---|---|
| Одно нажатие на ARM/ DISARM | Два нажатия на ARM/ DISARM | Три нажатия на ARM/ DISARM | Четыре нажатия на ARM/DISARM | ||
| F1: Ограничение ложных срабатываний | ВЫКЛ | ВКЛ | |||
| F2: Задержка постановки на охрану | 5 сек | 35 сек | |||
| F3: Длительность импульса запирания/ отпирания | 0,9 сек | 3.5 сек | Имп. запирания 1сек,два имп. отпирания по 1 сек | ||
| F4: Запирание дверей при ВКЛЮЧЕНИИ зажигания | ВЫКЛ | ВКЛ | |||
| F5: Авт. отпирание при ВЫКЛЮЧЕНИИ зажигания | ВЫКЛ | ВКЛ | |||
| F6: Автоматическая переустановка на охрану | ВЫКЛ | ВКЛ | ВКЛ с запиранием замков дверей | ||
| F7: Программирование управляемого канала СН2 | Выход (-) по мере удержания | Импульсный выход (-) 1 сек | Триггерный выход (-) (при включенном зажигании) | ||
| F8: Восстановление зав. установок | ВЫКЛ | - восстановление | |||
| F9: Отключение системы | Valet | Секретный код | |||
| F10: Охрана при запущенном двигателе | ВЫКЛ | ВКЛ | |||
| F11: Включение Anti-Hi-Jack при включении зажигания | ВЫКЛ | ВКЛ | |||
| F12: AV-триггер для ARM, ARM (снятие с охраны в два этапа) | ВЫКЛ | ВКЛ | |||
| F13: Программирование доп. канала СНЗ | Выход ARM (-)-ДОП. блокировка | Импульс(-) 20 сек при снятии системы с охраны (вежливая подсветка) | Импульс (-) 30 сек при постановке на охрану (управление стеклоподъемниками) | Выход пейджера | |
| F14: Закрыть ВСЕ( комфорт) | ВЫКЛ | 15 сек | 30 сек | ||
Заводская установка
ВНИМАНИЕ При записи кода нового передатчика в память системы все ранее запрограммированные коды передатчиков стираются, поэтому коды всех передатчиков должны быть запрограммированы заново за один цикл.
ВНИМАНИЕ Так как в передатчиках используется постоянно меняющийся (динамический) код, в некоторых ситуациях (например, при нажатии кнопок брелка более 30 раз вне зоны действия системы) может произойти рассинхронизация брелков и системы. В этом случае - подойдите к автомобилю и в течение одной секунды дважды нажмите кнопку передатчика. Синхронизация будет восстановлена и брелок вновь сможет управлять системой.
В режиме программирования той или иной функции количество вспышек СИД соответствует номеру программируемой функции, а один или два сигнала сирены показывают состояние этой функции.
После сигналов сирены Вы можете либо
Примечание Не допускайте, чтобы между Вашими действиями прошло больше 10 сек, иначе система автоматически выйдет из режима программирования, и Вы услышите один короткий и один длинный сигналы сирены.
Перепрограммирование функций F1-F7 не требует ввода секретного кода и не зависит от состояния функции F9, однако попытка перейти к программированию функций F8-F14 приведет к выходу системы из режима программирования.
Введите действующий персональный код для разрешения операции перепрограммирования функций.
В режиме программирования той или иной функции количество вспышек СИД соответствует номеру программируемой функции, а один или два сигнала сирены показывают состояние этой функции.
После сигналов сирены Вы можете
Примечание Не допускайте, чтобы между Вашими действиями прошло больше 10 сек, иначе система автоматически выйдет из режима программирования, и Вы услышите один короткий и один длинный сигналы сирены.
| Частое мигание | Пассивная постановка системы на охрану |
| Медленное мигание | Система поставлена на охрану |
| Выключен | Система снята с охраны |
| Горит постоянно | Режим Valet |
| Три вспышки ... пауза | Сработала зона 3 (концевые выключатели дверей) |
| Две вспышки ... пауза | Сработала зона 2 (концевые выключатели капота/багажника) |
| Одна вспышка...пауза | Сработала зона 1 (датчик удара) |
| 1 звуковой сигнал* | Система поставлена на охрану |
| 2 звуковых сигнала* | Система снята с охраны |
| 3 звуковых сигнала* | Система находится на охране, но открыты дверь, капот или багажник автомобиля |
| 4 звуковых сигнала* | Предупреждение о срабатывании системы при снятии с охраны |
| 1 вспышка | Система поставлена на охрану |
| 2 вспышки | Система снята с охраны |
| 3 вспышки | Система находится на охране, но открыты дверь, капот или багажник автомобиля |
| 4 вспышки | Предупреждение о срабатывании системы при снятии с охраны |
Примечание Если сигнализация срабатывала в Ваше отсутствие, то при снятии системы с охраны прозвучат четыре коротких звуковых сигнала и четыре раза мигнут габаритные огни или указатели поворотов, а светодиодный индикатор будет мигать по коду, который соответствует той зоне, которая срабатывала в Ваше отсутствие.
Перед запуском двигателя автомобиля посмотрите, как мигает светодиодный индикатор на приборной панели автомобиля. Количество вспышек светодиодного индикатора указывает на ту охраняемую системой зону, которая вызывала срабатывание системы в Ваше отсутствие. Более подробная информация приведена в разделе "Сигналы предупреждения о попытке проникновения в автомобиль" данного руководства.
Попытка снять систему с охраны после того, как система сработала (включилась сирена сигнализации), приведет только к отключению звуковой сигнализации. Система не будет снята с охраны. Для того чтобы снять систему с охраны, необходимо нажать кнопку постановки на охрану/снятия с охраны на брелоке-передатчике, когда система не подает звуковую сигнализацию.
В корпусе передатчика установлен маленький красный светодиод, который подтверждает нажатие кнопок передатчика, а также показывает состояние батарейки. По мере разряда батарейки Вы можете заметить уменьшение дальности действия передатчика.
Для замены батарейки
Выберите в пассажирском салоне место для установки основного блока системы (за приборной панелью автомобиля) и закрепите блок с помощью двух винтов. Основной блок , системы может быть закреплен с помощью кабельных стяжек.
Никогда не устанавливайте основной блок системы в отсеке двигателя автомобиля, потому что корпус данного модуля негерметичен. Следует избегать установки данного блока непосредственно на штатные электронные узлы автомобиля. Электронные узлы автомобиля могут служить источником радиочастотных помех, что, в свою очередь, может привести к сокращению рабочего расстояния передатчика системы или появлению перерывов в работе системы.
Для установки сирены выберите в отсеке двигателя место, в котором сирена будет защищена от доступа со стороны днища или арок передних колес автомобиля. В выбранном для установки сирены месте отсека двигателя не должно быть горячих или движущихся деталей. Сирена должна быть направлена вниз, чтобы избежать накапливания в ней воды, а раструб должен быть направлен из отсека двигателя наружу для максимального распространения звука. Закрепите сирену в выбранном месте на специальном кронштейне с помощью винтов.
Концевой выключатель, входящий в комплект данной системы, предназначен для защиты зон багажника (задней двери в автомобилях с кузовом "хетчбек" или "универсал") или капота автомобиля. В любом случае концевой выключатель следует закреплять на металлической поверхности, электрически соединенной с "массой" автомобиля. Очень важно установить концевой выключатель в таком месте, где не протекает и не скапливается вода. Никогда не устанавливайте концевой выключатель в водоотводах, которые расположены на крыльях автомобиля вдоль капота и багажника. Для установки концевого выключателя выбирайте место, защищенное резиновым уплотнителем при закрытом капоте или крышке багажника.
Концевой выключатель может быть установлен с помощью входящего в комплект кронштейна или непосредственно в отверстие диаметром 6 мм (1/4 дюйма), просверленное в кузове автомобиля. В любом случае концевой выключатель должен быть установлен таким образом, чтобы капот или крышка багажника при закрывании нажимали на концевой выключатель и перемещали его движущийся контакт не меньше чем на 6 мм, а при открывании позволяли движущемуся контакту полностью подняться.
В комплект данной системы входит небольшой красный светодиодный индикатор, который показывает состояние охранной системы и является визуальным предупреждением для потенциальных грабителей и угонщиков. Светодиодный индикатор должен быть установлен в приборную панель автомобиля в таком месте, где он будет хорошо виден как с водительского сиденья, так и снаружи через окна автомобиля. Перед тем как просверлить отверстие в выбранном на приборной панели месте, осмотрите его со всех сторон, чтобы не повредить сверлом провода штатной электрической проводки автомобиля и убедитесь, что к этому месту могут быть подведены провода светодиодного индикатора.
Аккуратно просверлите в выбранном месте отверстие диаметром 6 мм (1/4 дюйма), пропустите через отверстие с лицевой стороны панели красный и синий провода светодиода. Нажмите на светодиод и плотно установите его в монтажное отверстие.
Для установки переключателя Valet выберите такое место, в котором водитель автомобиля мог бы легко им воспользоваться. Тщательно прятать переключатель нет необходимости, однако рекомендуется все же использовать определенные методы маскировки, потому что это повысит уровень защищенности системы и затруднит действия угонщиков.
Кнопочный переключатель Valet может быть закреплен на приборной панели автомобиля снизу со стороны водителя. Вы должны убедиться, что при дальнейшей установке системы к переключателю можно будет легко подключить провода.
Для установки датчика удара выберите ровную твердую поверхность на перегородке, разделяющей отсек двигателя и салон автомобиля, со стороны пассажирского салона. Закрепите датчик удара в выбранном месте с помощью двух самонарезающихся винтов, входящих в комплект системы. Датчик можно закрепить на стойках, к которым крепится приборная панель автомобиля, с помощью кабельных стяжек.
Независимо оттого, какой метод крепления датчика удара используется, необходимо обеспечить свободный доступ к потенциометру регулировки чувствительности датчика, который может потребоваться использовать при последующей настройке системы.
ВНИМАНИЕ! При подключении дополнительных реле к выходам охранной системы убедитесь в наличии демпфирующего диода на контактах управления реле. Подключайте выход охранной системы к дополнительному реле только со стороны анода демпфирующего диода. Делайте все подключения проводов охранной системы только со снятыми предохранителями цепей питания охранной системы.
Белый провод: импульсный выход +12 В для подключения габаритных огней автомобиля (максимальный ток 15 А). Белый провод в блоке системы предназначен для подачи импульсного сигнала +12 В в цепь питания габаритных огней автомобиля. Подключите данные провода к проводам положительной полярности цепей габаритных огней автомобиля.
Красный провод, защищенный предохранителем 15 А: постоянный источник питания + 12 В. Данный провод используется для питания силовых встроенных цепей -управление габаритным светом автомобиля.
Красный провод с белой полосой, защищенный предохранителем 5 А: постоянный источник питания +12 В. Данный провод используется для питания всех основных цепей системы.
Белый провод с черной полосой: выход подачи питания на сирену (+12 В). Проложите данный провод через отверстие с резиновой втулкой, которое имеется в перегородке между отсеком двигателя и салоном автомобиля, к тому месту, в котором установлена сирена. Соедините белый провод с черной полосой с красным проводом сирены (подача питания +12 В). Подсоедините черный провод, идущий от сирены, к "массе" (металлической детали кузова автомобиля).
Черный провод: вход подачи питания ("масса"). Подключите черный провод к "массе" (металлической детали кузова автомобиля). Не перепутайте данный провод с тонким черным проводом антенны, который подключен к основному блоку системы отдельно, а не в жгуте проводов.
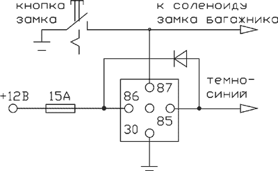
Темно-синий провод: выход второго канала СН2. Отрицательный выход второго канала 300 мА с задержкой активируется при нажатии и удержании на время более 1,5 сек кнопки 2 брелока-передатчика. Режим работы второго канала программируется функциями F7.
Темно-синий провод системы представляет собой слаботочный транзисторный выход, поэтому он используется только для включения внешнего реле.
Предупреждение: Непосредственное подключение темно-синего провода к сильноточному выходу цепи открывания замка багажника автомобиля, а также к входу некоторых устройств дистанционного запуска двигателя автомобиля приведет к повреждению основного блока охранной системы.
Подключите темно-синий провод к контакту #86 реле типа AS-9256 (или эквивалентного автомобильного реле, рассчитанного на ток 30 А). Подключите провода к другим контактам реле в соответствии с тем, какая функция будет управляться по каналу 2 системы.
Темно-зеленый провод: вход для подключения концевых выключателей отрицательной полярности капота и багажника. Темно-зеленый провод системы - это провод мгновенного отрицательного триггера. Данный провод необходимо подключить к ранее установленным концевым выключателям капота и багажника, постоянно соединенным с "массой".
Фиолетовый провод: вход для подключения концевых выключателей дверей положительной полярности, большинство автомобилей "Форд" и некоторые автомобили неамериканского производства.
Подключите фиолетовый провод системы к положительному выходу одного из концевых выключателей дверей автомобиля, так как в большинстве автомобилей концевые выключатели дверей подключены параллельно.
Примечание Не подключайте фиолетовый провод системы, если автомобиль имеет цепь концевых выключателей дверей отрицательной полярности (в этом случае подключается коричневый провод системы).
Коричневый провод: вход для подключения концевых выключателей дверей отрицательной полярности (автомобили "Дженерал Моторс" и большинство автомобилей неамериканского производства).
Подключите коричневый провод системы к отрицательному выходу одного из концевых выключателей дверей автомобиля.
Примечание Не подключайте коричневый провод системы, если автомобиль имеет цепь концевых выключателей дверей положительной полярности (в этом случае подключается лиловый провод системы).
Желтый провод: вход для подключения провода зажигания + 12 В.
Подключите данный провод к тому проводу зажигания, на который подается питание +12 В, когда ключ повернут в замке зажигания в положение "зажигание" или "стартер". Убедитесь в том, что на данный штатный провод автомобиля не подается питание, когда ключ повернут в замке зажигания в положение "выключено".
Оранжевый провод: выход сигнала отрицательной полярности 300 мА (когда система находится на охране); нормально замкнутое реле блокировки стартера (требуется установка дополнительного реле). Данный провод системы позволяет управлять работой реле блокировки стартера.
Подключите оранжевый провод к контакту #86 реле. Соедините контакт #85 реле с проводом зажигания автомобиля, на который подается питание +12 В, когда ключ повернут в замке зажигания в положения "зажигание" и "стартер", и 0 В, когда ключ повернут в положение "выключено". (К этому же штатному проводу автомобиля подключается и желтый провод системы). Перережьте слаботочный провод соленоида стартера автомобиля и подключите один конец перерезанного провода к контакту #87 установленного реле. Подключите другой конец перерезанного провода к контакту #30 реле.
Примечание Данное подключение используется в том случае, когда устанавливается нормально замкнутое реле блокировки стартера. При использовании такого подключения отключение подачи питания на охранную систему приводит к тому, что перестает работать функция блокировки стартера, а это, в свою очередь, позволяет запустить двигатель автомобиля.
Черный провод с белой полосой: выход канала СНЗ
Двухконтактный синий разъем: переключатель Valet Проложите черный и серый провода от переключателя Valet к основному блоку системы и подключите двухконтактный синий разъем к соответствующему синему разъему на основном блоке системы.
Двухконтактный белый разъем: светодиодный индикатор системы.
Проложите красный и синий провода от светодиода к основному блоку системы и подключите двухконтактный белый разъем к соответствующему двухконтактному белому разъему на основном блоке системы.
Два четырехконтактных белых разъема: датчик удара и дополнительный датчик. Проложите красный, черный, синий и зеленый провода (4-контактный белый разъем) отдатчика удара до основного блока системы и подключите разъем, находящийся на одном конце жгута, к датчику удара, а другой разъем к соответствующему белому разъему на основном блоке системы.
6-контактный силовой разъем управления электроприводами замков дверей автомобиля: оранжевый, синий с белой полосой, желтый, белый, зеленый и синий провода большого 6-контактного разъема системы подключены к контактам встроенных реле запирания/отпирания замков дверей автомобиля. Функции каждого из этих проводов приведены ниже.
Реле запирания
Синий провод с белой полосой с защитой предохранителем 15 А = нормально разомкнутый контакт реле.
Темно-зеленый провод = нормально замкнутый контакт реле.
Желтый провод = общий контакт реле.
Реле отпирания
Оранжевый провод с защитой предохранителем 15 А = нормально разомкнутый контакт реле.
Темно-синий провод = нормально замкнутый контакт реле.
Белый провод = общий контакт реле.
Отрицательный триггер (большинство автомобилей японского производства)
При установке системы в таких автомобилях (большинство автомобилей японского производства) темно-зеленый и темно-синий провода запирания/отпирания дверей автомобиля не используются.
Оранжевый провод и синий провод с белой полосой должны быть подключены к "массе" (металлической детали кузова автомобиля).
Желтый провод - импульсный выход запирания отрицательной полярности, он должен быть подключен к проводу управления штатным реле запирания отрицательной полярности.
Белый провод - импульсный выход отпирания отрицательной полярности, он должен быть подключен к проводу управления штатным реле отпирания отрицательной полярности.
Положительный триггер (большинство легковых автомобилей "Дженерал Моторс")
При установке системы в таких автомобилях (большинство легковых автомобилей марки "Дженерал Моторс") темно-зеленый и темно-синий провода запирания/отпирания дверей автомобиля не используются.
Оранжевый провод и синий провод с белой полосой должны быть подключены к источнику питания + 12 В.
Желтый провод - импульсный выход запирания положительной полярности, он должен быть подключен к проводу управления штатным реле запирания положительной полярности.
Белый провод - импульсный выход отпирания положительной полярности, он должен быть подключен к проводу управления штатным реле отпирания положительной полярности.
При установке системы на таких автомобилях необходимо перерезать штатные провода управления электроприводами замков дверей автомобиля. Эти провода проложены от основного переключателя запирания/отпирания к дополнительным переключателям запирания/отпирания, а от них - к электроприводам дверных замков.
Перережьте штатный провод запирания и подключите желтый провод системы к тому концу перерезанного штатного провода, который идет к дополнительным переключателям (электроприводам замков дверей). Подключите зеленый провод к тому концу перерезанного штатного провода, который идет к основному переключателю.
Перережьте штатный провод отпирания и подключите белый провод системы к тому концу перерезанного штатного провода, который идет к дополнительным переключателям (электроприводам замков дверей). Подключите синий провод к тому концу перерезанного штатного провода, который идет к основному переключателю.
Оранжевый провод и синий провод с белой полосой должны быть подключены к источнику питания +12 В, защищенному предохранителем.
Обязательно протяните тонкий черный провод антенны во всю длину в таком месте, где его невозможно было бы повредить, и закрепите его кабельными стяжками. Запрещается оборачивать данный провод вокруг жгутов, включающих в себя сильноточные провода и провода мощных переключаемых нагрузок.
Для зоны предупреждения данного датчика автоматически устанавливается на 30% более низкая чувствительность, чем для зоны срабатывания. Маленькой отверткой аккуратно поверните винт регулировки чувствительности датчика удара до конца против часовой стрелки. (Не прилагайте излишнего усилия при повороте винта регулировки, чтобы не сломать его; максимальный угол поворота данного регулятора равен 270°.) Закройте капот и багажник автомобиля и поставьте систему на охрану. Подождите 6 сек, чтобы стабилизировалась зона триггера вспомогательного оборудования, затем сильно ударьте по заднему бамперу автомобиля кулаком. Сила удара должна быть не меньше той, что требуется для разбивания стекла автомобиля.
Внимание Никогда при проверке чувствительности датчика удара не бейте по стеклу автомобиля. Вы можете его разбить.
Поверните винт регулировки по часовой стрелке (повышая чувствительность датчика удара) приблизительно на 1/4 оборота и повторите проверку срабатывания датчика. Повторяйте данную процедуру до тех пор, пока не сработает система и не зазвучит сигнализация. В конце концов один существенный удар по бамперу автомобиля будет приводить к подаче серии предупреждающих сигналов сирены.
Предупреждение! Выбор слишком высокой чувствительности датчика удара приведет к ложным срабатываниям системы от сильной вибрации, которая создается, например, проезжающими грузовыми автомобилями или тяжелой техникой. Для уменьшения чувствительности датчика удара поверните винт регулировки датчика против часовой стрелки.
Всегда прокладывайте провода охранной системы в гофрированной трубке или защищайте их, оборачивая по спирали изоляционной лентой. Закрепляйте жгуты проводов вдоль всей длины с помощью кабельных стяжек. Надежное закрепление предотвратит попадание жгута на горячие поверхности двигателя или острые движущиеся детали автомобиля, что может привести к повреждению изоляции проводов системы.
Мастер-установщик обязательно должен пометить в руководстве пользователя все установленные опции и запрограммированные настройки и полностью разъяснить владельцу автомобиля правила эксплуатации охранной системы.

*Может устанавливаться дополнительно
30.10.05