Опустите окно, чтобы вы могли попасть внутрь машины и после установки ввести код передатчика на блок управления, как описывается ниже в этой инструкции.

С1-КРАСНЫЙ: Соединить с постоянным (+ 12 В) проводом.
С1-ЧЕРНЫЙ: Соединить с "землей" шасси.
Присоедините этот провод к голому металлу (краску следует удалить), предпочтительно к фабричному болту, а не с помощью вашего собственного винта (затяжка винтов со временем ослабевает).
С1-ЗЕЛЕНЫЙ: Соединить с проводом зажигания "IG1" (питающий свечи зажигания, обмотку, топливную систему).
IG1: Этот провод находится в жгуте замка зажигания и питает систему зажигания. Если ваш Вольтметр показывает (+ 12 В) в позиции "включено" (ход) и "старт", то все правильно.
С1-БЕЛЫЙ: Соединить с IG2 (ключ зажигания в положении АСС). Если в автомобиле его нет, то роль "IG2" выполняет "IG1", поэтому вам нет нужды пользоваться С1-БЕЛЫМ. Удалите этот провод из блока управления.
IG2: Этот провод находится в жгуте замка зажигания. Когда ключ стоит в положении АСС, то ваш вольтметр показывает (+ 12 В), а в положении "СТАРТ" - он показывает 0 В.
С1-ОРАНЖЕВЫЙ: Соединить с проводом "старт".
ПУСК (START): Этот провод находится в жгуте замка зажигания. Когда ключ стоит в положении "старт", то ваш вольтметр показывает (+ 12 В), а в положении "ход" - он показывает 0 В. Вместо этого провода в автомобиле могут быть два провода, поэтому, если дистанционный запуск двигателя не действует, то вам нужно заменить его на другой "стартовый" провод.
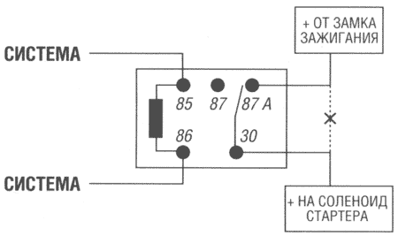
С1-ФИОЛЕТОВЫЙ: Этот провод соединяют с внешним реле, чтобы блокировать запуск двигателя. И это выход (-) 400 мА сигнала постановки на охрану, поэтому вы можете пользоваться модулем управления стеклоподъемниками.

ВНИМАНИЕ: Никогда не разрывайте никакой провод кроме провода стартера.
С2-1,2: Соединить с фарой указателя поворота провод фары левого (правого) поворота: если работает левая (или правая) фара, то на вольтметре отсчитывается импульс (ВЫСОКОЕ-НИЗКОЕ).
* Если этот провод действует и на левую и на правую фару, то это не фара указателя поворота, а выход аварийного освещения. Никогда не соединяйте этот провод.
С2-3, 4, 5, 6: запирание/отпирание дверей
С2-3: (-) отпирание
С2-4: (-) запирание
С2-5: (+) отпирание
С2-6: (+) запирание
ТИП 1: (-) импульсы от выключателя к заводским реле. Будьте осторожны и убедитесь, что это не ТИП 3. Пользуйтесь С2-3, С2-4 и удалите С2-5, С2-6.
позиции 3, 4 переключателя DIP-SWITCH выключены

ТИП 2: Импульсы (+ 12 В) от замка к заводским реле. Будьте осторожны и убедитесь, что это не ТИП 3. Пользуйтесь С2-5, С2-6 и удалите С2-3, С2-4.
позиции 3, 4 переключателя DIP-SWITCH включены нужно 2 внешних диода (1 N4001)

ТИП 3: (+), (-) перемена знака полярности. Нужно 2 внешних реле.
Обязательно убедитесь, что это не ТИП 1 или ТИП 2. Если вы обнаружили неопознанный провод, то отсоедините его и проверьте запирание и отпирание выключателем замка.
Если работает только одно направление, то это не ТИП 3, а ТИП 1 или ТИП 2. В ТИПе 3, если провод запирания (или отпирания) отсоединен, то дверь не будет работать вообще.
Если вы соедините этот ТИП так же, как ТИП 1 или ТИП 2, то повредите блок управления. Пользуйтесь С2-3, С2-4 и удалите С2-5, С2-6.
позиции 3, 4 переключателя DIP-SWITCH выключены

ТИП 4: После установки нештатных электрозамков. Пользуйтесь С2-5, С2-6 и удалите С2-3, С2-4.
позиции 3, 4 переключателя DIP-SWITCH включены

ТИП 5: Электрический вакуумный замок. Требуются 2 внешних реле.
На проводе показывается сигнал ВЫСОКОЕ, когда двери отперты, и сигнал НИЗКОЕ, когда двери заперты. Система должна быть запрограммирована на 4-секундные периоды закрывания дверей (см. способ ввода кода). Пользуйтесь С2-3, С2-4 и удалите С2-5, С2-6.
позиции 3, 4 переключателя DIP-SWITCH выключены

ТИП 6: Однопроводная система. Требуется 1 внешнее реле.
Эта система обычно требует отрицательного импульса для отпирания, и разъединения провода для запирания двери. В некоторых автомобилях они меняются местами. Пользуйтесь С2-3, С2-4 и удалите С2-5, С2-6.
позиции 3, 4 переключателя DIP-SWITCH выключены

С2-7: Соединить с сиреной.
Соединить клемму "земля" сирены с шасси как провод С1- черный.
Если вы отсоедините перемычку на сирене, то звук ослабнет (в случае 6-тональной сирены ослабевает только короткий звуковой сигнал).
С2-8: Соединить с электродвигателем замка багажника.
СЗ-1: Соединить с сигнальным проводом генератора.
сигнал генератора: генератор автомобиля генерирует ВЫСОКИЙ сигнал, когда двигатель включается, а во многих автомобилях генерирует некоторое напряжение (3-4 В), даже если двигатель не включен.
СЗ-2,3: Соединить с триггером двери.
СЗ-2: (-) триггер двери
СЗ-3: (+) триггер двери
* Вы должны подтвердить, что проверяемый провод работает на все 4 двери.

С4: Соединить датчик удара (находится в вашем перчаточном ящике).
После того, как вы прикрепите его в нужном месте, отрегулируйте чувствительность.
С5: Соединить с датчиком ВЫЗОВ ИЗ МАШИНЫ.
Рекомендуем прикрепить его к ветровому стеклу (внизу слева).

С6: Соединить гнездо антенны.
Этот провод следует прикрепить к ветровом стеклу (внизу слева) на расстоянии 5-10 см от нижней стойки и 5-10 см от крыши автомобиля до верхнего конца антенны. Положение антенны очень влияет на радиус действия передатчика.

Функция системы следующая:

Этот блок управления не имеет фиксированных брелоков-передатчиков. Их код следует ввести (зарегистрировать), чтобы в случае потери или повреждения брелока вы могли легко сменить брелок. Но если зарегистрирован новый брелок, то вы не можете пользоваться старым. И если вы не нажали кнопку после этапа (4) в течение 6 секунд, то система переходит в режим Valet. Это означает, что вы можете перейти в режим Valet без брелока, если вы потеряли или повредили ваш брелок.
Кнопка (I) Кнопка (IV): нужно нажать.
Кнопка (II) Кнопка (III): нужно нажать 2 секунды.

Сделайте это 3 раза в течение 3 секунд
- Сразу после этого фара (указатель поворота) мигнет один раз.
- Сразу после этого фара (указатель поворота) мигнет один раз.
С этого времени номер кнопки будет связан с функцией системы. Режимы соответствуют номеру кнопки следующим образом:
Кнопка (I) или (II): Обычные автомобили
Кнопка (III): Автомобиль, в котором охранная система автоматически отпирает дверь после выключения двигателя.
Кнопка (IV): Автомобиль, в котором установлены вакуумные электрозамки. В таких автомобилях период запирания равен 4 секундам.
- Сразу после этого фара (указатель поворота) мигнет один раз.
- Сразу после этого фара (указатель поворота) мигнет два раза.
Если вы на этапе 5 в течение 6 секунд не нажмете любую кнопку, то система перейдет в режим Valet. Таким образом вы можете включить режим Valet без брелока.
Брелоки, которые использовались на этапах (5 6 7 зарегистрированы в системе, и вы можете пользоваться только этими брелоками. Даже если вы собираетесь пользоваться только одним или двумя брелоками, вам следует выполнить этапы 6 7 для одного или двух брелоков, так как старые коды стираются.
Когда вы захотите сменить или приобрести новые брелоки, вы можете повторить эти процедуры, начиная с этапа 1.
4.01.2000