| Максимальный радиус действия брелка | до 30 м |
| Код, используемый для управления | динамический Kee Loq |
| Частота излучения брелка | 433,92 МГц |
| Тип встроенного датчика удара | электромагнитный |
| Рабочая температура | от -40 до +85°С |
| Напряжение питания постоянного тока | 9 -18 В |
| Ток, потребляемый сигнализацией в режиме охраны | 20 мА |
| Максимально допустимый ток: | |
| - выхода управления блокировкой двигателя | 500 мА |
| - контактов реле блокировки двигателя | 40 А |
| - цепей включения габаритов | 15 А |
| - цепи сирены | 3 А |
| - цепей управления электроприводами замков дверей | 15 А |
| - цепи дополнительного канала управления | 500 мА |
| Питание брелка | 12 В (батарея типа "23A") |
* Дальность действия брелка может уменьшаться в зависимости от места установки антенны, месторасположения автомобиля и пользователя, радиопомех, погодных условий, состояния аккумулятора и элемента питания брелка.
Сигнализация выполняет заложенные в нее функции либо автоматически, либо по сигналам брелка при нажатии кнопок. Часть функций и некоторые параметры работы сигнализации могут изменяться путем программирования. Порядок программирования и перечень программируемых функций приведены в разделе "Программирование функций и режимов работы сигнализации".

Кнопка ![]()
Кнопка ![]()
Кнопки
+
одновременно
В брелке используется 1 элемент питания типа 12В, А23. Элемента питания хватает в среднем на 12 месяцев работы (все зависит от того, как часто Вы пользуетесь брелком). Замена элемента питания может быть выполнена владельцем самостоятельно в следующей последовательности:
Перед включением режима охраны убедитесь, что зажигание выключено, двери, капот и багажник надежно закрыты. Включение режима охраны осуществляется коротким нажатием кнопки
брелка.
1 сигнал сирены и 1 вспышка "габаритов" подтвердят включение. Автоматическое запирание замков дверей произойдет, если они подключены к сигнализации. Двигатель блокируется. Светодиодный индикатор начнет медленно мигать, показывая, что автомобиль охраняется.
Внимание! Если двери, капот или багажник окажутся плохо закрытыми (или неисправен один из кнопочных выключателей), то сигнализация предупредит об этом 4 звуковыми и световыми сигналами, а вспышками светодиода укажет неисправную зону. 4 вспышки - неисправность кнопок дверей, 5 вспышек - неисправность кнопок капота или багажника. (см. раздел "Самодиагностика").
Перед включением режима охраны убедитесь, что зажигание выключено, двери, капот и багажник надежно закрыты. Включение режима охраны без звуковых сигналов подтверждения осуществляется длительным нажатием кнопки
1 брелка.
1 вспышка "габаритов" подтвердит включение. Автоматическое запирание замков дверей произойдет, если они подключены к сигнализации. Двигатель блокируется. Светодиодный индикатор начнет медленно мигать, показывая, что автомобиль охраняется.
Внимание! Если двери, капот или багажник окажутся плохо закрытыми (или неисправен один из кнопочных выключателей), то сигнализация предупредит об этом 4 звуковыми и световыми сигналами, а вспышками светодиода укажет неисправную зону. 4 вспышки - неисправность кнопок дверей, 5 вспышек -неисправность кнопок капота или багажника. (см. раздел "Самодиагностика").
Отключение производится кнопкой
брелка в течение первых 10 секунд после включения режима охраны или в любое время после повторного включения датчиков.
Первое нажатие кнопки
отключает первый уровень встроенного датчика удара и дополнительного датчика. Подтверждение 2 сигнала сирены.
Второе нажатие кнопки
полностью отключает встроенный датчика удара и дополнительный датчик. Подтверждение 3 сигнала сирены.
При необходимости повторного включения датчиков необходимо опять нажать кнопку
брелка, при этом режим охраны сохранится и оба уровня датчиков будут вновь активизированы. Подтверждение 1 сигнал сирены и 1 вспышка габаритов. Обобщенный алгоритм отключения датчиков приведен на рисунке слева.
Этот режим работы сигнализации позволяет избежать появления ложных сигналов тревоги при наличии в автомобиле задержки погасания салонного света после запирания последней двери.
Если запрограммирована 45-секундная задержка опроса датчиков дверей, то при включении режима охраны последуют только 1 звуковой сигнал сирены и 1 вспышка габаритов независимо от того, открыта дверь или нет. Автоматическое запирание замков дверей произойдет, если они подключены к сигнализации. Двигатель блокируется. Светодиодный индикатор начнет медленно мигать, показывая, что автомобиль охраняется. Зона дверей будет взята под охрану через 45 секунд.
Если на момент окончания 45-секундной задержки какая-либо из дверей останется открытой или будет неисправен концевой выключатель двери, то сигналы тревоги не последуют, а зона дверей будет по-прежнему отключена. Зона дверей будет взята под охрану автоматически после закрывания двери.
Наряду с возможностью включения сигнализации с помощью брелка, может быть запрограммирован режим автоматического включения. Этот режим может быть запрограммирован с запиранием или без запирания замков дверей. Автоматический подъем стекол при условии, что электрические стеклоподъемники подключены к сигнализации, будет происходить в обоих вариантах этого режима. Если функция автоматического включения охраны запрограммирована, то после выключения зажигания и закрывания последней двери, светодиод будет быстро мигать, индицируя предстоящее включение режима охраны. Через 30 секунд сигнализация включит режим охраны. Подтверждением включения будет 1 сигнал сирены и 1 вспышка "габаритов". Светодиод начнет медленно мигать, показывая, что автомобиль охраняется. Открывание любой из дверей в течение 30 секундного периода приостанавливает предстоящее включение режима охраны. После закрывания двери отсчет времени возобновляется заново.
Автоматического включения режима охраны не произойдет, если неисправен один из дверных кнопочных выключателей. Если несправен кнопочный выключатель капота или багажника, то подтверждением включения режима охраны будут 4 сигнала сирены и 4 вспышки "габаритов", а светодиод будет мигать сериями по 5 вспышек в течение 1 минуты.
Внимание! Если Вы задействовали функцию запирания замков дверей при автоматическом включении режима охраны, не забывайте брелок с ключами в салоне автомобиля.
Выключение режима охраны осуществляется коротким нажатием кнопки
брелка. 2 сигнала сирены и 2 вспышки "габаритов" подтвердят выключение. Автоматическое отпирание замков дверей произойдет, если они подключены к сигнализации. Блокировка двигателя выключится. Светодиодный индикатор погаснет.
Внимание! Появление 5 дополнительных звуковых и световых сигналов индицирует факт срабатывания сигнализации в режиме охраны. Смотри раздел "Самодиагностика".
Выключение режима охраны без звуковых сигналов подтверждения осуществляется длительным нажатием кнопки
брелка.
2 вспышки "габаритов" подтвердят выключение. Замки дверей автоматически откроются, если они подключены к сигнализации. Блокировка двигателя выключится. Светодиодный индикатор погаснет.
Внимание! Появление 5 дополнительных звуковых и световых сигналов, индицируют факт срабатывания сигнализации в режиме охраны. Смотри раздел "Самодиагностика".
Разработчики сигнализации предусмотрели возможность выключения режима охраны при утере или неработоспособности брелка дистанционного управления. Для этого нужно сделать следующее:
После экстренного отключения сигнализация перейдет в служебный режим, что предотвратит возврат в режим охраны.
Если включение режима охраны подтверждается 4 сигналами сирены и 4 вспышками "габаритов", значит двери, капот или багажник плохо закрыты, и сигнализация сообщает, что соответствующая зона будет временно исключена из контура охраны. В течение 1-ой минуты светодиод сериями вспышек будет показывать неисправную зону:
4 вспышки - двери;
5 вспышек - капот или багажник.
Необходимо закрыть двери, капот или багажник, и система автоматически возьмет эту зону под охрану.
Если в конструкции Вашего автомобиля предусмотрена задержка погасания салонного света при выходе из машины, то при включении режима охраны возможна ложная индикация открытых дверей. Для того, чтобы этого не происходило необходимо запрограммировать функцию №4 в состояние 45сек.
Если сигнализация находилась в режиме охраны и срабатывала в Ваше отсутствие, то при выключении режима охраны прозвучат 5 сигналов сирены и 5 раз вспыхнут "габариты". Светодиод будет мигать сериями вспышек. По количеству вспышек светодиода можно определить причину срабатывания сигнализации.
| Кол-во вспышек светодиода | Причины срабатывания |
|---|---|
| Не горит | Срабатываний не было |
| 2 | 1-й уровень датчика удара и доп.датчика |
| 3 | 2-й уровень датчика удара и доп.датчика |
| 4 | Двери |
| 5 | Капот, багажник |
| 6 | Зажигание |
Если на автомобиль было произведено несколько разных воздействий, то светодиод покажет последнее. При включении зажигания светодиод погаснет.
Если в режиме охраны произойдет вторжение в любую из охраняемых зон, это вызовет автоматическое включение сигналов тревоги: мощное звучание сирены, мигание габаритных огней, подачу сигналов на пейджер. Длительность одного цикла тревоги и количество циклов тревог для различных причин срабатывания сигнализации указана в таблице.
| Причина тревоги | Длительность одного цикла | Максимальное количество циклов при постоянно срабатывающем датчике |
|---|---|---|
| Включалось зажигание | 30сек | 6 |
| Открывались двери | 30сек | 6 |
| Открывались капот, багажник | 30сек | 6 |
| Срабатывал 1 уровень датчика удара | 1 сигнал сирены | не ограничено |
| Срабатывал 2 уровень датчика удара | 30сек | 6 |
| Срабатывал 1 уровень доп.датчика | 1 сигнал сирены | не ограничено |
| Срабатывал 2 уровень доп.датчика | 30сек | 6 |
| В режиме охраны отключалось, затем включалось питание | 30сек | 6 |
Если Вы хотите прервать сигналы тревоги (например, Вы проверяли работу датчика удара), нужно нажать любую кнопку брелка. При этом сигнализация останется в режиме охраны.
Надежная блокировка двигателя сохраняется в течение всего периода охраны. Попытки угонщиков завести двигатель, несмотря на сигналы тревоги, будут бесполезны.
В случае подключения к соответствующему выходу сигнализации передатчика пейджера, сигналы тревоги будут немедленно переданы на приемник пейджера, своевременно предупреждая владельца о любой опасности угрожающей автомобилю.
Любая попытка злоумышленника выключить режим охраны временным отключением питания окажется безуспешной. При отключении питания, например, сбросе клеммы с аккумулятора, система запоминает свое состояние. При восстановлении питания система снова окажется в том же состоянии.
Если в течение 30 секунд после выключения режима охраны двери, капот или багажник автомобиля не были открыты, сигнализация автоматически вновь включит режим охраны. Это защищает от выключения режима охраны случайным нажатием кнопки брелка, а также в случае, если Вы, отключив сигнализацию, измените свое намерение сесть в автомобиль, а включить режим охраны забудете. Сигнализация сделает это сама. Подтверждающие сигналы и индикация светодиода те же, что и при включении режима охраны брелком. Замки дверей запираются.
Внимание! Если перед выключением режима охраны двери, капот или багажник были открыты (или был неисправен один из кнопочных выключателей), то автоматического возврата в режим охраны не произойдет.
С помощью программирования Вы можете включить режим иммобилизатора. Этот режим позволяет задействовать только блокировку двигателя без включения режима охраны. В этом случае двигатель будет блокирован через 2 минуты после выключения зажигания. Если после выключения зажигания будет открыта дверь автомобиля, двигатель будет блокирован в момент открывания двери.
Для отключения режима иммобилизатора нажмите кнопку
брелка.
Сигналы тревоги включаются коротким нажатием двух кнопок брелка одновременно. Сигналы тревоги продолжаются 30 секунд. Если Вы хотите прервать их раньше, нажмите любую кнопку брелка. Режим паники может быть задействован при включенном или выключенном зажигании, при включенном или выключенном режиме охраны. Режим "паника" не изменяет состояния сигнализации и не вызывает закрывания или открывания замков дверей.
При включенном зажигании, можно закрывать и открывать замки дверей (если они подключены к сигнализации). Нажатие кнопки
брелка закрывает замки, нажатие кнопки
- открывает замки.
По Вашему желанию может быть введена функция запирания замков дверей через 10 секунд после включения зажигания и открывания их сразу после выключения зажигания.
Если при включении зажигания одна из дверей была открыта, то запирания замков дверей не произойдет. Открытие дверей в течение 10 секунд после включения зажигания также отменяет запирание.
С целью обеспечения большей безопасности электрическая система запирания Вашего автомобиля может быть подключена к сигнализации таким образом, что при выключении режима охраны сначала откроется только водительская дверь. При необходимости отпирания остальных дверей повторно нажмите кнопку
брелка.
Двухступенчатое отпирание замков дверей происходит при выключении режима охраны и при управлении центральным замком с брелка при включенном зажигании. Если запрограммировано автоматическое управление центральным замком от ключа зажигания, то при выключении зажигания отпираются замки всех дверей.
Нажатие и удержание двух кнопок брелка одновременно вызывает появление сигнала управления на специальном выходе сигнализации, к которому могут быть подключены дополнительные устройства автомобиля. Если дополнительный канал используется для открывания багажника, то при дистанционном открывании багажника в режиме охраны временно отключаются зоны датчика удара, дополнительного датчика, капота и багажника. Через 5 секунд после закрытия багажника датчики автоматически включаются.
Для временного отключения охранных функций сигнализации, например, при проведении работ на станции сервисного обслуживания, разработчиками предусмотрен специальный служебный режим. Для включения служебного режима:
В служебном режиме продолжает работать дистанционное отпирание/ запирание замков дверей брелком и автоматическое управление замками дверей от ключа зажигания. Остальные функции сигнализации отключаются. Для отмены служебного режима:
Включите зажигание, нажмите и удерживайте сервисную кнопку Valet до момента погасания светодиода.
Данная сигнализация не имеет механических регуляторов чувствительности датчика удара. Регулировка чувствительности производится дистанционно. Датчик удара имеет 10 порогов чувствительности от 1 до 10 раздельно для основного и предупреждающего уровней. 10-й порог - максимальная чувствительность. 1-й порог- минимальная чувствительность. Необходимо иметь ввиду, что при 1-ом пороге у датчика устанавливается нулевая чувствительность и соответствующий уровень датчика отключается, поэтому первым рабочим порогом датчика с минимальной чувствительностью является порог 2.
Вход в режим регулировки чувствительности датчика удара:
Регулировка чувствительности предупреждающего уровня:
Оперативная проверка установленной чувствительности:
Проверку установленного порога чувствительности можно произвести, не выходя из режима регулировки. Для проверки ударьте по кузову автомобиля. Срабатывание предупреждающего уровня датчика подтвердится 1 сигналом сирены.
Регулировка чувствительности основного уровня:
Для установки чувствительности основного уровня датчика, не выходя из режима регулировки, откройте дверь автомобиля и повторите действия аналогично пп.1 и 2 для предупреждающего уровня.
Проверку установленного порога чувствительности можно произвести, не выходя из режима регулировки. Для проверки ударьте по кузову автомобиля. Срабатывание основного уровня датчика подтвердится 2 сигналами сирены.
Выход из режима регулировки:
Для выхода из режима регулировки включите и выключите зажигание. Если в течение 20 секунд не производится никаких действий, сигнализация выйдет из режима регулировки автоматически.
Некоторые функции сигнализации могут быть изменены самим владельцем автомобиля с помощью сервисной кнопки и брелка без необходимости доступа к центральному блоку. Перечень функций приведен ниже в таблице.
| № | Функции | Включена (2 сигнала сирены) | Выключена (4 сигнала сирены) |
|---|---|---|---|
| 1 | Функция иммобилизатора | да | нет |
| 2 | Автоматическое включение режима охраны без запирания замков дверей | да | нет |
| 3 | Автоматическое включение режима охраны с запиранием замков дверей | да | нет |
| 4 | Задержка контроля датчиков в момент включения режима охраны (обход задержки погасания салонного света) | 1 сек | 45 сек |
| 5 | Тип сигнала на сирену или клаксон (постоянный / прерывистый) | постоянный | прерывистый |
| 6 | Двухимпульсное отпирание замков дверей | 1 импульс | 2 импульса |
| 7 | Длительность сигнала на центральный замок | 0,7 сек | 4 сек |
| 8 | Управление центральным замком от ключа зажигания | да | нет |
Внимание! Серым цветом в таблице отмечена заводская предустановка параметров.
Порядок программирования следующий:
В память сигнализации можно записать 4 брелка. Запись кодов брелков производится при выключенном режиме охраны в следующем порядке:
Из режима записи брелков сигнализация выходит либо при выключении зажигания, либо сразу после записи четвертого брелка, либо автоматически через 10 секунд, если не происходит никаких действий.
Внимание! При записи новых брелков необходимо перезаписать и старые, иначе они будут удалены из памяти. После входа в режим записи кода брелков (пп. 1-2), коды ранее записанных в память брелков будут автоматически стерты после программирования кода первого брелка. Код одного и того же брелка может быть записан в память только один раз.
Сигнализация SAMURAI150 может быть установлена на любые автомобили с напряжением аккумулятора 12В и отрицательным полюсом на корпусе. Центральный блок разместите в салоне в скрытом месте, предпочтительнее под приборной панелью - в этом случае, длина соединительных проводов будет минимальной. При установке блоке учитывайте, что в нем размещен встроенный датчик удара. Для предотвращения попадания в блок влаги рекомендуется установить его таким образом, чтобы исключить стекание капель конденсата по проводам внутрь корпуса. Закрепите блок с помощью винтов-саморезов или двухстороннего скотча, чтобы исключить его перемещение при вибрациях.
Сирену (в стандартный комплект системы не входит) разместите под капотом как можно дальше от источников тепла и влаги. Рупор сирены направьте вниз, чтобы избежать постоянного накопления воды. Убедитесь, что сирена и провода недоступны из-под машины.
Светодиодный индикатор закрепите на видном месте на приборной панели. Сервисную кнопку VALET разместите в салоне в скрытном, но доступном пользователю месте.
Прокладку проводов производите как можно дальше от источников электрических помех - катушки зажигания, высоковольтных проводов и т.п. Обратите внимание на то, чтобы провода не соприкасались с движущимися частями конструкции автомобиля - педалями, рулевыми тягами и т.п. Монтаж соединений электропроводки необходимо производить при отсоединенном аккумуляторе автомобиля.
Внимание! Если автомобиль оборудован воздушной подушкой или имеет закодированный приемник, при отключении питания руководствуйтесь инструкцией по эксплуатации автомобиля или приемника.
Все неразъемные соединения выполняйте с помощью пайки и хорошо изолируйте.
Центральный блок и другие компоненты подключайте к разъемам кабелей только после завершения монтажа. Монтаж сигнализации производите в соответствии со схемой подключения.
Внимание! Не укорачивайте и не удлиняйте антенный провод, т.к. его размер сопряжен с настройкой антенного контура. Не рекомендуется прокладка антенны вдоль металлических частей кузова автомобиля, т.к. это снизит дальность действия брелков управления.
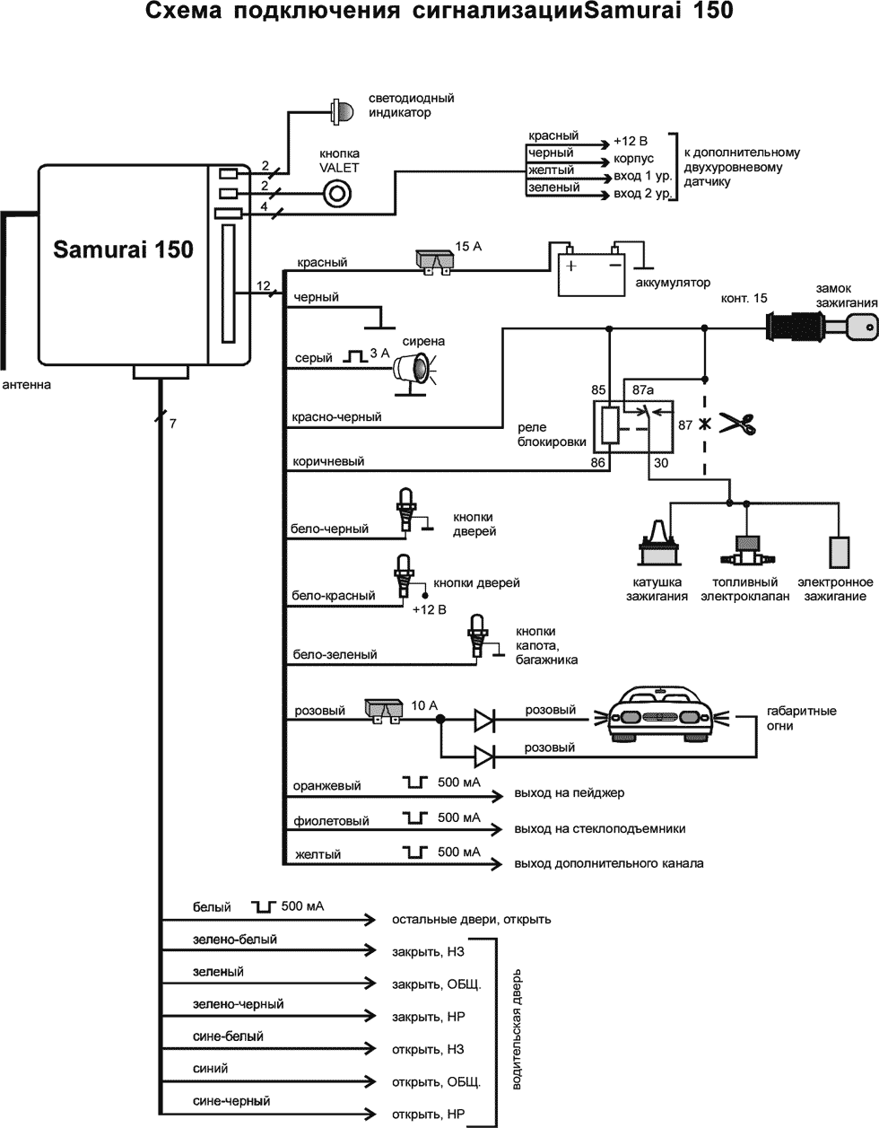
Красный провод (с предохранителем 15А) - плюс питания, подключите к положительной клемме аккумулятора.
Черный провод - минус питания, соедините с корпусом автомобиля, обеспечив хороший контакт.
Серый провод - выход для подключения сирены. Обеспечивает напряжение +12В с током нагрузки не более 3А в режиме тревоги.
Два розовых провода - положительные выходы для подключения к лампам габаритных огней.
Фиолетовый провод - отрицательный выход (500мА) для подключения модуля управления стеклоподъемниками. После включения режима охраны в течение 30 секунд на этом выходе появляется потенциал корпуса.
Оранжевый провод - выход для подключения пейджера. Отрицательный выход (500мА), активизируется в режиме тревоги. Для повышения надежности передатчика пейджера, с данного выхода питание на передатчик пейджера подается прерывисто. 5 секунд выход активен, 5 секунд пауза и т.д.
Коричневый провод - отрицательный выход (500мА). В режиме охраны на этом выходе появляется потенциал корпуса. Подключите к соответствующему контакту обмотки реле блокировки двигателя. Разорвите одну из штатных цепей запуска двигателя между замком зажигания и катушкой, электронным зажиганием, бензонасосом, электроклапаном (для дизеля), в зависимости от типа автомобиля. В разрыв цепи подключите провода от переключающих контактов реле
Желтый провод - отрицательный выход (500мА) дополнительного канала для управления, например, соленоидом открывания багажника или электрическими стеклоподъемниками. Для подключения используйте дополнительное реле или модуль.
Бело-черный провод - подключите к кнопочным выключателям дверей, дающим замыкание на корпус при открывании.
Красно-черный провод - вход контроля наличия напряжения на замке зажигания, подключите к контакту 15 замка зажигания.
Бело-зеленый провод - подключите к кнопочным выключателям капота и багажника, дающему замыкание на корпус при открывании.
Бело-красный провод - подключите к кнопочным выключателям дверей, дающим замыкание на +12В при открывании.
К данной сигнализации возможно подключение дополнительных датчиков любого типа, например, микроволнового или ультразвукового. Дополнительные датчики подключаются к центральному блоку с помощью четырехпроводного кабеля, входящего в комплект сигнализации. См. общую схему подключения сигнализации.
Красную вилку светодиодного индикатора подключите в соответствующий красный двухконтактный разъем центрального блока.
Белую вилку сервисной кнопки подключите в соответствующий белый двухконтактный разъем центрального блока.
Для реализации возможности дистанционного отпирания багажника электропривод замка багажника может быть подключен к выходу дополнительного канала (желтый провод) через дополнительное реле.
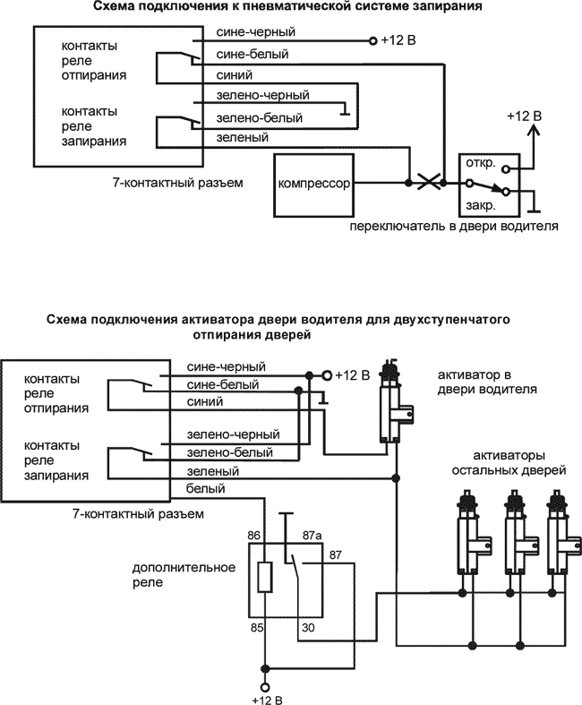
Сигнализация Samurai 150 имеет встроенные реле управления центральным замком. Силовые цепи от контактов реле выведены на 7-контактный разъем центрального блока.
Необходимая длительность управляющих импульсов может быть запрограммирована 0,7 или 4 секунды - программируемая функция №7. Изначально на заводе запрограммирована длительность импульса 0,7 сек. Так же может быть запрограммировано двухимпульсное отпирание замков дверей (например, для некоторых моделей автомобилей GM и VW) -программируемая функция №6. Заводская установка - один импульс на отпирание.
Схемы подключения автосигнализации Samurai 150 к системам центрального запирания, а также схемы подключения активатора водительской двери в случае двухступенчатого открывания приведены ниже. Вариант двухступенчатого открывания дверей (первоначальное отпирание водительской двери) не программируется и реализуется соответствующим подключением электроприводов при установке автосигнализации.


