Дистанционно управляемое реле HOOK-UP® не требует прокладки дополнительных проводов. Конструкция и принцип работы дистанционно управляемого реле позволяют установить его вместо штатного реле автомобиля в подавляющем большинстве случаев.
Контакты реле HOOK-UP® нормально разомкнуты. По команде, разрешающей работу двигателя, контакты реле замыкаются.
Существует четыре типа дистанционно управляемых реле HOOK-UP®: AN, BN, CN и DN. Реле типа AN, BN и CN выполнены в корпусе автомобильного реле. Реле типа DN имеет оригинальную конструкцию и рассчитано на блокировку сигнала датчика Холла в распределителе зажигания 40. 3706 (ВАЗ 2108, 2109, 2110).
Реле типа AN отключают и включают блокировку по командам блока управления. При включении блокировки блокируемая цепь разрывается сразу. Рекомендуется использовать для блокировки цепей стартера или дополнительных цепей.
Реле типа BN и DN отключают и включают блокировку по командам блока управления. При включении блокировки блокируемая цепь в течение 15 с периодически разрывается и замыкается, после чего окончательно разрывается. Такой алгоритм блокировки имитирует неисправность автомобиля и позволяет перед окончательной блокировкой снизить скорость движущегося автомобиля до безопасного значения. Рекомендуется использовать реле типа BN для блокировки цепей зажигания и цепей питания топливного насоса.
Реле типа CN отключают блокировку по командам блока управления. Возврат реле в состояние блокировки происходит после снятия питания с реле на время более 5 с. Рекомендуется использовать для блокировки цепей стартера или в случаях, когда разрыв блокируемой цепи во время движения недопустим.
Реле типа AN промаркированы двумя белыми точками, реле типа BN и DN промаркированы одной белой точкой, реле типа CN промаркированы тремя белыми точками.
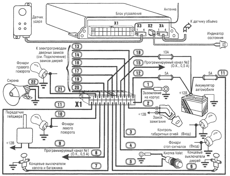
Антенна приемника сигналов брелока представляет собой отрезок провода длиной около 1 м, выходящий из блока управления. Расправьте антенну на полную длину и проложите в удобном месте.
Установите индикатор системы на приборной панели в месте, обеспечивающем необходимый обзор.
Установите кнопку VALET на приборной панели в месте, обеспечивающем удобство пользования.
Установку датчика удара произведите согласно инструкции по установке на это устройство.

Произведите подключение блока управления в соответствии со схемой (предварительно вынув предохранители из держателей). Номер провода в жгуте совпадает с номером контакта разъема X1.
Запрещается производить блокировку зажигания, разрывая цепь между катушкой зажигания и прерывателем, по причине высокого уровня коммутационных помех в этой цепи.
Клеммы "земляных" проводов установите под ближайший заводской болт автомобиля. Длина "земляного" провода должна быть минимальна. Заделку клемм "земляных" проводов выполните с помощью специального инструмента методом обжима.
Длина провода 2 должна быть минимальна. Подробно о тонкостях подключения данного провода изложено в разделе "Установка дистанционно управляемых реле".
Вход контроля состояния педали тормоза (провод 4) может быть переназначен на контроль состояния положительного концевого выключателя двери (автомобили ГАЗ, Ford и др.), см. восемнадцатый уровень служебного программирования. При этом провод 7 подключается к концевому выключа-телю капота, а провод 6 - к концевому выключателю багажника.
Вход контроля габаритных огней может использоваться для напоминания о любом событии, если оно сопровождается появлением напряжения питания в определенной цепи, например, включение ближнего или дальнего света фар, включение магнитолы и т. п. Напоминание осуществляется после постановки на охрану при выключенном зажигании.
Обратите внимание, что в тех случаях, когда при программировании (см. Руководство пользователя) упоминается состояние габаритных огней, система анализирует состояние входа напоминания.
Для "обхода" штатной функции подсветки салона при постановке на охрану может быть включена задержка контроля датчиков дверей на 40 с (см. двенадцатый уровень специального программирования).
Чтобы проверить правильность подключения, работоспособность и настройку концевых выключателей и датчиков удара и объема, воспользуйтесь специальным режимом (см. восьмой уровень общего программирования).
Система REEF позволяет управлять дверными замками различных типов и с разной длительностью управляющего сигнала. Ниже приведена схема выходных цепей управления дверными замками.

Выбор длительности управляющего сигнала 0, 8 с или 5 с см. шестой уровень специального программирования.
Подключите передатчик пейджера согласно схеме.
При использовании пейджера GUARD RP-12 фирмы "Геолинк Электроникс" третий, четвертый и пятый уровень специального программиро-вания включаются по желанию владельца автомобиля. При использовании другого пейджера они должны быть выключены.
Подключение датчика объема
Двухзонный датчик объема подключается к разъему Х4 блока управления. Функциональное назначение контактов разъема Х4 блока управления (нумерация слева направо):
Сигнальные входы рассчитаны на низкий активный уровень (например, открытый коллектор n-р-n).
Если датчик объема не успевает выйти на рабочий режим к началу реагирования на него системы, включите задержку контроля датчиков удара и объема на 40 с (см. Одиннадцатый уровень специального программирования).
Если работа пейджера вызывает срабатывание датчика объема, включите двадцать пятый уровень специального программирования. При этом состояние датчиков удара и объема во время работы пейджера не контролируется, а в режиме предупреждения будут подаваться трехкратные звуковые и световые сигналы.
Программируемые каналы могут использоваться для управления различ-ными устройствами. Перед использованием каналы должны быть запрограм-мированы (см. Программирование каналов в Руководстве пользователя).
Выбор варианта использования программируемых каналов определяется наличием на автомобиле соответствующего оборудования.
Канал №2 может включаться только при постановке на охрану и/или при снятии с охраны.
Для отпирания замка багажника подключите выход системы к устройству управления замком.
При необходимости используйте дополнительное реле.
Для управления электроприводами стеклоподъемников подключите выход системы к модулю управления стеклоподъемниками.
Аналогично осуществляется управление электроприводом люка.
Программируемый канал №2 (провод 15) может быть переназначен на выход дополнительной блокировки (см. девятый уровень специального программирования).
При этом десятый уровень специального программирования определяет алгоритм работы выхода дополнительной блокировки: пассивный или активный.
На выходе дополнительной блокировки присутствует "минус" при разрешении работы двигателя.

Отключение блока управления или обрыв выхода дополнительной блокировки сохраняет блокировку.
Как правило, активная блокировка применяется в странах, в которых запрещена пассивная блокировка.
На выходе дополнительной блокировки присутствует "минус" при запрещении работы двигателя.

Отключение блока управления или обрыв выхода дополнительной блокировки снимает блокировку.
При подключении реле к любому из выходов системы не используйте колодки с защитными диодами, если обмотка реле подключена к цепи, в которой возможны отрицательные выбросы напряжения.
При поставке система запрограммирована следующим образом.
Первый уровень: режим технического обслуживания выключен.
Второй уровень: сирена при постановке/снятии включена.
Третий уровень: сирена при тревоге/предупреждении включена.
Четвертый уровень: режим тревоги без звуковых и световых сигналов выключен.
Пятый уровень: автопостановка иммобилайзера выключена.
Шестой уровень: записаны коды двух брелоков, входящих в комплект.
Седьмой уровень: контроль радиоканала пейджера после постановки выключен.
Восьмой уровень: не подлежит программированию (режим тестирования и регулировки датчиков).
Девятый уровень: режим управления системой по секретному коду (без брелока) выключен. Заводской код 1-1-1-1.
Первый уровень: не подлежит программированию (просмотр памяти срабатывания датчиков в режиме охраны).
Второй уровень: включен режим памяти шести последних причин выхода в режим тревоги.
Третий уровень: передача на пейджер сообщения о снятии с охраны выключена.
Четвертый уровень: передача на пейджер сообщения о постановке на охрану выключена.
Пятый уровень: передача на пейджер сообщения о режиме предупреж-дения выключена.
Шестой уровень: длительность импульса управления замками 0,8 с.
Седьмой уровень: автоматическое запирание и отпирание замков дверей от замка зажигания выключено.
Восьмой уровень: защита от случайного снятия включена.
Девятый уровень: переназначение канала №2 на выход дополнительной блокировки отключено.
Десятый уровень: выбран активный алгоритм работы выхода дополнительной блокировки.
Одиннадцатый уровень: задержка на контроль датчиков удара и объема отключена.
Двенадцатый уровень: задержка на контроль датчиков дверей отключена.
Тринадцатый уровень: длительность сигнала тревоги 15 с.
Четырнадцатый уровень: режим автопостановки выключен.
Пятнадцатый уровень: запирание дверей при автопостановке отключено.
Шестнадцатый уровень: режим AntiCarJack выключен.
Семнадцатый уровень: режим AntiHiJack выключен.
Восемнадцатый уровень: возможность прерывания режимов AntiCarJack и AntiHiJack по команде брелока отключена.
Девятнадцатый уровень: запирание замков в режиме дистанционной блокировки выключено.
Двадцатый уровень: провод 4 - сигнал о положении педали тормоза.
Двадцать первый уровень: передача управления реле HOOK-UP® системе BLACK BUG® PLUS выключена.
Двадцать второй уровень: режим энергосбережения выключен.
Двадцать третий уровень: повторное включение датчиков удара и объема разрешено.
Двадцать четвертый уровень: работа фильтра контроля датчиков удара и объема разрешена.
Двадцать пятый уровень: однократные звуковые и световые сигналы в режиме предупреждения, датчики удара и объема контролируются независимо от работы пейджера.
Программируемый канал №1 - включение по команде брелока (кнопка 2 вне охраны), длительность паузы 0 с, длительность действия 1 с.
Программируемый канал №2 - канал выключен.
Дистанционно управляемые реле устанавливаются в штатную проводку автомобиля без прокладки дополнительных проводов от блока управления. Дистанционно управляемые реле HOOK-UP® предназначены для блокировки цепей с током до 20 А.
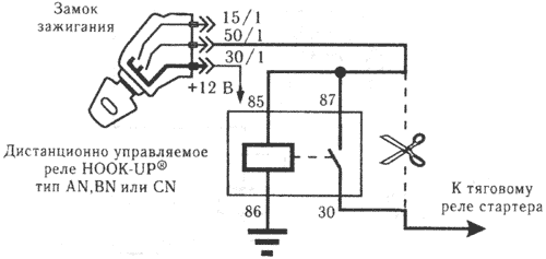
Провод 2 блока управления - регистрация сигнала о включении зажигания, передача кода для управления реле HOOK-UP®.
Вывод 85 дистанционно управляемого реле - питание (+ 12 В) реле, прием сигналов управления от основного блока.
Вывод 86 - "земляная" шина питания реле.
Провод 2 блока управления подсоединяется к проводу, идущему от вывода 15/1 (зажигание включено) замка зажигания.
При подключении и выборе места установки дистанционно управляемых реле, длина провода связи между выводом 2 блока управления и выводом 85 дистанционно управляемого реле должна быть минимальна.
Сопротивление цепи между выводом 2 блока управления и выводом 85 дистанционно управляемого реле должно быть не более 1, 5 Ом.
При включенном зажигании, на выводе 85 дистанционно управляемого реле постоянно должно быть +12 В.
Не допускается подключать дистанционно управляемое реле к цепи, в которой при работе двигателя напряжение +12 В на выводе 85 реле или "корпус" на выводе 86 реле будут временно пропадать.
Если 12 В на вывод 85 дистанционно управляемого реле поступает не непосредственно с контакта замка зажигания, а через какое-либо устройство (например, компьютер), то провод 2 блока управления должен быть подключен непосредственно к той же цепи, что и вывод 85 реле.
Ниже приведены схемы подключения дистанционно управляемых реле HOOK-UP®.
Элемент системы автомобиля, цепь которого блокируется, необходимо подключать к выводу 30 дистанционно управляемого реле.
При замене штатного реле на реле HOOK-UP® убедитесь, что вывод 86 штатного реле постоянно подсоединен к "земляной" шине (особенно для реле управления бензонасосом), а на выводе 85 реле при включении зажигания постоянно присутствует + 12 В.






Дистанционно управляемые реле HOOK-UP® рассчитаны на блокировку цепей с током не более 20А. Для блокировки цепей с большим током необходимо использовать дополнительное реле.
В состав системы входит дистанционно управляемое реле HOOK-UP®, в которое код системы еще не записан. Количество реле, работающих с системой, может быть неограничено. Для использования реле необходимо произвести запись системного кода в память этих реле. Для этого, после установки системы и реле HOOK-UP® на автомобиль, включите зажигание на 5 с, не заводя двигатель. Код системы будет записан в память дистанционно управляемых реле HOOK-UP®. Заведите двигатель и убедитесь в правильном функционировании реле HOOK-UP®.
После того, как код системы записан в реле HOOK-UP®, запись другого кода в реле невозможна. Для удаления ошибочно записанного в реле H
OOK-UP® кода обращайтесь на фирму "Геолинк-Электроникс".Для работы в составе системы реле HOOK-UP® обязательно должны иметь маркировку в виде белых точек.
При установке на автомобиль системы REEF и противоугонной системы BLACK BUG® PLUS BT-71N, необходимо в системе REEF включить режим совместимости с BLACK BUG® PLUS (двадцать первый уровень специального программирования).
При этом на автомобиль устанавливается реле HOOK-UP® из комплекта системы BLACK BUG® PLUS. Реле HOOK-UP® из комплекта системы REEF может быть использовано в качестве дополнительного реле HOOK-UP® в системах, работающих с реле HOOK-UP®.
Для перевода BLACK BUG® PLUS в режим блокировки после выхода системы REEF в режим тревоги рекомендуется выполнить соединение по следующей схеме:

Поскольку провод 9 системы REEF является выходом управления пейджером, необходимо учесть, что при контроле радиоканала пейджера в режиме охраны с работающим двигателем система BLACK BUG® PLUS будет блокировать работу двигателя. Поэтому при охране с работающим двигателем не используйте функцию контроля радиоканала пейджера и передачу сообщений о постановке на охрану и снятии с охраны.
| Функциональное назначение | Провод | Выход/нагрузка |
|---|---|---|
| Включение указателей поворота | 10, 21 | + 12В/2х5А |
| Включение сирены | 22 | + 12В/5А |
| Включение пейджера | 9 | Откр. колл./0,5А |
| Программируемые каналы | 8, 15 | Откр. колл./2 х 0,5А |
| Управление замками дверей | 13, 14, 16, 17, 19, 20 | "Сухие" контакты реле/10А |
Если во время эксплуатации система выходит в режим тревоги из-за неисправности или неправильной настройки датчиков, воспользуйтесь для диагностики режимом просмотра памяти срабатывания датчиков (см. Первый и второй уровни специального программирования).
