Два брелка дистанционного управления, центральный процессорный блок, двухуровневый датчик удара, светодиодный индикатор, сервисная кнопка, два кнопочных выключателя капота/ багажника, комплект проводов и крепеж.
| Максимальный радиус действия брелка | до 30 м |
| Код, используемый для управления | динамический Kee Loq |
| Частота излучения брелка | 433,92 МГц |
| Тип датчика удара | электромагнитный |
| Рабочая температура | от -40 до +85°С |
| Напряжение питания постоянного тока | 9-18 В |
| Ток, потребляемый сигнализацией в режиме охраны | 20 мА |
| Максимально допустимый ток: | |
| выхода управления блокировкой двигателя | 500 мА |
| контактов реле блокировки двигателя | 40 А |
| цепей включения габаритов | 15 А |
| цепи сирены | 3 А |
| цепей управления электроприводами замков дверей: | |
| RS992A | 15 А |
| RS992 | 500 mA |
| цепи дополнительного канала управления | 500 мА |
| Питание брелка | 12 В (батарея типа "27А") |
Ваша сигнализация выполняет заложенные в нее функции либо автоматически, либо по сигналам брелка при нажатии кнопок. Часть предусмотренных функций и некоторые параметры работы системы могут изменяться Вами путем программирования. Для удобства в заголовках описаний изменяемые функции сопровождаются примечанием "программируемая функция".

Перед включением режима охраны убедитесь, что зажигание выключено, двери, капот и багажник надежно закрыты.
Для включения режима охраны нажмите кнопку 1 брелка. 1 короткий сигнал сирены и 1 вспышка "габаритов" подтвердят включение. Автоматическое запирание замков дверей и подъем стекол произойдет, если они подключены к сигнализации.
Светодиод начнет медленно мигать, показывая, что автомобиль охраняется.
Внимание! Если двери, капот или багажник окажутся плохо закрытыми (или неисправен один из кнопочных выключателей), то сигнализация предупредит об этом 4 звуковыми и световыми сигналами, а вспышками светодиода укажет неисправную зону 4 вспышки -неисправность кнопок дверей, 5 вспышек -неисправность кнопок капота или багажника, (см. "Самоконтроль охранных датчиков").
Режим охраны можно включить без звуковых сигналов подтверждения. Нажмите и удерживайте кнопку 1 брелка. Подтверждением включения будет 1 вспышка "габаритов". Автоматическое запирание замков и подъем стекол произойдет, если они подключены к сигнализации.
Светодиод начнет медленно мигать, показывая, что автомобиль охраняется.
Внимание! Если двери, капот или багажник окажутся плохо закрытыми (или неисправен один из кнопочных выключателей), то сигнализация предупредит об этом 4 звуковыми и световыми сигналами, а вспышками светодиода укажет неисправную зону. 4 вспышки -неисправность кнопок дверей, 5 вспышек - неисправность кнопок капота или багажника, (см. "Самоконтроль охранных датчиков").
Наряду с возможностью включения сигнализации с помощью брелка, может быть запрограммирован режим автоматического включения. Этот режим может быть запрограммирован с запиранием или без запирания замков дверей. Автоматический подъем стекол при условии, что электрические стеклоподъемники подключены к сигнализации, будет происходить в обоих вариантах этого режима.
Если функция автоматического включения охраны запрограммирована, то после выключения зажигания и закрывания последней двери, светодиод будет быстро мигать, индицируя предстоящее включение режима охраны. Через 30 секунд сигнализация включит режим охраны. Подтверждением включения будет 1 сигнал сирены и 1 вспышка "габаритов". Светодиод начнет медленно мигать, показывая, что автомобиль охраняется. Открывание любой из дверей в течение 30 секундного периода приостанавливает предстоящее включение режима охраны. После закрывания двери отсчет времени возобновляется.
Автоматического включения режима охраны не произойдет, если неисправен один из дверных кнопочных выключателей. Если несправен кнопочный выключатель капота или багажника, то подтверждением включения режима охраны будут 4 сигнала сирены и 4 вспышки "габаритов", а светодиод будет мигать сериями по 5 вспышек в течение 1 минуты.
Внимание! Если Вы задействовали функцию запирания замков дверей при автоматическом включении режима охраны, не забывайте брелок с ключами в салоне автомобиля.
Если включение режима охраны подтверждается 4 сигналами сирены и 4 вспышками "габаритов", значит двери, капот или багажник плохо закрыты, и сигнализация сообщает, что соответствующая зона будет временно исключена из контура охраны.
В течение 1- ой минуты светодиод сериями вспышек будет показывать неисправную зону:
4 вспышки - двери;
5 вспышек - капот или багажник.
Необходимо закрыть двери, капот или багажник, и система автоматически возьмет эту зону под охрану.
Если в конструкции Вашего автомобиля предусмотрена задержка погасания салонного света при выходе из машины, то при включении режима охраны возможна ложная индикация открытых дверей. Для того, чтобы этого не происходило необходимо запрограммировать функцию №4 в состояние выключено.
Для выключения режима охраны нажмите кнопку 2 брелка. 2 коротких сигнала сирены и 2 вспышки "габаритов" подтвердят выключение. Автоматическое отпирание замков дверей произойдет, если они подключены к сигнализации.
Внимание! Если сигнализация срабатывала во время Вашего отсутствия, то сигнализация сообщит об этом 5 звуковыми и 5 световыми сигналами вместо двух (см. "Самодиагностика при выключении режима охраны").
Режим охраны можно выключить без звуковых сигналов подтверждения. Нажмите и удерживайте кнопку 2 брелка. Подтверждением выключения будут 2 вспышки "габаритов". Автоматическое отпирание замков дверей произойдет, если они подключены к сигнализации.
Внимание! Если сигнализация срабатывала во время Вашего отсутствия, то сигнализация сообщит об этом 5 звуковыми и 5 световыми сигналами (см. "Самодиагностика при выключении режима охраны).
Разработчики сигнализации предусмотрели возможность выключения режима охраны при утере или неработоспособности брелка дистанционного управления. Для этого нужно сделать следующее:
После экстренного отключения сигнализация перейдет в служебный режим, что предотвратит возврат в режим охраны.
Если сигнализация находилась в режиме охраны и срабатывала в Ваше отсутствие, то при выключении режима охраны прозвучат 5 сигналов сирены, и 5 раза вспыхнут "габариты". Светодиод будет мигать сериями вспышек. По количеству вспышек светодиода можно определить причину срабатывания сигнализации.
| Кол-во вспышек светодиода | Причина срабатывания |
|---|---|
| Не горит | срабатываний не было |
| 2 | 1-й уровень датчика удара |
| 3 | 2-й уровень датчика удара |
| 4 | Двери |
| 5 | Капот, багажник |
| 6 | Зажигание |
Если на автомобиль было произведено несколько разных воздействий, то светодиод покажет последнее. При включении зажигания светодиод погаснет.
Если в течение 30 секунд после выключения режима охраны двери, капот или багажник автомобиля не были открыты, сигнализация автоматически вновь включит режим охраны. Это защищает от выключения режима охраны случайным нажатием кнопки брелка, а также в случае, если Вы, отключив сигнализацию, измените свое намерение сесть в автомобиль, а включить режим охраны забудете. Сигнализация сделает это сама.
Подтверждающие сигналы и индикация светодиода те же, что и при включении режима охраны брелком. Замки дверей запираются.
Внимание! Если перед выключением режима охраны двери, капот или багажник были открыты (или был неисправен один из кнопочных выключателей), то автоматического возврата в режим охраны не произойдет.
Если в режиме охраны произойдет вторжение в любую из охраняемых зон, это вызовет автоматическое включение сигналов тревоги: мощное звучание сирены, мигание габаритных огней, подачу сигналов на пейджер. Длительность одного цикла тревоги для различных причин срабатывания сигнализации указана в таблице.
| Причина тревоги | Длительность одного цикла | Максимальное количество циклов при постоянно сработавшем датчике |
|---|---|---|
| Включение зажигания | 30 сек. | 6 |
| Открывались двери | 30 сек. | 6 |
| Открывались капот или багажник | 30 сек. | 6 |
| Срабатывал 1 уровень датчика удара | 1 сигнал сирены | Не ограничено |
| Срабатывал 2 уровень датчика удара | 30 сек. | 6 |
| В режиме охраны отключено, а затем включено питание | 30 сек. | 1 |
Если Вы хотите прервать сигналы тревоги (например, Вы проверяли работу датчика удара), нужно нажать любую кнопку брелка. При этом сигнализация останется в режиме охраны.
Надежная блокировка двигателя сохраняется в течение всего периода охраны. Попытки угонщиков завести двигатель, несмотря на сигналы тревоги, будут бесполезны.
С помощью программирования (функция №1) Вы можете включить режим иммобилизатора. Этот режим позволяет задействовать только блокировку двигателя без включения режима охраны. В этом случае двигатель будет блокирован через 2 минуты после выключения зажигания. Если после выключения зажигания будет открыта дверь автомобиля, двигатель будет блокирован в момент открывания двери.
Для отключения режима иммобилизатора нажмите кнопку 2 брелка.
Любая попытка злоумышленника выключить режим охраны временным отключением питания окажется безуспешной. При отключении питания, например, сбросе клеммы с аккумулятора, сигнализация запоминает свое состояние, и при восстановлении питания сигнализация снова окажется в том же состоянии. Если она находилась в режиме охраны, то при восстановлении питания сигнализация перейдет сначала в режим тревоги. После окончания цикла тревоги сигнализация продолжает находится в режиме охраны.
Сигналы тревоги включаются коротким нажатием двух кнопок брелка одновременно. Сигналы тревоги продолжаются 30 секунд. Если Вы хотите прервать их раньше, нажмите любую кнопку брелка. Режим паники может быть задействован при включенном или выключенном зажигании, при включенном или выключенном режиме охраны. Режим "паника" не изменяет состояния сигнализации и не вызывает закрывания или открывания замков дверей.
Автосигнализация позволяет подключить к ней пейджер. В этом случае сигналы тревоги не только отпугнут злоумышленника и обратят на автомобиль внимание окружающих, но и будут переданы на Ваш приемник пейджера. Находясь в зоне действия пейджера, Вы будете немедленно предупреждены о любой опасности, угрожающей Вашей машине. В режиме "паника" сигналы тревоги на пейджер не передаются.
Отключение производится кнопкой 1 брелка в течение первых 10 секунд после включения режима охраны или повторного включения датчиков.
При необходимости повторного включения датчиков необходимо опять нажать кнопку 1 брелка, при этом режим охраны сохранится, и оба уровня датчиков будут активизированы. Обобщенный алгоритм отключения датчиков приведен на рисунке слева.
При включенном зажигании, можно закрывать и открывать замки дверей (если они подключены к сигнализации). Нажатие кнопки 1 брелка закрывает замки, нажатие кнопки 2 - открывает замки.
По Вашему желанию может быть введена функция запирания замков дверей через 10 секунд после включения зажигания и открывания их сразу после выключения зажигания.
Если при включении зажигания одна из дверей была открыта, то запирания замков дверей не произойдет. Открытие дверей в течение 10 секунд после включения зажигания также отменяет запирание.
С целью обеспечения большей безопасности электрическая система запирания Вашего автомобиля может быть подключена к сигнализации таким образом, что при выключении режима охраны сначала откроется только водительская дверь. При необходимости отпирания остальных дверей повторно нажмите кнопку 2 брелка.
Двухступенчатое отпирание замков дверей происходит при выключении режима охраны и при управлении центральным замком с брелка при включенном зажигании. Если запрограммировано автоматическое управление центральным замком от ключа зажигания, то при выключении зажигания опираются замки всех дверей.
Нажатие и удержание двух кнопок брелка одновременно вызывает появление сигнала управления на специальном выходе сигнализации, к которому могут быть подключены дополнительные устройства автомобиля. Если дополнительный канал используется для открывания багажника, то при дистанционном открывании багажника в режиме охраны временно отключаются зоны датчика удара, дополнительного датчика, капота и багажника. Через 5 секунд после закрытия багажника датчики автоматически включаются.
Для временного отключения охранных функций сигнализации, например, при проведении работ на станции сервисного обслуживания, разработчиками предусмотрен специальный служебный режим.
Для включения служебного режима:
В служебном режиме продолжает работать дистанционное отпирание/запирание замков дверей брелком и автоматическое управление замками дверей от ключа зажигания. Остальные функции сигнализации отключаются.
Для отмены служебного режима:
Включите зажигание, нажмите и удерживайте сервисную кнопку Valet до момента погасания светодиода.
Всего в память сигнализации можно записать 4 брелка. Запись кодов брелков производится при выключенном режиме охраны в следующем порядке:
Из режима записи брелков сигнализация выходит либо при выключении зажигания, либо сразу после записи четвертого брелка, либо автоматически через 10 секунд, если не происходит никаких действий.
Внимание! При записи новых брелков необходимо перезаписать и старые, иначе они будут удалены из памяти. После входа в режим записи кода брелков (пп. 1-2), коды ранее записанных в память брелков будут автоматически стерты после программирования кода первого брелка. Код одного и того же брелка может быть записан в память только один раз.
В брелке дистанционного управления используется элемент питания типа "27А", 12В. Потребление тока брелком незначительно, поэтому батареи хватает в среднем на 12 месяцев (зависит от того, как часто Вы пользуетесь брелком). Замена батареи может быть выполнена владельцем самостоятельно.
Внимание! Обязательно соблюдайте полярность при установке батареи!
Некоторые функции сигнализации могут быть изменены самим владельцем автомобиля с помощью сервисной кнопки и брелка без необходимости доступа к центральному блоку. Перечень функций приведен ниже в таблице.
| № | Функция | Включена (2 сигнала сирены) | Выключена (4 сигнала сирены) |
|---|---|---|---|
| 1 | Функция иммобилизатора | да | нет |
| 2 | Автоматическое включение режима охраны без запирания замков дверей | да | нет |
| 3 | Автоматическое включение режима охраны с запиранием замков дверей | да | нет |
| 4 | Контроль датчиков в момент включения режима охраны (обход задержки погасания салонного света) | 1 сек | 45 сек |
| 5 | Тип сигнала на сирену или клаксон (постоянный / прерывистый) | постоянный | прерывистый |
| 6 | Двухимпульсное отпирание замков дверей | 1 импульс | 2 импульса |
| 7 | Длительность сигнала на центральный замок | 0,7 сек | 4 сек |
| 8 | Управление центральным замком от ключа зажигания | да | нет |
Внимание! Серым цветом в таблице отмечена заводская предустановка параметров. Порядок программирования следующий:
Автосигнализации Red Star 992/992A могут быть установлены на любые автомобили с напряжением аккумулятора 12В и отрицательным полюсом на корпусе.
Центральный блок разместите в салоне в скрытом месте, предпочтительнее под приборной панелью - в этом случае длина соединительных проводов будет минимальной. Для предотвращения попадания в блок влаги рекомендуется установить его таким образом, чтобы исключить стекание капель воды по проводам внутрь корпуса. Закрепите блок на плоской поверхности с помощью винтов-саморезов, чтобы исключить его перемещение при вибрациях.
Поскольку в данной сигнализации датчик удара встроен в центральный блок, блок необходимо жестко закрепить к кузову автомобиля в салоне, обеспечив нормальное функционирование.
Внимание! Не укорачивайте и не удлиняйте антенный провод, т.к. его размер сопряжен с настройкой антенного контура. Не рекомендуется прокладка антенны вдоль металлических частей кузова автомобиля, т.к. это снизит дальность действия брелка управления.
Сирену (в комплект не входит) разместите под капотом как можно дальше от источников тепла и влаги. Рупор сирены направьте вниз, чтобы избежать постоянного накопления воды. Убедитесь, что сирена и провода недоступны из-под машины.
Светодиодный индикатор закрепите на видном месте на приборной панели. Сервисную кнопку установите в скрытом, но доступном пользователю месте.
При установке кнопочных выключателей под капотом и в багажнике проверьте правильность их работы. При закрытом капоте или багажнике зазор между контактами в выключателе должен быть не менее 3 мм. Неправильная установка кнопочных выключателей часто является причиной ложных тревог.
Прокладку проводов производите как можно дальше от источников электрических помех -катушки зажигания, высоковольтных проводов и т.п. Обратите внимание на то, чтобы провода не соприкасались с движущимися частями конструкции автомобиля - педалями, рулевыми тягами и т.п.
Монтаж соединений электропроводки сигнализации необходимо производить при отсоединенном аккумуляторе автомобиля.
Внимание! Если автомобиль оборудован воздушной подушкой или имеет закодированный приемник, при отключении питания руководствуйтесь инструкцией по эксплуатации автомобиля или приемника.
Все неразъемные соединения выполняйте с помощью пайки и хорошо изолируйте.
Центральный блок и другие компоненты сигнализации подключайте к разъемам кабелей только после завершения монтажа. Подключение сигнализации производите в соответствии со схемой.
Серый провод - выход для подключения сирены. Обеспечивает напряжение +12В с током нагрузки не более ЗА в режиме тревоги.
Красный провод (с предохранителем 15А) - плюс питания, подключите к положительной клемме аккумулятора.
Черный провод - минус питания, соедините с корпусом автомобиля, обеспечив хороший контакт.
Два белых провода - положительные выходы для подключения к лампам габаритных огней.
Бело-черный провод - отрицательный выход (500мА) для подключения модуля управления стеклоподъемниками. После включения режима охраны в течение 30 секунд на этом выходе появляется потенциал корпуса.
Оранжевый провод - выход для подключения пейджера. Отрицательный выход (500мА) , активизируется в режиме тревоги. Для повышения надежности передатчика пейджера, с данного выхода питание на передатчик пейджера подается прерывисто. 5 секунд выход активен, 5 секунд пауза и т.д.
Коричневый провод - отрицательный выход (500мА). В режиме охраны на этом выходе появляется потенциал корпуса. Подключите к соответствующему контакту обмотки реле блокировки двигателя. Разорвите одну из штатных цепей запуска двигателя между замком зажигания и катушкой, электронным зажиганием, бензонасосом, электроклапаном (для дизеля), в зависимости от типа автомобиля. В разрыв цепи подключите провода от переключающих контактов реле.
Фиолетовый провод - отрицательный выход (500мА) дополнительного канала для управления, например, соленоидом открывания багажника или электрическими стеклоподъемниками. Для подключения используйте дополнительное реле или модуль.
Желтый провод - подключите к кнопочным выключателям дверей, дающим замыкание на корпус при открывании.
Зеленый провод - вход контроля наличия напряжения на замке зажигания, подключите к контакту 15 замка зажигания.
Два синих провода - подключите к кнопочным выключателю капота и багажника, дающему замыкание на корпус при открывании.
Черно-белый провод - подключите к кнопочным выключателям дверей, дающим замыкание на +12В при открывании.
Вилку светодиодного индикатора подключите в соответствующий двухконтактный разъем центрального блока.
Вилку сервисной кнопки подключите в соответствующий двухконтактный разъем центрального блока.
Сигнализация Red Star 992A имеет встроенные реле управления центральным замком. Силовые цепи от контактов реле выведены на 7-контактный разъем центрального блока.
Сигнализация Red Star 992 имеет транзисторные слаботочные выходы управления. Для подключения к приводам центрального замка требуется установка дополнительных реле.
Необходимая длительность управляющих импульсов может быть запрограммирована 0,7 или 4 секунды - программируемая функция №7. Изначально на заводе запрограммирована длительность импульса 0,7 сек.
Также может быть запрограммировано двухимпульсное отпирание замков дверей (например, для некоторых моделей автомобилей GM и VW) - программируемая функция №6. Заводская установка - один импульс на отпирание.
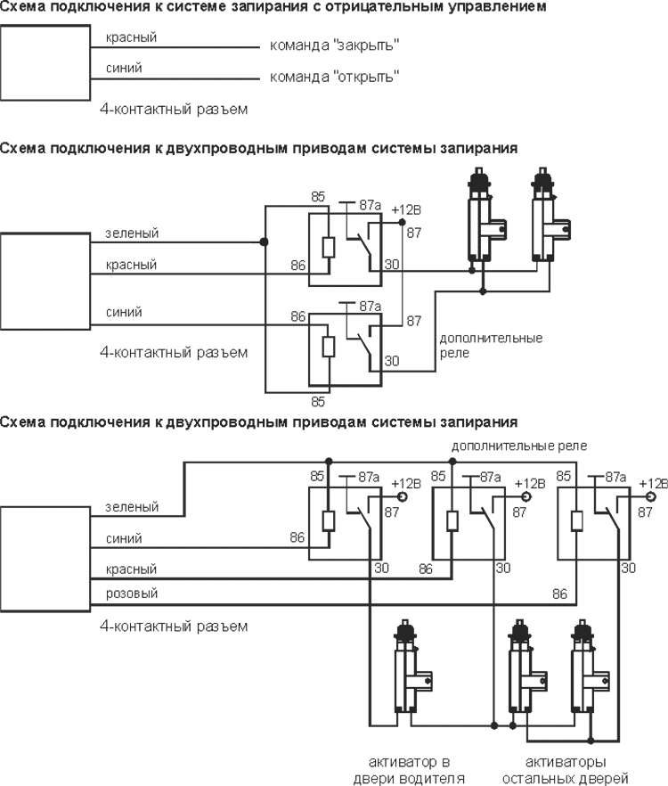
Схемы подключения автосигнализаций Red Star 992/992A к системам центрального запирания, а также схемы подключения к активатору водительской двери в случае двухступенчатого открывания приведены ниже. Вариант двухступенчатого открывания дверей (первоначальное отпирание водительской двери) не программируется и реализуется соответствующим подключением электроприводов при установке автосигнализации.




Внимание! Входящий в комплект автосигнализации Red Star992/992A кабель для подключения датчика удара к центральному блоку имеет чередование цветов проводов питания (синий, черный) на разных концах кабеля.

При подключении к автосигнализации Red Star 992/992A только штатного датчика удара соединительный кабель может быть подключен любой стороной.
При подключении дополнительных датчиков параллельно штатному датчику удара для однозначного совпадения цветовой маркировки рекомендуем следующее подключение кабеля.
