НАЗАД

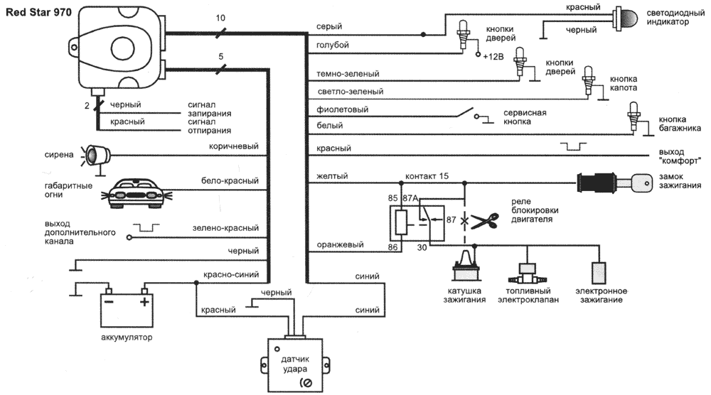
Red Star

970

Схема подключения

RED STAR 970 - схема подключения
25.12.1999